| Номер на схеме | Каталожный номер | Название | Количество | Детали | |||
|---|---|---|---|---|---|---|---|
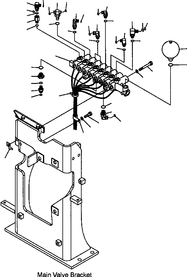
| ? | VALVE ASSEMBLY (SEE FIG. H1831-04A0 ) | SN: A85001-- |
H1831-04A0 | ||||
| ? | 20Y-62-22271 | ELBOW | 1 | SN: A85001-- |
|||
| ? | 2O1-60-11390 | • O-RING | 1 | SN: A85001-- |
|||
| ? | 20Y-62-19560 | • O-RING | 1 | SN: A85001-- |
|||
| ? | 207-62-72120 | ELBOW | 1 | SN: A85001-- |
|||
| ? | 02896-11008 | O-RING | 1 | SN: A85001-- |
|||
| ? | 11Y-62-12160 | ELBOW | 1 | SN: A85001-- |
|||
| ? | 02896-11008 | O-RING | 1 | SN: A85001-- |
|||
| ? | 21W-62-42490 | ELBOW | 1 | SN: A85001-- |
|||
| ? | 02896-11009 | O-RING | 2 | SN: A85001-- |
|||
| ? | 11Y-62-12370 | ELBOW | 1 | SN: A85001-- |
|||
| ? | 02896-11008 | O-RING | 1 | SN: A85001-- |
|||
| ? | 20Y-62-43690 | TEE | 1 | SN: A85001-- |
|||
| ? | 02896-11008 | O-RING | 2 | SN: A85001-- |
|||
| ? | 21M-62-16350 | ADAPTER | 1 | SN: A85001-- |
|||
| ? | 207-62-72141 | ELBOW | 1 | SN: A85001-- |
|||
| ? | 02896-11008 | O-RING | 2 | SN: A85001-- |
|||
| ? | 07002-11423 | O-RING | 8 | SN: A85001-- |
|||
| ? | 02782-10315 | ELBOW | 1 | SN: A85001-- |
|||
| ? | 02896-11009 | O-RING | 1 | SN: A85001-- |
|||
| ? | 07002-12034 | O-RING | 1 | SN: A85001-- |
|||
| ? | 20Y-62-21940 | FILTER ASSEMBLY | 1 | SN: A85001-- |
|||
| ? | 07002-12034 | O-RING | 1 | SN: A85001-- |
|||
| ? | 11Y-62-12520 | NIPPLE | 1 | SN: A85001-- |
|||
| ? | 02896-11009 | O-RING | 1 | SN: A85001-- |
|||
| ? | 07002-11423 | O-RING | 1 | SN: A85001-- |
|||
| ? | 01010-81095 | BOLT | 2 | SN: A85001-- |
|||
| ? | 01643-31032 | WASHER | 2 | SN: A85001-- |
|||
| ? | 20Y-60-A1220 | ACCUMULATOR | 1 | SN: A85001-- |
|||
| ? | 07002-12034 | O-RING | 1 | SN: A85001-- |
|||
| ? | 04434-51912 | CLIP | 1 | SN: A85001-- |
|||
| ? | 01010-81225 | BOLT | 1 | SN: A85001-- |
|||
| ? | 01643-31232 | WASHER | 1 | SN: A85001-- |
|||
| ? | 08034-20536 | BAND | 1 | SN: A85001-- |
|||
| ? | 08193-21012 | CLIP | 1 | SN: A85001-- |