| Номер на схеме | Каталожный номер | Название | Количество | Детали | |||
|---|---|---|---|---|---|---|---|
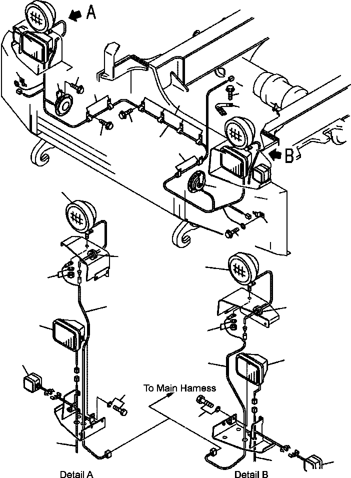
| ? | 424-06-23210 | HEAD LAMP | 2 | SN: A10001-- |
|||
| ? | 08056-00371 | • CONNECTOR | 1 | SN: A10001-- |
|||
| ? | 424-06-23220 | • LENS | 1 | SN: A10001-- |
|||
| ? | 424-06-23230 | • BULB, 75/70W | 1 | SN: A10001-- |
|||
| ? | 41G-06-13201 | LAMP, COMBINATION | 2 | SN: A10001-- |
|||
| ? | 41G-06-13210 | • LENS, FRONT | 1 | SN: A10001-- |
|||
| ? | 41G-06-13220 | • LENS | 1 | SN: A10001-- |
|||
| ? | 41G-06-13230 | • BULB, 5W | 1 | SN: A10001-- |
|||
| ? | 08105-12420 | • BULB, 25W | 1 | SN: A10001-- |
|||
| ? | 01220-40425 | • SCREW | 4 | SN: A10001-- |
|||
| ? | 08021-00400 | • CONNECTOR | 2 | SN: A10001-- |
|||
| ? | 08022-04001 | • CONNECTOR | 1 | SN: A10001-- |
|||
| ? | 56B-06-14412 | WIRING HARNESS | 2 | SN: A10001-- |
|||
| ? | 08036-01414 | CLIP | 8 | SN: A10001-- |
|||
| ? | 01435-01016 | BOLT | 5 | SN: A10001-- |
|||
| ? | 01435-01020 | BOLT | 3 | SN: A10001-- |
|||
| ? | 131-06-21160 | CABLE | 1 | SN: A10001-- |
|||
| ? | 01435-01020 | BOLT | 2 | SN: A10001-- |
|||
| ? | 427-06-21210 | HORN | 2 | SN: A10001-- |
|||
| ? | 01435-01016 | BOLT | 4 | SN: A10001-- |
|||
| ? | 08053-01510 | CLIP | 2 | SN: A10001-- |
|||
| ? | 01435-01016 | BOLT | 2 | SN: A10001-- |
|||
| ? | 566-95-14200 | FOG LAMP | 2 | SN: A10001-- |
|||
| ? | 566-95-14220 | • BULB, 55W | 1 | SN: A10001-- |
|||
| ? | 56B-86-14410 | WIRING HARNESS | 2 | SN: A10001-- |
|||
| ? | 135-06-34260 | GROMMET | 2 | SN: A10001-- |