k-part
Номер на схеме Каталожный номер Название Количество Детали
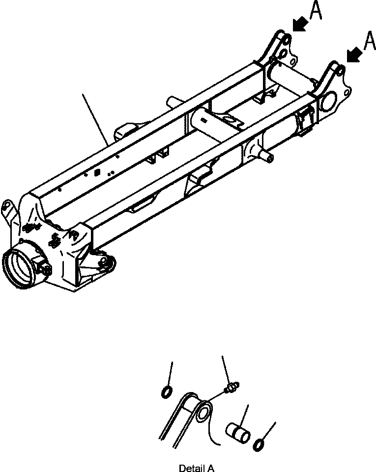
? 56C-46-12201 FRAME, REAR 1
SN: A10001--
? 566-46-42810 BUSHING 2
SN: A10001--
? 07145-00060 SEAL 4
SN: A10001--
? 07020-00000 FITTING, GREASE 2
SN: A10001--

Dump Trucks Komatsu / HM350-1L S/N A10001-UP(HM3501L) / FIG. J3135-01A0 REAR FRAME(J-006 : J3135-01A0)
?
?
?
?
?