| Номер на схеме | Каталожный номер | Название | Количество | Детали | |||
|---|---|---|---|---|---|---|---|
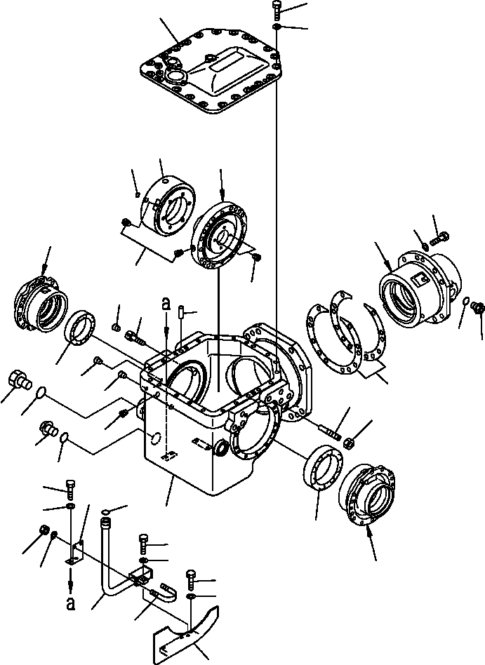
| ? | 56C-27-11001 | DIFFERENTIAL, FRONT | 1 | SN: A10001-- |
|||
| ? | 56C-27-13113 | • HOUSING, CASE | 1 | SN: A10001-- |
|||
| ? | 56C-27-13163 | • COVER | 1 | SN: A10001-- |
|||
| ? | 01643-31445 | • WASHER | 22 | SN: A10001-- |
|||
| ? | 01010-61440 | • BOLT | 22 | SN: A10001-- |
|||
| ? | 04020-01638 | • PIN, DOWEL | 2 | SN: A10001-- |
|||
| ? | 567-22-71180 | • BEARING | 1 | SN: A10001-- |
|||
| ? | 56B-22-12860 | • BEARING | 1 | SN: A10001-- |
|||
| ? | 421-22-11180 | • BOLT | 1 | SN: A10001-- |
|||
| ? | 01583-12414 | • NUT | 1 | SN: A10001-- |
|||
| ? | 56B-22-11360 | • SHIM, 0.15MM | 3 | SN: A10001-- |
|||
| ? | 56B-22-11370 | • SHIM, 0.2MM | 2 | SN: A10001-- |
|||
| ? | 56B-22-11380 | • SHIM, 0.3MM | 2 | SN: A10001-- |
|||
| ? | 56B-22-11390 | • SHIM, 0.8MM | 2 | SN: A10001-- |
|||
| ? | 01010-61650 | • BOLT | 8 | SN: A10001-- |
|||
| ? | 01643-31645 | • WASHER | 8 | SN: A10001-- |
|||
| ? | 07041-13012 | • PLUG | 1 | SN: A10001-- |
|||
| ? | 07002-13034 | • O-RING | 1 | SN: A10001-- |
|||
| ? | 56C-27-19671 | • TUBE | 1 | SN: A10001-- |
|||
| ? | 07000-13032 | • O-RING | 1 | SN: A10001-- |
|||
| ? | 56B-27-19681 | • PLATE | 1 | SN: A10001-- |
|||
| ? | 01597-01009 | • NUT | 2 | SN: A10001-- |
|||
| ? | 01643-31032 | • WASHER | 2 | SN: A10001-- |
|||
| ? | 07283-32738 | • CLIP | 1 | SN: A10001-- |
|||
| ? | 01010-61020 | • BOLT | 2 | SN: A10001-- |
|||
| ? | 01643-51032 | • WASHER | 2 | SN: A10001-- |
|||
| ? | 56C-27-19611 | • COVER | 1 | SN: A10001-- |
|||
| ? | 01010-61035 | • BOLT | 4 | SN: A10001-- |
|||
| ? | 01643-51032 | • WASHER | 4 | SN: A10001-- |
|||
| ? | 07043-70108 | • PLUG | 2 | SN: A10001-- |
|||
| ? | 07043-70211 | • PLUG | 1 | SN: A10001-- |
|||
| ? | 56B-27-11710 | • RETAINER | 1 | SN: A10001-- |
|||
| ? | 07000-12011 | • O-RING | 1 | SN: A10001-- |
|||
| ? | 07043-70108 | • PLUG | 1 | SN: A10001-- |
|||
| ? | 07043-70415 | • PLUG | 3 | SN: A10001-- |
|||
| ? | 01252-61030 | • BOLT | 3 | SN: A10001-- |
|||
| ? | 07044-13620 | • PLUG | 1 | SN: A10001-- |
|||
| ? | 07002-13634 | • O-RING | 1 | SN: A10001-- |
|||
| ? | 07044-12412 | • PLUG | 1 | SN: A10001-- |
|||
| ? | 07002-12434 | • O-RING | 1 | SN: A10001-- |
|||
| ? | 56B-22-11570 | • PLUG | 2 | SN: A10001-- |
|||
| ? | LOCK, DIFFERENTIAL (SEE FIG. F3350-02A0) | SN: A10001-- |
F3350-02A0 | ||||
| ? | CARRIER (SEE FIG. F3350-03A0) | SN: A10001-- |
F3350-03A0 |