k-part
Номер на схеме Каталожный номер Название Количество Детали
? TORQFLOW (SEE FIG. F3300-01A0)
SN: A10001--
F3300-01A0
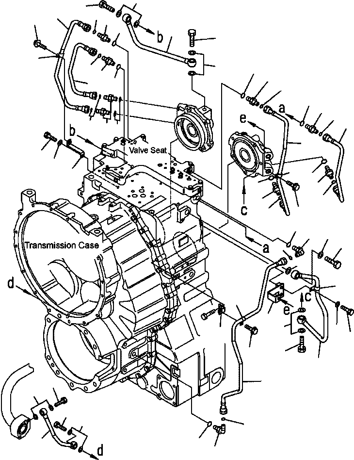
? 56B-15-18114 • TUBE 1
SN: A10001--
? 56B-15-18123 • TUBE 1
SN: A10001--
? 56B-15-18132 • TUBE 1
SN: A10001--
? 56B-15-18143 • TUBE 1
SN: A10001--
? 56B-15-18172 • TUBE 1
SN: A10001--
? 20U-62-42210 • NIPPLE 8
SN: A10001--
? 02782-10516 • ELBOW 2
SN: A10001--
? 02896-61015 • O-RING(K3) 10
SN: A10001--
? 07002-12034 • O-RING(K3) 10
SN: A10001--
? 56B-15-18711 • BRACKET 1
SN: A10001--
? 56B-15-18720 • BRACKET 1
SN: A10001--
? 04434-51510 • CLIP 3
SN: A10001--
? 01010-81020 • BOLT 1
SN: A10001--
? 01643-31032 • WASHER 1
SN: A10001--
? 01435-01016 • BOLT 3
SN: A10001--
? 01010-81045 • BOLT 2
SN: A10001--
? 01643-31032 • WASHER 2
SN: A10001--
? 56B-15-18150 • TUBE 1
SN: A10001--
? 56B-15-18161 • TUBE 1
SN: A10001--
? 07206-31824 • BOLT 4
SN: A10001--
? 07005-02416 • GASKET(K3) 8
SN: A10001--
? 56B-15-18181 • TUBE 1
SN: A10001--
? 07206-31520 • BOLT 2
SN: A10001--
? 07005-02012 • GASKET(K3) 4
SN: A10001--
? 42A-16-11210 • PLATE 1
SN: A10001--
? 04434-51810 • CLIP 1
SN: A10001--

Dump Trucks Komatsu / HM350-1L S/N A10001-UP(HM3501L) / FIG. F3300-61A0A TRANSMISSION - PIPING (1/2)(F-028 : F3300-61A0A)
?
?
?
?
?
?
?
?
?
?
?
?
?
?
?
?
?
?
?
?
?
?
?
?
?
?
?
?
?
?
?
?
?
?
?
?
?
?
?
?
?
?
?
?
?
?
?
?
?
?
?
?
?
?
?
?
?
?
?
?
?
?