k-part
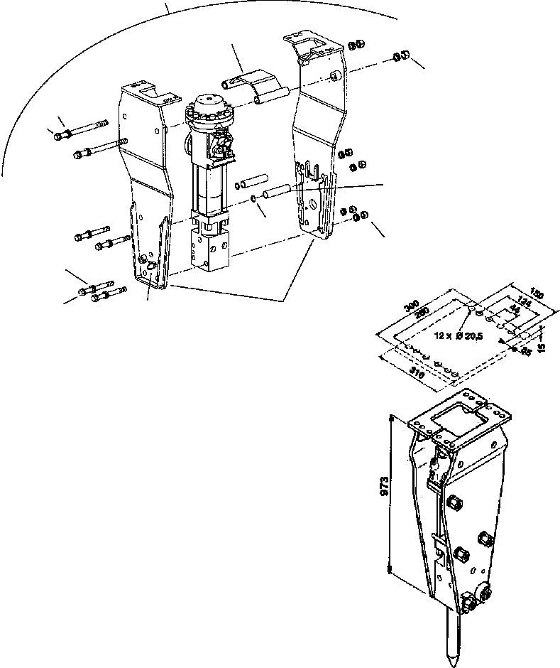
Номер на схеме Каталожный номер Название Количество Детали
?
? Top mount plates
?
? WG86449444 Side plates 1
? WG86449451 • Screw UNF 7/8 in. 4
? WG86403466 • Washer (two mounted at a time) 16
? WG86449410 • Side plates (right and left) 1
? WG86268067 • Spacer 2
? WG86337193 • Adjusting shims 12
? WG86451887 • Lock nut 4
? WG86420304 • Screw UNF 1 in. 2
? WG86307493 • Washer (two mounted at a time) 8
? WG86509353 • Protecting plate 1
? WG86510005 • Lock nut 2
? WG86420304 • Pin 1

Hydraulic Brakers Komatsu / JPB210 HYDRAULIC BREAKER S/N ALL(JPB210) / TOP MOUNT OPTION(010 : 010)
?
?
?
?
?
?
?
?
?
?
?
?