| Номер на схеме | Каталожный номер | Название | Количество | Детали | |||
|---|---|---|---|---|---|---|---|
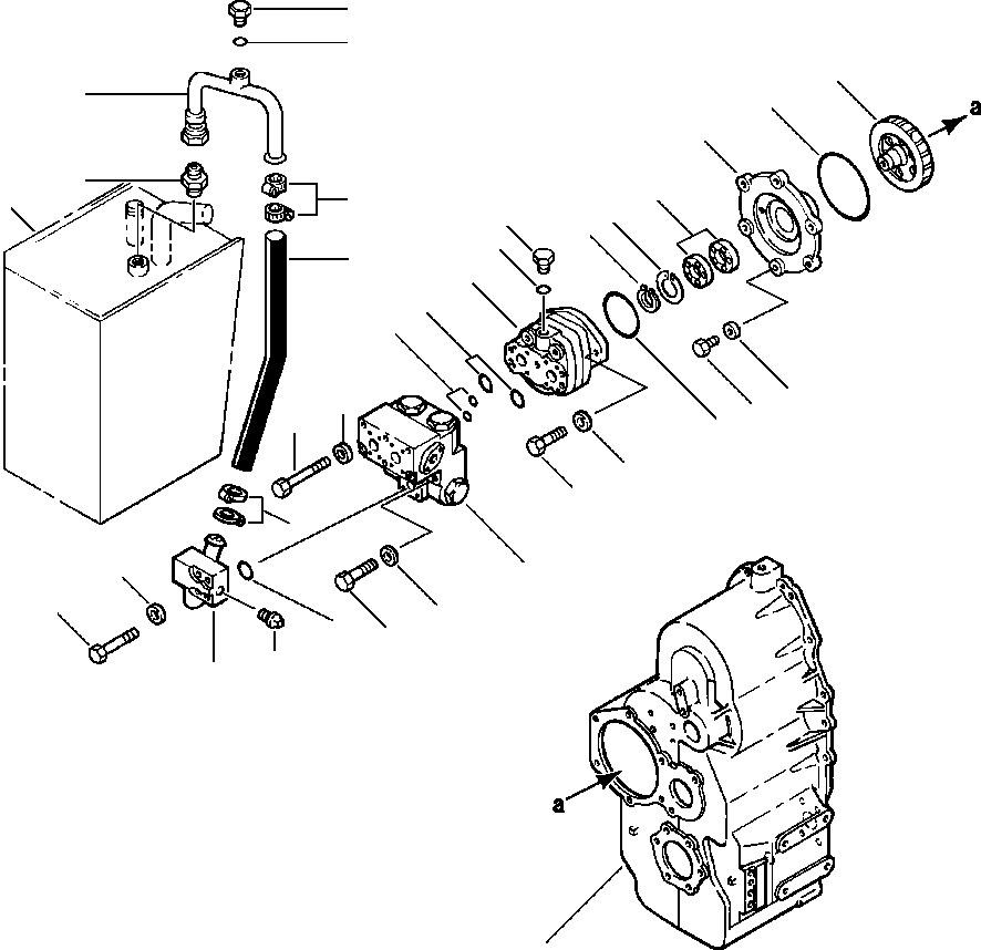
| ? | 417-875-1630 | UNION | 1 | ||||
| ? | 417-875-1640 | TUBE, HYDRAULIC TANK TO DIVIDER VALVE | 1 | ||||
| ? | 07260-02649 | HOSE, HYDRAULIC TANK TO DIVIDER VALVE | 1 | ||||
| ? | 07281-00489 | CLAMP, HOSE | 4 | ||||
| ? | 417-875-1271 | TUBE, AT DIVIDER VALVE | 1 | ||||
| ? | 07042-00617 | PLUG | 1 | ||||
| ? | 07000-03042 | O-RING, BETWEEN TUBE AND DIVIDER VALVE | 1 | ||||
| ? | 01010-31055 | BOLT, MOUNT TUBE TO DIVIDER VALVE | 4 | ||||
| ? | 01643-31032 | WASHER | 4 | ||||
| ? | DIVIDER VALVE (SEE PG 04-006) | -29 | 04-006 | ||||
| ? | 07000-13040 | O-RING, BETWEEN VALVE AND PUMP | 2 | ||||
| ? | 07000-02012 | O-RING, BETWEEN VALVE AND PUMP | 2 | ||||
| ? | 01011-31045 | BOLT, MOUNT DIVIDER VALVE | 2 | ||||
| ? | 01010-31085 | BOLT, MOUNT DIVIDER VALVE | 2 | ||||
| ? | 01643-31032 | WASHER | 4 | ||||
| ? | PUMP, GROUND DRIVEN STEERING (SEE PG 04-002) | -29 | 04-002 | ||||
| ? | 07040-12012 | PLUG | 1 | ||||
| ? | 07002-02034 | O-RING | 1 | ||||
| ? | 07000-02105 | O-RING | 1 | ||||
| ? | 01010-31235 | BOLT, MOUNT GROUND DRIVEN STEERING PUMP | 2 | ||||
| ? | 01643-31232 | WASHER | 2 | ||||
| ? | 424-875-1680 | PLUG | 1 | ||||
| ? | 20D-62-17150 | O-RING | 1 | ||||
| ? | 04064-04018 | RING, SNAP | 1 | ||||
| ? | 04065-06825 | RING, SNAP | 1 | ||||
| ? | 06030-06008 | BEARING, BALL | 2 | ||||
| ? | 417-15-14150 | COVER, MOUNT PUMP TO TRANSMISSION CASE | 1 | ||||
| ? | 01010-31235 | BOLT, MOUNT COVER | 6 | ||||
| ? | 01643-31232 | WASHER | 6 | ||||
| ? | 07000-05200 | O-RING | 1 | ||||
| ? | 419-15-14212 | GEAR | 1 | ||||
| ? | REAR TRANSMISSION CASE ASSEMBLY (SEE PG 02-018) | -29 | 02-018 | ||||
| ? | HYDRAULIC RESERVOIR TANK (SEE PG 06-006) | -29 | 06-006 |