| Номер на схеме | Каталожный номер | Название | Количество | Детали | |||
|---|---|---|---|---|---|---|---|
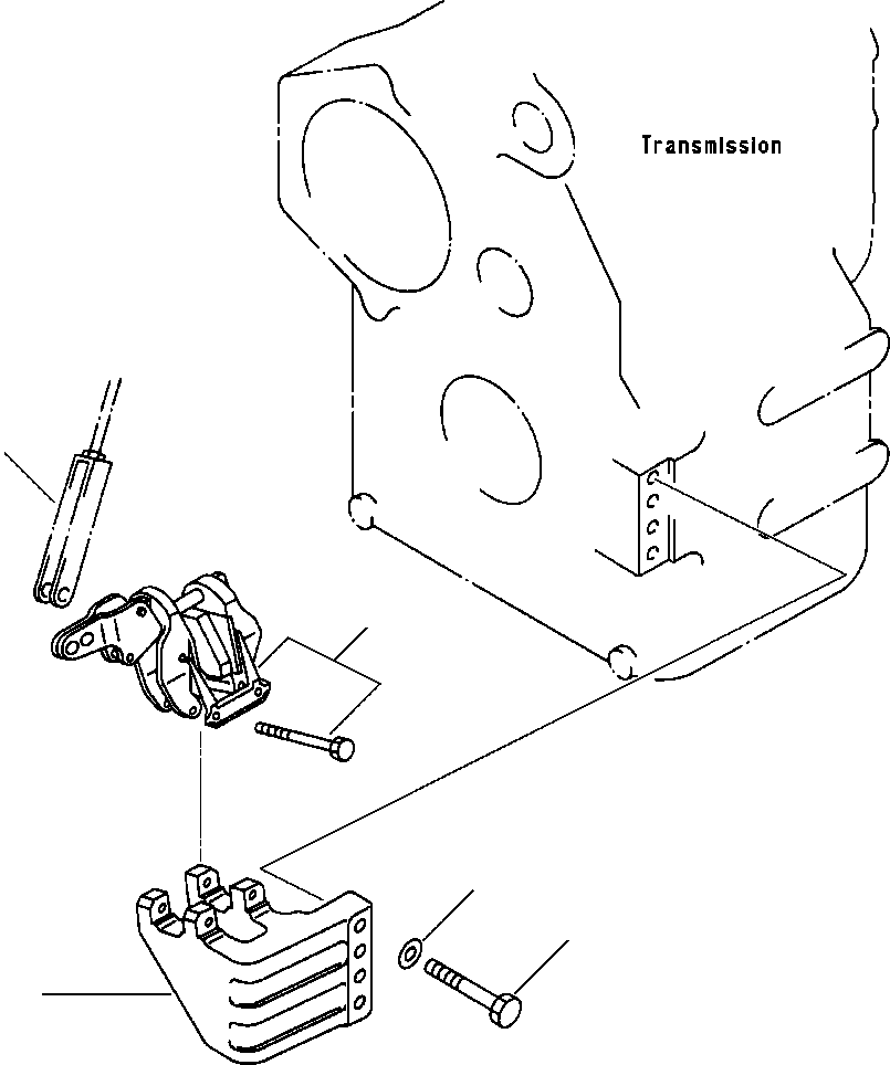
| ? | CALIPER, PARKING BRAKE (SEE PG 03-026) | -29 | 03-026 | ||||
| ? | 417-22-15130 | BRACKET, CALIPER MOUNTING | 1 | ||||
| ? | 01010-31255 | BOLT | 4 | ||||
| ? | 01643-31232 | WASHER | 4 | ||||
| ? | CABLE, PARKING BRAKE (SEE PG 03-028) | -29 | 03-028 |
| Номер на схеме | Каталожный номер | Название | Количество | Детали | |||
|---|---|---|---|---|---|---|---|
| ? | CALIPER, PARKING BRAKE (SEE PG 03-026) | -29 | 03-026 | ||||
| ? | 417-22-15130 | BRACKET, CALIPER MOUNTING | 1 | ||||
| ? | 01010-31255 | BOLT | 4 | ||||
| ? | 01643-31232 | WASHER | 4 | ||||
| ? | CABLE, PARKING BRAKE (SEE PG 03-028) | -29 | 03-028 |