k-part
Номер на схеме Каталожный номер Название Количество Детали
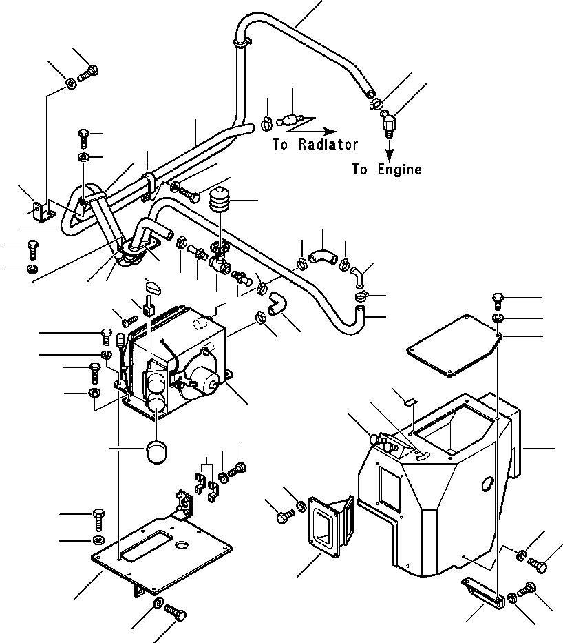
? HEATER ASSEMBLY (SEE PG 05-090) -29 05-090
? 416-942-1761 ROD, CONTROL LEVER 1
? LEVER, CONTROL (SEE PG 05-090) -29 05-090
? 01235-40308 SCREW, CONTROL LEVER ROD 1
? 416-942-1630 CAP 1
? 416-942-1452 PLATE, HEATER CASE - BOTTOM 1
? 01010-51025 BOLT, HEATER TO BOTTOM PLATE 2
? 01643-31032 WASHER 2
? 01010-50612 BOLT, HEATER TO BOTTOM PLATE 2
? 01602-20619 WASHER, LOCK 2
? 01010-51035 BOLT, BOTTOM PLATE 2
? 01643-31032 WASHER 2
? 01010-51020 BOLT, BOTTOM PLATE 2
? 01643-31032 WASHER 2
? 416-942-1411 CASE, HEATER 1
? SWITCH, HEATER (SEE PG 05-090) -29 05-090
? 416-942-1431 DUCT, HEATER 1
? 01010-50612 BOLT, HEATER DUCT 4
? 01602-20619 WASHER, LOCK 4
? 416-942-1460 BRACKET, TOP PLATE MOUNTING 1
? 01010-50612 BOLT, BRACKET TO CASE 2
? 01602-20619 WASHER, LOCK 2
? 416-942-1421 PLATE, HEATER CASE - TOP 1
? 01010-50616 BOLT, TOP PLATE AND HEATER CASE 5
? 01602-20619 WASHER, LOCK 5
? 416-942-1521 PLATE, TENSION 2
? 01010-50612 BOLT, TENSION PLATE 4
? 01602-20619 WASHER, LOCK 4
? 416-942-1810 PRODUCT GRAPHIC, HEATER VENT CONTROL 1
? 416-942-1791 PRODUCT GRAPHIC, HEATER FAN CONTROL 1
?
? LINE - ENGINE TO HEATER:
? 09483-30550 HOSE, ELBOW - AT HEATER 1
? 07281-00259 CLAMP, HEATER HOSE 4
? 416-942-1560 CONNECTOR, HEATER SHUT-OFF VALVE 2
? 416-942-1510 VALVE, WATER SHUT-OFF 1
? 416-942-1580 BOOT, SHUT-OFF VALVE 1
? 09483-10531 HOSE, HEATER TO ENGINE 1
? 416-942-1543 ELBOW, AT ENGINE 1
?
? LINE - HEATER TO RADIATOR:
? 09483-30550 HOSE, ELBOW - AT HEATER 1
? 07281-00259 CLAMP, HEATER HOSE 4
? 416-942-1550 ELBOW 1
? 09483-10527 HOSE, HEATER TO RADIATOR 1
? 416-942-1560 CONNECTOR, AT RADIATOR 1
?
? LINE HOLDING DEVICES:
? 421-07-11760 CLIP, HEATER HOSES 2
? 01010-51220 BOLT 1
? 01643-31232 WASHER 1
? 01010-51020 BOLT 1
? 01643-31032 WASHER 1
? 416-942-1860 BRACKET, HOSE CLIP MOUNTING 1
? 01010-51225 BOLT, MOUNT BRACKET 1
? 01643-31233 WASHER 1
? 416-942-1871 PLATE 1
? 01010-50612 BOLT, PLATE 2
? 01602-20619 WASHER, LOCK 2
? 416-942-1530 GROMMET 1
? 08034-00823 STRAP, TIE 1

Wheel Loaders DRESSTA / 512 S/N C003001-UP(512) / HEATER PIPING KOMATSU - S/N 3001 THRU 3035(05-078 : 05-078)
?
?
?
?
?
?
?
?
?
?
?
?
?
?
?
?
?
?
?
?
?
?
?
?
?
?
?
?
?
?
?
?
?
?
?
?
?
?
?
?
?
?
?
?
?
?
?
?
?
?
?
?
?
?
?
?
?
?
?
?
?
?
?
?
?
?