k-part
Номер на схеме Каталожный номер Название Количество Детали
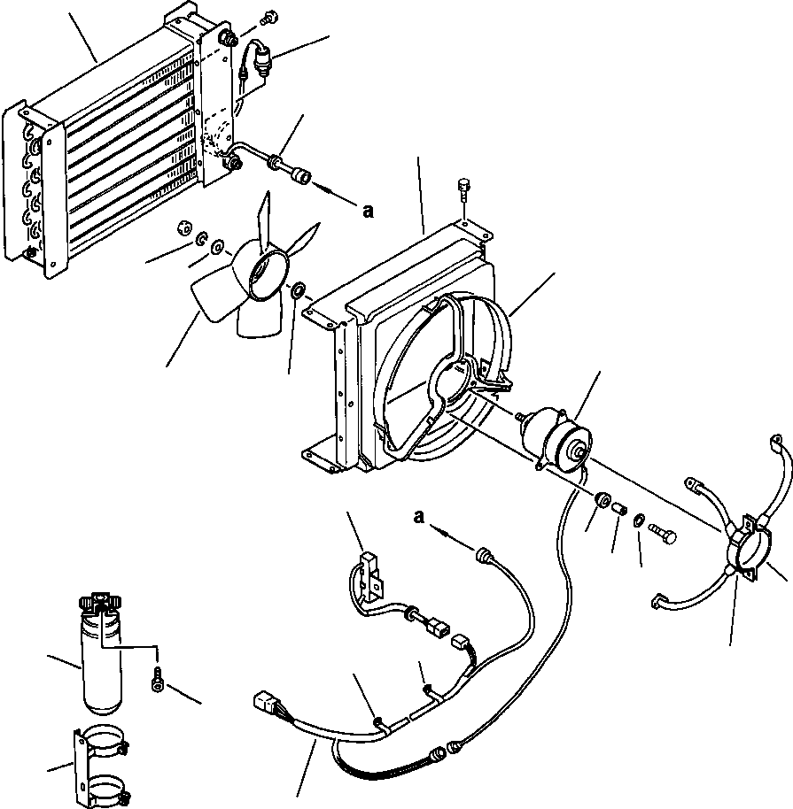
? 425-963-1120 CONDENSER ASSEMBLY 1 F1
? 425-963-2510 • CONDENSER 1
? 425-963-2520 • SHROUD, FAN 1
? 425-963-2530 • BRACKET 1
? 425-963-2540 • BRACKET 1
? 425-963-2550 • MOTOR ASSEMBLY 1
? 425-963-2560 • BUSHING, RUBBER 3
? 425-963-2570 • BUSHING, STEEL 3
? 425-963-2580 • SWITCH, PRESSURE 1
? 425-963-2590 • RESISTOR, BLOWER 1
? 425-963-2610 • WIRING 1
? 425-963-2620 • GROMMET 1
? 425-963-2630 • CLAMP 2
? 425-963-2640 • CLAMP 1
? 425-963-2650 • SHROUD, FAN 1
? 425-963-2670 • FAN, COOLING 1
? 425-963-2680 • WASHER 1
? 425-963-2690 • RING, SPACER 1
? 425-963-2710 • WASHER 4
? 198-911-4610 • TANK, RECEIVER 1
? 145-Z79-4860 • BOLT, FUSE 1
? 425-963-1150 • HOLDER, RECEIVER 1
? 01010-80816 • • BOLT 3
? 01643-30823 • • WASHER 3
?
? F1 - USED ON MACHINES S/N 4024 AND DOWN.
?

Wheel Loaders DRESSTA / 542 S/N U004001-U004100 & C004101-UP(542) / FIG NO. 5545 AIR CONDITIONER CONDENSER ASSEMBLY(05-150 : 13FDW250.006)
?
?
?
?
?
?
?
?
?
?
?
?
?
?
?
?
?
?
?
?
?
?