| Номер на схеме | Каталожный номер | Название | Количество | Детали | |||
|---|---|---|---|---|---|---|---|
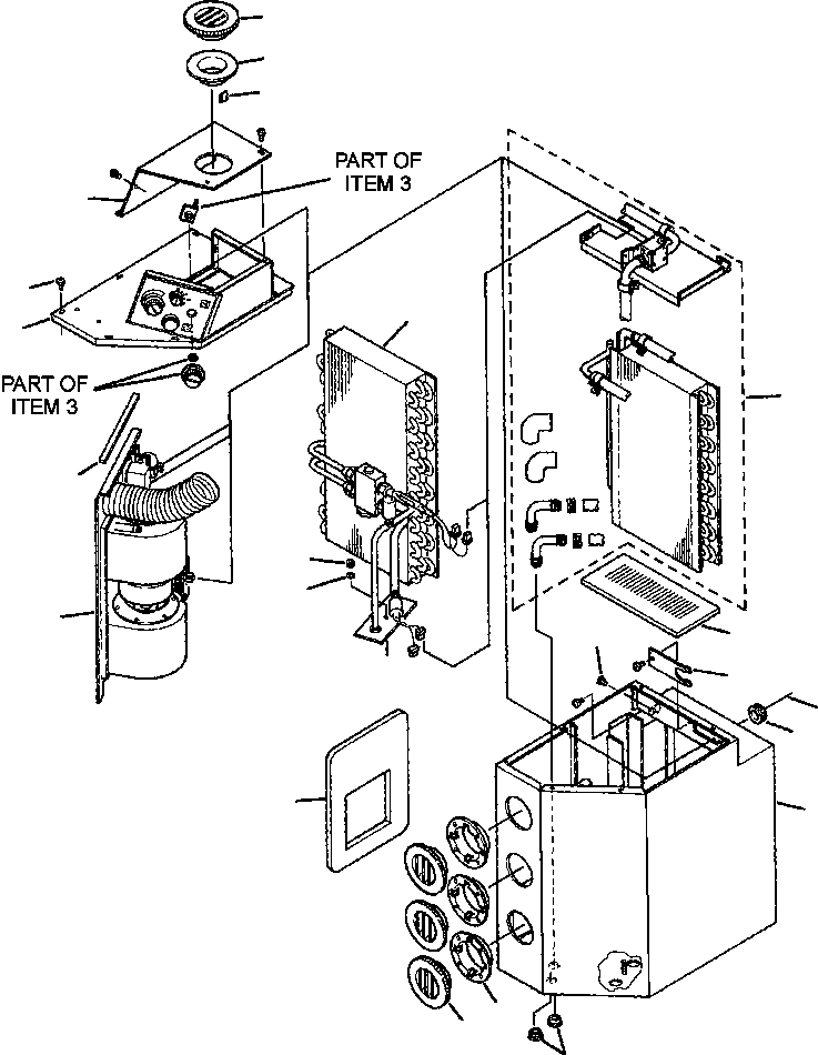
| ? | 425-963-A010 | UNIT ASSEMBLY, HEATER AND AIR CONDITIONER | 1 | F1 | |||
| ? | 425-963-A620 | • HOUSING, WELDMENT | 1 | ||||
| ? | • COIL ASSEMBLY, EVAPORATOR (SEE PG 05-148) | -29 | 13FDW380.005 | ||||
| ? | • COIL ASSEMBLY, HEATER (SEE PG 05-146) | -29 | 13FDW250.004 | ||||
| ? | • FAN ASSEMBLY (SEE PG 05-168) | -29 | 13FDW380.003 | ||||
| ? | • COVER ASSEMBLY (SEE PG 05-144) | -29 | 13FDW380.004 | ||||
| ? | 425-963-A980 | • GROMMET - 1 IN | 1 | ||||
| ? | 425-963-AB30 | • MOUNT, VENT | 3 | ||||
| ? | 425-963-A540 | • PLATE, TOP - SWITCH BOX | 1 | ||||
| ? | 425-963-AB20 | • VENT ASSEMBLY | 4 | ||||
| ? | • HARNESS, WIRING (SEE PG 05-148) | -29 | 13FDW380.005 | ||||
| ? | 425-963-A560 | • PLATE, COVER | 1 | ||||
| ? | 425-963-A990 | • GROMMET - 7/8 IN | 2 | ||||
| ? | 425-963-A590 | • GASKET, FOAM | 1 | ||||
| ? | 425-963-A550 | • SUPPORT, COIL | 1 | ||||
| ? | 425-963-A860 | • BOLT, TORX TRUSS - 1/4-20 X 1/2 | 3 | ||||
| ? | 425-963-A850 | • BOLT, TORX TRUSS - #10-32 X 1/2 | 13 | ||||
| ? | 120 380 | • WASHER, LOCKING - 1/4 IN | 1 | ||||
| ? | 01580-10605 | • NUT - M6 X 1.0 | 1 | ||||
| ? | 425-963-AE90 | • FOAM, FAN ASSEMBLY - 9 1/4 IN. LONG | 1 | ||||
| ? | 425-963-AB10 | • ADAPTER, HOSE - 2 1/2 IN | 1 | ||||
| ? | 425-963-A750 | • CLIP, HOSE | 3 | ||||
| ? | |||||||
| ? | F1 - USED ON MACHINES S/D 4025 AND UP. | ||||||
| ? |