| Номер на схеме | Каталожный номер | Название | Количество | Детали | |||
|---|---|---|---|---|---|---|---|
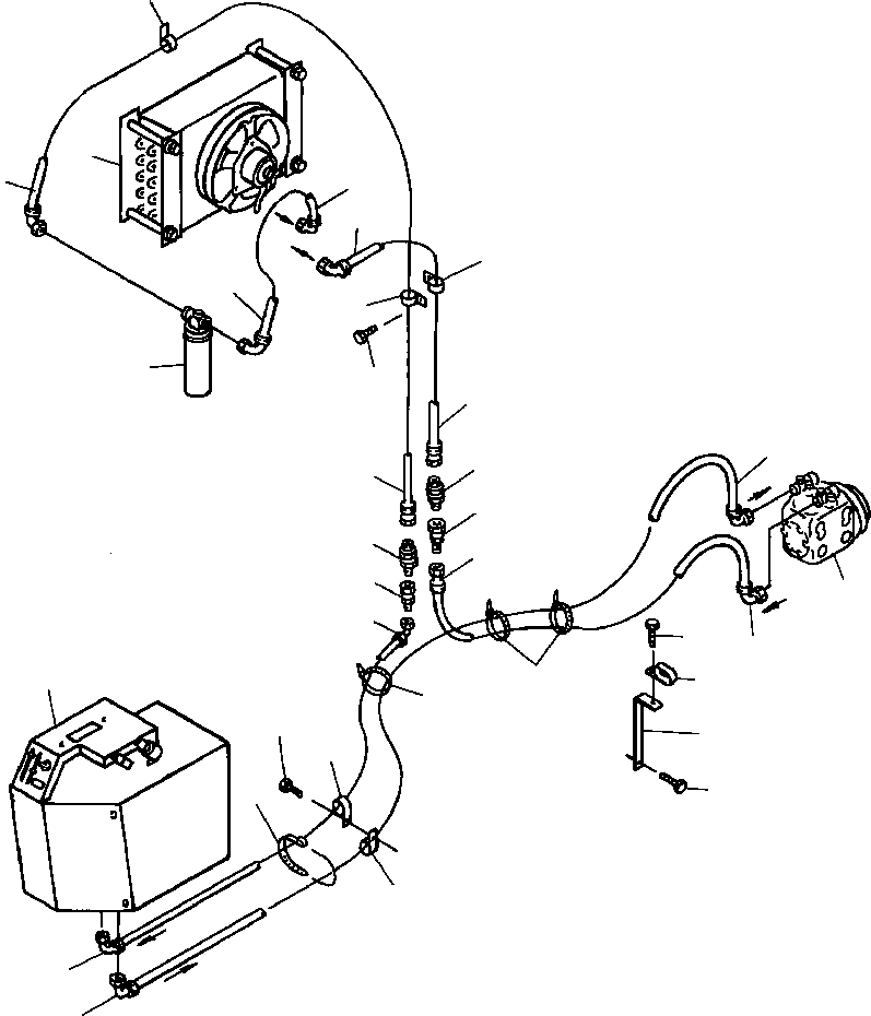
| ? | LINE - COMPRESSOR TO CONDENSER | ||||||
| ? | COMPRESSOR ASSEMBLY (SEE PG 05-154) | -29 | 13EMW420.001 | ||||
| ? | 09488-70616 | HOSE, AT COMPRESSOR | 1 | ||||
| ? | 423-T46-1280 | CONNECTOR | 1 | ||||
| ? | 423-T46-1260 | CONNECTOR | 1 | ||||
| ? | 09488-70607 | HOSE, AT CONDENSER | 1 | ||||
| ? | |||||||
| ? | LINE - CONDENSER TO AIR CONDITIONER | ||||||
| ? | CONDENSER ASSEMBLY (SEE PG 05-150) | -29 | 13FDW250.006 | ||||
| ? | 423-963-1370 | HOSE, CONDENSER TO RECEIVER TANK | 1 | ||||
| ? | TANK, RECEIVER (SEE PG 05-150) | -29 | 13FDW250.006 | ||||
| ? | 423-963-1380 | HOSE, RECEIVER TANK TO AIR CONDITIONER | 1 | ||||
| ? | 423-T46-1270 | CONNECTOR | 1 | ||||
| ? | 423-T46-1290 | CONNECTOR | 1 | ||||
| ? | 423-963-1390 | HOSE, RECEIVER TANK TO AIR CONDITIONER | 1 | ||||
| ? | |||||||
| ? | LINE - AIR CONDITIONER TO COMPRESSOR | ||||||
| ? | UNIT ASSEMBLY, AIR CONDITIONER (SEE PG 05-138) | -29 | 13FDW420.003 | ||||
| ? | 423-963-1520 | HOSE, AIR CONDITIONER TO COMPRESSOR | 1 | ||||
| ? | |||||||
| ? | CLAMPS AND TIE STRAPS | ||||||
| ? | 175-804-3230 | CLAMP, HOSE | 1 | ||||
| ? | 01435-01020 | BOLT | 1 | ||||
| ? | 423-963-1510 | PLATE | 1 | ||||
| ? | 01435-01020 | BOLT | 1 | ||||
| ? | 08034-00536 | STRAP, TIE | 4 | ||||
| ? | 421-09-12170 | CLAMP, HOSE | 5 | ||||
| ? | 01435-01220 | BOLT | 1 | ||||
| ? | 01435-01016 | BOLT | 1 | ||||
| ? | 423-963-1700 | KIT, CONDENSER TO COMPRESSOR LINE HOSE | 1 |