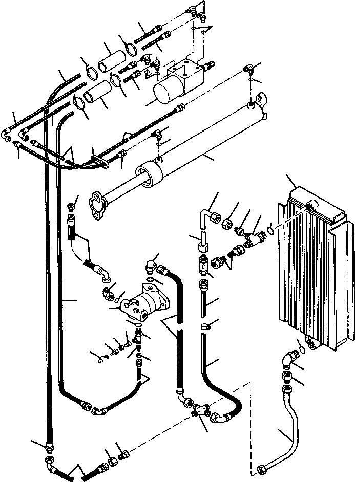
| Номер на схеме | Каталожный номер | Название | Количество | Детали | |||
|---|---|---|---|---|---|---|---|
| ? | 9410 976 | ELBOW - 90° | 4 | ||||
| ? | 364 839 R1 | O-RING | 6 | ||||
| ? | 1235 921 H1 | SLEEVE, PROTECTIVE | 2 | ||||
| ? | 306 132 C1 | STRAP, TIE | 5 | ||||
| ? | STEERING UNIT, HYDRAGUIDE (SEE PG 10-042) | -29 | 10-042 | ||||
| ? | 1235 848 H1 | HOSE | 1 | ||||
| ? | 1173 569 C1 | HOSE | 2 | ||||
| ? | 1235 851 H1 | HOSE | 1 | ||||
| ? | 1235 850 H1 | HOSE | 2 | ||||
| ? | 9410 976 | ELBOW - 90° | 1 | ||||
| ? | 1243 937 H1 | PROTECTOR, EDGE | 1 | ||||
| ? | 9410 977 | ELBOW - 90° | 2 | ||||
| ? | CYLINDER, STEERING | 1 | |||||
| ? | 1235 845 H1 | HOSE | 1 | ||||
| ? | 9410 981 | ELBOW - 90 | 1 | ||||
| ? | 296 247 R1 | O-RING | 1 | ||||
| ? | PUMP, STEERING (SEE PG 10-024) | -29 | 10-024 | ||||
| ? | 162 144 | CAP, DUST | 1 | ||||
| ? | 1235 846 H1 | NIPPLE, TUBE END | 1 | ||||
| ? | 9403 528 | NUT, TUBE | 2 | ||||
| ? | 9403 400 | REDUCER | 2 | ||||
| ? | 570 828 R1 | O-RING | 3 | ||||
| ? | 9411 131 | TEE | 1 | ||||
| ? | 1235 847 H1 | HOSE | 1 | ||||
| ? | 1235 852 H1 | HOSE | 1 | ||||
| ? | 9403 529 | NUT, TUBE | 1 | ||||
| ? | 49 751 | REDUCER | 1 | ||||
| ? | 9403 178 | CROSS | 1 | ||||
| ? | 1235 853 H1 | HOSE | 1 | ||||
| ? | 1235 925 H1 | TUBE | 1 | ||||
| ? | 301 272 C1 | CLAMP, HOSE | 1 | ||||
| ? | 1235 855 H1 | HOSE | 1 | ||||
| ? | 1234 366 H91 | VALVE, CHECK | 1 | ||||
| ? | 1235 924 H2 | TUBE | 1 | ||||
| ? | 1235 854 H1 | HOSE (SEE PG 10-006) | -29 | 10-006 | |||
| ? | 9403 530 | NUT, TUBE | 1 | ||||
| ? | 66 774 | REDUCER | 1 | ||||
| ? | COOLER, OIL (SEE PG 06-002) | -29 | 06-002 | ||||
| ? | 9411 133 | TEE | 1 | ||||
| ? | 368 269 R1 | O-RING | 2 | ||||
| ? | 9410 979 | ELBOW - 90° | 1 | ||||
| ? | 59 718 | REDUCER | 1 | ||||
| ? | 9402 713 | CONNECTOR | 1 |