| Номер на схеме | Каталожный номер | Название | Количество | Детали | |||
|---|---|---|---|---|---|---|---|
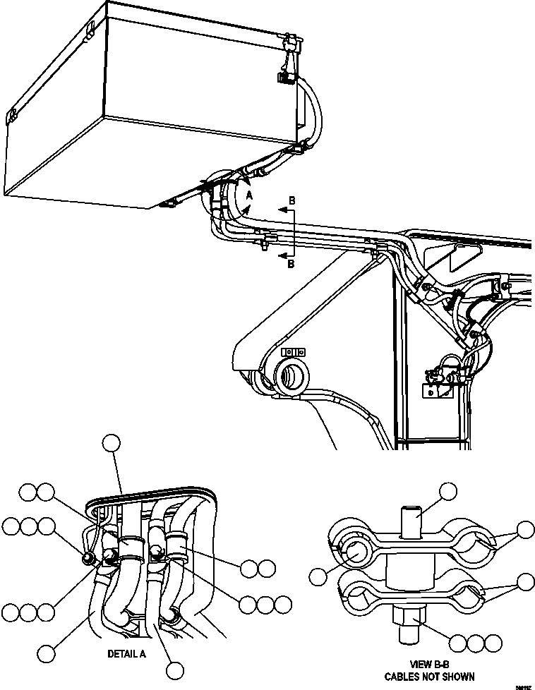
| ? | EK6730 | STRIP, WEATHER | 1 | ||||
| ? | 566-06-41290 | INSULATOR | 1 | ||||
| ? | 08036-02514 | CLIP | 1 | ||||
| ? | MM0605 | CAPSCREW - M10 X 1.50 X 25 | 2 | ||||
| ? | MM0471 | LOCKWASHER - M10 | 2 | ||||
| ? | MM0461 | FLAT WASHER - M10 | 3 | ||||
| ? | CH4051 | CABLE | 1 | ||||
| ? | CH4034 | CABLE | 1 | ||||
| ? | 01010-80625 | CAPSCREW - M6 X 1.00 X 25 | 1 | ||||
| ? | 01643-30623 | FLAT WASHER - M6 | 1 | ||||
| ? | 07095-30627 | CUSHION, HOSE | 1 | ||||
| ? | 04434-53412 | CLIP | 1 | ||||
| ? | EH1790 | ROD, THREADED - M16 - 2.00 X 115 | 2 | ||||
| ? | TN2590 | SPACER, HOSE | 2 | ||||
| ? | ED8937 | CLEAT, CABLE | 4 | ||||
| ? | EH1785 | CLEAT, CABLE | 4 | ||||
| ? | MM0474 | LOCKWASHER - M16 | 2 | ||||
| ? | MM0464 | FLAT WASHER - M16 | 2 | ||||
| ? | MM0181 | NUT - M16 X 2.00 | 2 |