| Номер на схеме | Каталожный номер | Название | Количество | Детали | |||
|---|---|---|---|---|---|---|---|
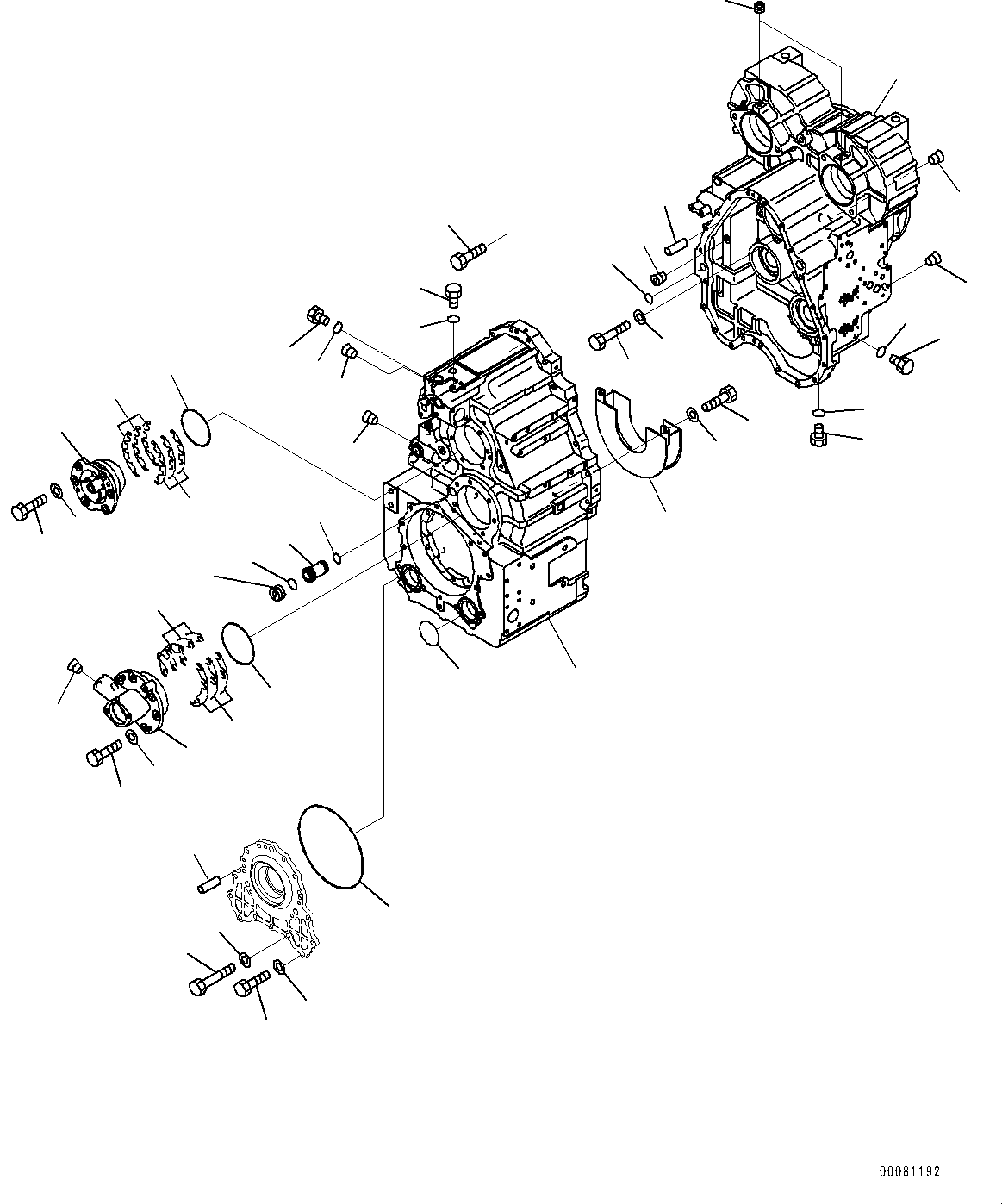
| ? | 714-12-30013 | Transmission Assembly | 1 | SN: 65949- KIT-FLAG: _- SCC: SERIALNO: 65949- |
|||
| ? | 714-12-31113 | • Case,Front | 1 | SN: 65949- KIT-FLAG: _- SCC: SERIALNO: 65949- |
|||
| ? | • • Case,Front | 1 | SN: 65949- KIT-FLAG: _- SCC: C1 SERIALNO: 65949- |
||||
| ? | 07040-11007 | • • Plug | 1 | SN: 65949- KIT-FLAG: _- SCC: SERIALNO: 65949- |
|||
| ? | 07002-61023 | • • O-ring, (Kit : K03) | 1 | SN: 65949- KIT-FLAG: _- SCC: SERIALNO: 65949- |
|||
| ? | 07043-70415 | • • Plug | 2 | SN: 65949- KIT-FLAG: _- SCC: SERIALNO: 65949- |
|||
| ? | 07043-70617 | • • Plug | 3 | SN: 65949- KIT-FLAG: _- SCC: SERIALNO: 65949- |
|||
| ? | 07040-12412 | • • Plug | 1 | SN: 65949- KIT-FLAG: _- SCC: SERIALNO: 65949- |
|||
| ? | 07002-62434 | • • O-ring, (Kit : K03) | 1 | SN: 65949- KIT-FLAG: _- SCC: SERIALNO: 65949- |
|||
| ? | 714-12-31152 | • Case,Rear | 1 | SN: 65949- KIT-FLAG: _- SCC: SERIALNO: 65949- |
|||
| ? | • • Case,Rear | 1 | SN: 65949- KIT-FLAG: _- SCC: C1 SERIALNO: 65949- |
||||
| ? | 07043-70108 | • • Plug | 2 | SN: 65949- KIT-FLAG: _- SCC: SERIALNO: 65949- |
|||
| ? | 07043-70211 | • • Plug | 2 | SN: 65949- KIT-FLAG: _- SCC: SERIALNO: 65949- |
|||
| ? | 07043-70617 | • • Plug | 9 | SN: 65949- KIT-FLAG: _- SCC: SERIALNO: 65949- |
|||
| ? | 07040-11409 | • • Plug | 3 | SN: 65949- KIT-FLAG: _- SCC: SERIALNO: 65949- |
|||
| ? | 07002-61423 | • • O-ring, (Kit : K03) | 3 | SN: 65949- KIT-FLAG: _- SCC: SERIALNO: 65949- |
|||
| ? | 07040-11612 | • • Plug | 4 | SN: 65949- KIT-FLAG: _- SCC: SERIALNO: 65949- |
|||
| ? | 07002-61623 | • • O-ring, (Kit : K03) | 4 | SN: 65949- KIT-FLAG: _- SCC: SERIALNO: 65949- |
|||
| ? | 714-12-32960 | • • Plug | 2 | SN: 65949- KIT-FLAG: _- SCC: SERIALNO: 65949- |
|||
| ? | 04020-01228 | • Pin, Dowel | 2 | SN: 65949- KIT-FLAG: _- SCC: SERIALNO: 65949- |
|||
| ? | 01010-81260 | • Bolt | 21 | SN: 65949- KIT-FLAG: _- SCC: SERIALNO: 65949- |
|||
| ? | 01011-81215 | • Bolt | 6 | SN: 65949- KIT-FLAG: _- SCC: SERIALNO: 65949- |
|||
| ? | 01643-31232 | • Washer | 6 | SN: 65949- KIT-FLAG: _- SCC: SERIALNO: 65949- |
|||
| ? | 07000-75270 | • O-ring, (Kit : K03) | 1 | SN: 65949- KIT-FLAG: _- SCC: SERIALNO: 65949- |
|||
| ? | 01010-81235 | • Bolt | 8 | SN: 65949- KIT-FLAG: _- SCC: SERIALNO: 65949- |
|||
| ? | 01643-31232 | • Washer | 8 | SN: 65949- KIT-FLAG: _- SCC: SERIALNO: 65949- |
|||
| ? | 07000-72080 | • O-ring, (Kit : K03) | 2 | SN: 65949- KIT-FLAG: _- SCC: SERIALNO: 65949- |
|||
| ? | 01011-81230 | • Bolt | 7 | SN: 65949- KIT-FLAG: _- SCC: SERIALNO: 65949- |
|||
| ? | 01643-31232 | • Washer | 7 | SN: 65949- KIT-FLAG: _- SCC: SERIALNO: 65949- |
|||
| ? | 04020-01228 | • Pin, Dowel | 2 | SN: 65949- KIT-FLAG: _- SCC: SERIALNO: 65949- |
|||
| ? | 714-12-38141 | • Cage | 1 | SN: 65949- KIT-FLAG: _- SCC: SERIALNO: 65949- |
|||
| ? | 714-12-38162 | • Sleeve | 1 | SN: 65949- KIT-FLAG: _- SCC: SERIALNO: 65949- |
|||
| ? | 714-12-38161 | • Sleeve | 1 | SN: 65949-(103124 KIT-FLAG: _- SCC: SERIALNO: 65949-(103124) |
|||
| ? | 714-12-38241 | • Orifice | 1 | SN: 65949-(103124 KIT-FLAG: _- SCC: SERIALNO: 65949-(103124) |
|||
| ? | 07000-73022 | • O-ring, (Kit : K03) | 1 | SN: 65949- KIT-FLAG: _- SCC: SERIALNO: 65949- |
|||
| ? | 07000-72021 | • O-ring, (Kit : K03) | 1 | SN: 65949- KIT-FLAG: _- SCC: SERIALNO: 65949- |
|||
| ? | 07043-70415 | • Plug | 1 | SN: 65949- KIT-FLAG: _- SCC: SERIALNO: 65949- |
|||
| ? | 714-07-00010 | • Shim Assembly, (Kit : K03) | 1 | SN: 65949- KIT-FLAG: _- SCC: SERIALNO: 65949- |
|||
| ? | • • Shim, T=0.05mm | 3 | SN: 65949- KIT-FLAG: _- SCC: C1 SERIALNO: 65949- |
||||
| ? | • • Shim, T=0.5mm | 3 | SN: 65949- KIT-FLAG: _- SCC: C1 SERIALNO: 65949- |
||||
| ? | • • Shim, T=0.2mm | 2 | SN: 65949- KIT-FLAG: _- SCC: C1 SERIALNO: 65949- |
||||
| ? | • • Shim, T=0.05mm | 3 | SN: 65949- KIT-FLAG: _- SCC: C1 SERIALNO: 65949- |
||||
| ? | • • Shim, T=0.2mm | 2 | SN: 65949- KIT-FLAG: _- SCC: C1 SERIALNO: 65949- |
||||
| ? | • • Shim, T=0.5mm | 3 | SN: 65949- KIT-FLAG: _- SCC: C1 SERIALNO: 65949- |
||||
| ? | 07000-72135 | • O-ring, (Kit : K03) | 1 | SN: 65949- KIT-FLAG: _- SCC: SERIALNO: 65949- |
|||
| ? | 01010-81235 | • Bolt | 6 | SN: 65949- KIT-FLAG: _- SCC: SERIALNO: 65949- |
|||
| ? | 01643-31232 | • Washer | 6 | SN: 65949- KIT-FLAG: _- SCC: SERIALNO: 65949- |
|||
| ? | 714-12-34913 | • Plate | 1 | SN: 65949- KIT-FLAG: _- SCC: SERIALNO: 65949- |
|||
| ? | 01010-81225 | • Bolt | 2 | SN: 65949- KIT-FLAG: _- SCC: SERIALNO: 65949- |
|||
| ? | 01643-31232 | • Washer | 2 | SN: 65949- KIT-FLAG: _- SCC: SERIALNO: 65949- |
|||
| ? | 07000-73030 | • O-ring, (Kit : K03) | 1 | SN: 65949- KIT-FLAG: _- SCC: SERIALNO: 65949- |
|||
| ? | 714-12-38152 | • Cage | 1 | SN: 65949- KIT-FLAG: _- SCC: SERIALNO: 65949- |
|||
| ? | 714-12-00020 | • Shim Assembly, (Kit : K03) | 1 | SN: 65949- KIT-FLAG: _- SCC: SERIALNO: 65949- |
|||
| ? | • • Shim, T=0.05mm | 6 | SN: 65949- KIT-FLAG: _- SCC: C1 SERIALNO: 65949- |
||||
| ? | • • Shim, T=0.5mm | 6 | SN: 65949- KIT-FLAG: _- SCC: C1 SERIALNO: 65949- |
||||
| ? | • • Shim, T=0.2mm | 4 | SN: 65949- KIT-FLAG: _- SCC: C1 SERIALNO: 65949- |
||||
| ? | 07000-75120 | • O-ring, (Kit : K03) | 1 | SN: 65949- KIT-FLAG: _- SCC: SERIALNO: 65949- |
|||
| ? | 01010-81235 | • Bolt | 6 | SN: 65949- KIT-FLAG: _- SCC: SERIALNO: 65949- |
|||
| ? | 01643-31232 | • Washer | 6 | SN: 65949- KIT-FLAG: _- SCC: SERIALNO: 65949- |