k-part
Номер на схеме Каталожный номер Название Количество Детали
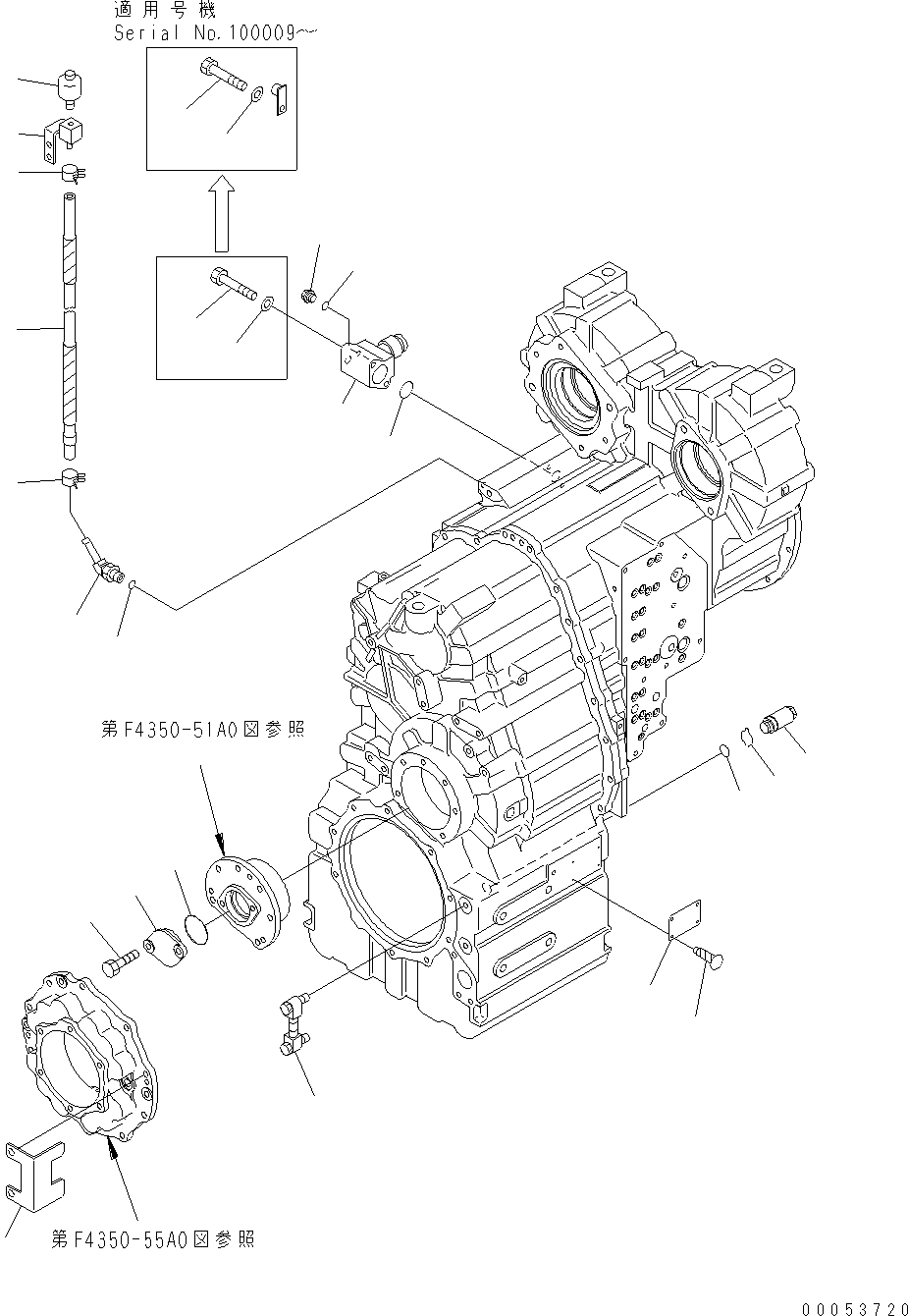
? (421-15-H1771) TRANSMISSION ASSEMBLY, WITH LOCK-UP 1
SN: H50710-H50879
EnglischBem:
? (421-15-H1060) TRANSMISSION ASSEMBLY, WITH LOCK-UP 1
SN: H50051-H50709
EnglischBem:
? 714-07-38130 • ELBOW 1
SN: H50051-H50879
EnglischBem:
? 07002-61023 • O-RING 1
SN: H50051-H50879
EnglischBem: (K1)
? 421-16-41210 • BLOCK 1
SN: H50051-H50879
EnglischBem:
? 421-16-41220 • HOSE 1
SN: H50051-H50879
EnglischBem:
? 11Y-09-11140 • CLIP 2
SN: H50051-H50879
EnglischBem:
? 07030-00252 • BREATHER 1
SN: H50051-H50879
EnglischBem:
? 419-15-18241 • PLUG 1
SN: H50051-H50879
EnglischBem:
? 07002-62434 • O-RING 1
SN: H50051-H50879
EnglischBem: (K1)
? 419-15-18251 • RING, SNAP 1
SN: H50051-H50879
EnglischBem:
? (★09608-05080) • PLATE, NAME 1
SN: H50051-H50879
EnglischBem: (LIMITED SUPPLY)
? 04418-13060 • SCREW 4
SN: H50051-H50879
EnglischBem:
? 714-13-11350 • COVER 1
SN: H50051-H50879
EnglischBem:
? 07000-72065 • O-RING 1
SN: H50051-H50879
EnglischBem: (K1)
? 01010-81225 • BOLT 2
SN: H50051-H50879
EnglischBem:
? 23S-15-18180 • GAUGE 1
SN: H50051-H50879
EnglischBem:
? 714-07-28550 • COVER 1
SN: H50051-H50879
EnglischBem:
? 714-07-38180 • TUBE 1
SN: H50051-H50879
EnglischBem:
? 01011-81000 • BOLT 1
SN: H50051-H50879
EnglischBem:
? 01011-81005 • BOLT 1
SN: H50051-H50879
EnglischBem:
? 01643-31032 • WASHER 2
SN: H50051-H50879
EnglischBem:
? 07000-73035 • O-RING 1
SN: H50051-H50879
EnglischBem: (K1)
? 708-8E-16150 • PLUG 1
SN: H50051-H50879
EnglischBem:
? 07002-61023 • O-RING 1
SN: H50051-H50879
EnglischBem: (K1)
? SEE FIG. F4350-51A0
EnglischBem:
F4350-51A0
? SEE FIG. F4350-55A0
EnglischBem:
F4350-55A0

Wheel Loaders Komatsu / WA470-6 S/N H50051 - H50879 / H52001 - Up(wa470_6b) / TRANSMISSION (ACCESSORY) (1/2) (WITH LOCK-UP)(F0-25 : F4350-62A1)
?
?
?
?
?
?
?
?
?
?
?
?
?
?
?
?
?
?
?
?
?
?
?
?
?
?
?