| Номер на схеме | Каталожный номер | Название | Количество | Детали | |||
|---|---|---|---|---|---|---|---|
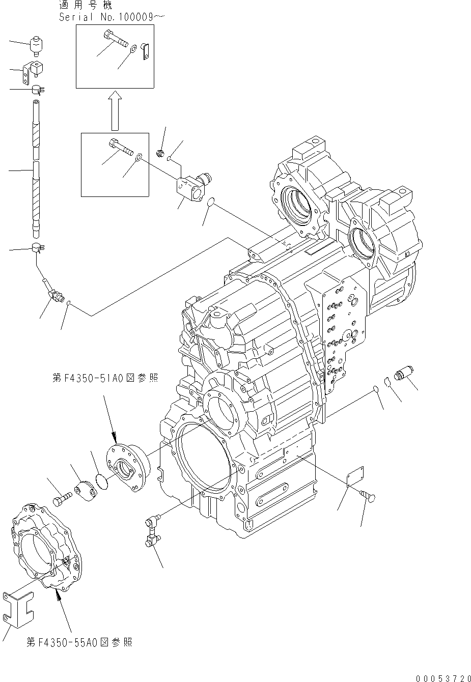
| ? | (421-15-H1761) | TRANSMISSION ASSEMBLY | 1 | SN: H50710-H50879 EnglischBem: H50692, H50699-H50705 |
|||
| ? | (421-15-H1070) | TRANSMISSION ASSEMBLY | 1 | SN: H50051-H50709 EnglischBem: |
|||
| ? | 714-07-38130 | • ELBOW | 1 | SN: H50051-H50879 EnglischBem: |
|||
| ? | 07002-61023 | • O-RING | 1 | SN: H50051-H50879 EnglischBem: (K1) |
|||
| ? | 421-16-41210 | • BLOCK | 1 | SN: H50051-H50879 EnglischBem: |
|||
| ? | 421-16-41220 | • HOSE | 1 | SN: H50051-H50879 EnglischBem: |
|||
| ? | 11Y-09-11140 | • CLIP | 2 | SN: H50051-H50879 EnglischBem: |
|||
| ? | 07030-00252 | • BREATHER | 1 | SN: H50051-H50879 EnglischBem: |
|||
| ? | 419-15-18241 | • PLUG | 1 | SN: H50051-H50879 EnglischBem: |
|||
| ? | 07002-62434 | • O-RING | 1 | SN: H50051-H50879 EnglischBem: (K1) |
|||
| ? | 419-15-18251 | • RING, SNAP | 1 | SN: H50051-H50879 EnglischBem: |
|||
| ? | (★815-02-10110) | • PLATE, NAME | 1 | SN: H50051-H50879 EnglischBem: |
|||
| ? | 419-00-H1590 | • SCREW | 4 | SN: H50051-H50879 EnglischBem: |
|||
| ? | 714-13-11350 | • COVER | 1 | SN: H50051-H50879 EnglischBem: |
|||
| ? | 07000-72065 | • O-RING | 1 | SN: H50051-H50879 EnglischBem: (K1) |
|||
| ? | 01010-81225 | • BOLT | 2 | SN: H50051-H50879 EnglischBem: |
|||
| ? | 23S-15-18180 | • GAUGE | 1 | SN: H50051-H50879 EnglischBem: |
|||
| ? | 714-07-28550 | • COVER | 1 | SN: H50051-H50879 EnglischBem: |
|||
| ? | 714-07-38180 | • TUBE | 1 | SN: H50051-H50879 EnglischBem: |
|||
| ? | 01011-81000 | • BOLT | 1 | SN: H50051-H50879 EnglischBem: |
|||
| ? | 01011-81005 | • BOLT | 1 | SN: H50051-H50879 EnglischBem: |
|||
| ? | 01643-31032 | • WASHER | 2 | SN: H50051-H50879 EnglischBem: |
|||
| ? | 07000-73035 | • O-RING | 1 | SN: H50051-H50879 EnglischBem: (K1) |
|||
| ? | 708-8E-16150 | • PLUG | 1 | SN: H50051-H50879 EnglischBem: |
|||
| ? | 07002-61023 | • O-RING | 1 | SN: H50051-H50879 EnglischBem: (K1) |
|||
| ? | SEE FIG. F4350-51A0 | EnglischBem: |
F4350-51A0 | ||||
| ? | SEE FIG. F4350-55A0 | EnglischBem: |
F4350-55A0 |