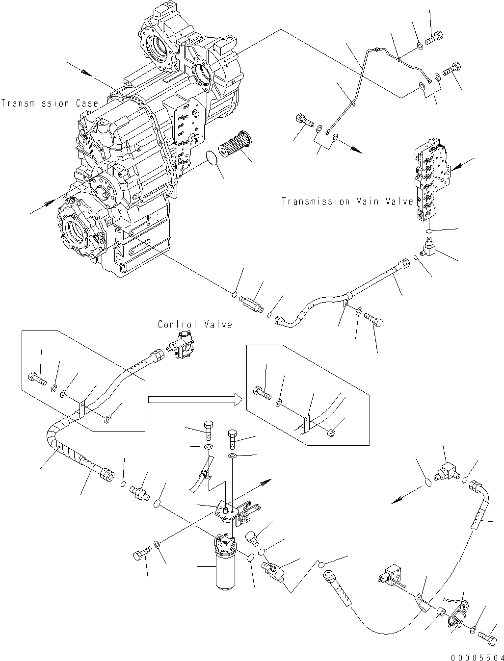
| Номер на схеме | Каталожный номер | Название | Количество | Детали | |||
|---|---|---|---|---|---|---|---|
| ? | (421-15-H1761) | TRANSMISSION ASSEMBLY | 1 | SN: H50710-H50879 EnglischBem: H50692, H50699-H50705 |
|||
| ? | (421-15-H1070) | TRANSMISSION ASSEMBLY | 1 | SN: H50051-H50709 EnglischBem: |
|||
| ? | (421-15-H1771) | TRANSMISSION ASSEMBLY, WITH LOCK-UP | 1 | SN: H50710-H50879 EnglischBem: |
|||
| ? | (421-15-H1060) | TRANSMISSION ASSEMBLY, WITH LOCK-UP | 1 | SN: H50051-H50709 EnglischBem: |
|||
| ? | 56D-15-19311 | • STRAINER | 1 | SN: H50051-H50879 EnglischBem: |
|||
| ? | 07000-75085 | • O-RING | 1 | SN: H50051-H50879 EnglischBem: (K1) |
|||
| ? | 714-07-28100 | • ELBOW | 1 | SN: H50051-H50879 EnglischBem: |
|||
| ? | 07040-11007 | • PLUG | 1 | SN: H50051-H50879 EnglischBem: |
|||
| ? | 07002-61023 | • O-RING | 1 | SN: H50051-H50879 EnglischBem: (K1) |
|||
| ? | 21W-973-4560 | • NIPPLE | 1 | SN: H50051-H50879 EnglischBem: |
|||
| ? | 07002-63334 | • O-RING | 2 | SN: H50051-H50879 EnglischBem: (K1) |
|||
| ? | 02896-61018 | • O-RING | 2 | SN: H50051-H50879 EnglischBem: (K1) |
|||
| ? | 714-07-28702 | • FILTER ASSEMBLY | 1 | SN: H50051-H50879 EnglischBem: |
|||
| ? | 714-07-28712 | • • CARTRIDGE | 1 | SN: H50051-H50879 EnglischBem: |
|||
| ? | 01016-51030 | • BOLT | 4 | SN: H50051-H50879 EnglischBem: |
|||
| ? | 01643-31032 | • WASHER | 4 | SN: H50051-H50879 EnglischBem: |
|||
| ? | 01010-81016 | • BOLT | 1 | SN: H50051-H50879 EnglischBem: |
|||
| ? | 01643-31032 | • WASHER | 1 | SN: H50051-H50879 EnglischBem: |
|||
| ? | 714-07-38751 | • SUPPORT | 1 | SN: H50051-H50879 EnglischBem: |
|||
| ? | 01010-81230 | • BOLT | 3 | SN: H50051-H50879 EnglischBem: |
|||
| ? | 01643-31232 | • WASHER | 3 | SN: H50051-H50879 EnglischBem: |
|||
| ? | 714-07-38811 | • HOSE | 1 | SN: H50710-H50879 EnglischBem: |
|||
| ? | □714-07-38810 | • HOSE | 1 | SN: H50051-H50709 EnglischBem: |
|||
| ? | 21U-62-34760 | • • BAND, RED | 2 | SN: H50051-H50879 EnglischBem: |
|||
| ? | 04434-52511 | • CLIP | 1 | SN: H50051-H50879 EnglischBem: |
|||
| ? | 01016-51035 | • BOLT | 1 | SN: H50051-H50879 EnglischBem: |
|||
| ? | 01643-31032 | • WASHER | 1 | SN: H50051-H50879 EnglischBem: |
|||
| ? | 02782-10628 | • ELBOW | 1 | SN: H50051-H50879 EnglischBem: |
|||
| ? | 02896-61018 | • O-RING | 1 | SN: H50051-H50879 EnglischBem: (K1) |
|||
| ? | 07002-62434 | • O-RING | 1 | SN: H50051-H50879 EnglischBem: (K1) |
|||
| ? | 714-07-38772 | • HOSE | 1 | SN: H50710-H50879 EnglischBem: |
|||
| ? | □714-07-38771 | • HOSE | 1 | SN: H50051-H50709 EnglischBem: |
|||
| ? | 21U-62-34760 | • • BAND, RED | 2 | SN: H50051-H50879 EnglischBem: |
|||
| ? | 714-07-28780 | • • TUBE | 1 | SN: H50051-H50879 EnglischBem: |
|||
| ? | 04434-52511 | • CLIP | 1 | SN: H50051-H50879 EnglischBem: |
|||
| ? | 01010-81025 | • BOLT | 1 | SN: H50051-H50879 EnglischBem: |
|||
| ? | 01643-31032 | • WASHER | 1 | SN: H50051-H50879 EnglischBem: |
|||
| ? | 714-07-28760 | • SPACER | 1 | SN: H50710-H50879 EnglischBem: |
|||
| ? | 01643-31032 | • WASHER | 2 | SN: H50051-H50709 EnglischBem: |
|||
| ? | 714-07-38891 | • TUBE | 1 | SN: H50051-H50879 EnglischBem: |
|||
| ? | 07206-30710 | • BOLT, JOINT | 3 | SN: H50051-H50879 EnglischBem: |
|||
| ? | 07005-01012 | • GASKET | 6 | SN: H50051-H50879 EnglischBem: (K1) |
|||
| ? | 04434-50610 | • CLIP | 2 | SN: H50051-H50879 EnglischBem: |
|||
| ? | 01010-81020 | • BOLT | 2 | SN: H50051-H50879 EnglischBem: |
|||
| ? | 01643-31032 | • WASHER | 2 | SN: H50051-H50879 EnglischBem: |
|||
| ? | 02782-10311 | • ELBOW | 1 | SN: H50051-H50879 EnglischBem: |
|||
| ? | 07002-61423 | • O-RING | 1 | SN: H50051-H50879 EnglischBem: (K1) |
|||
| ? | 02896-61009 | • O-RING | 1 | SN: H50051-H50879 EnglischBem: (K1) |
|||
| ? | 20U-62-41710 | • NIPPLE | 1 | SN: H50051-H50879 EnglischBem: |
|||
| ? | 07002-61423 | • O-RING | 1 | SN: H50051-H50879 EnglischBem: (K1) |
|||
| ? | 02896-61009 | • O-RING | 1 | SN: H50051-H50879 EnglischBem: (K1) |
|||
| ? | 02766-003A5 | • HOSE | 1 | SN: H50051-H50879 EnglischBem: |
|||
| ? | 04434-51610 | • CLIP | 1 | SN: H50051-H50879 EnglischBem: |
|||
| ? | 01010-81020 | • BOLT | 1 | SN: H50051-H50879 EnglischBem: |
|||
| ? | 01643-31032 | • WASHER | 1 | SN: H50051-H50879 EnglischBem: |
|||
| ? | 195-01-14540 | • COLLAR | 1 | SN: H50051-H50879 EnglischBem: |
|||
| ? | 04434-51610 | • CLIP | 1 | SN: H50051-H50879 EnglischBem: |
|||
| ? | 07095-20211 | • CUSHION | 1 | SN: H50051-H50879 EnglischBem: |