| Номер на схеме | Каталожный номер | Название | Количество | Детали | |||
|---|---|---|---|---|---|---|---|
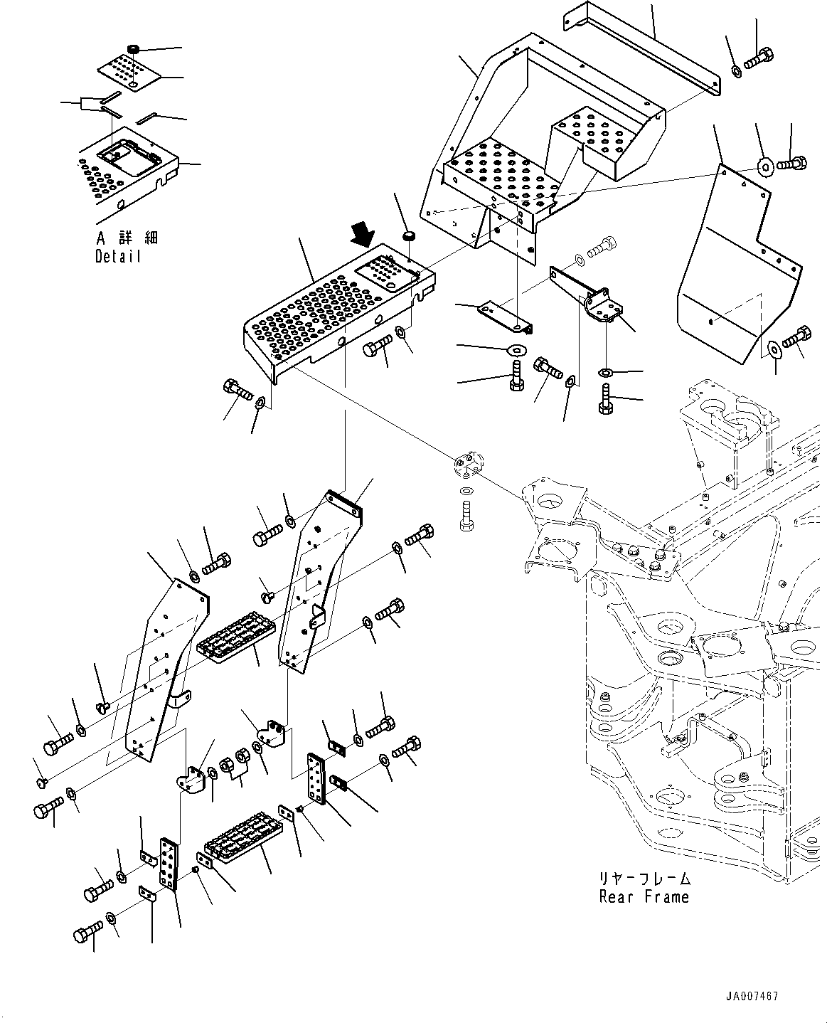
| ? | 423-54-54831 | Floor | 1 | SN: H62051- KIT-FLAG: _- SCC: SERIALNO: H62051- |
|||
| ? | 423-54-44390 | • Hinge, Welded | 2 | SN: H62051- KIT-FLAG: _- SCC: SERIALNO: H62051- |
|||
| ? | 423-54-54841 | Floor | 1 | SN: H62051- KIT-FLAG: _- SCC: SERIALNO: H62051- |
|||
| ? | 01010-D1235 | Bolt | 4 | SN: H62051- KIT-FLAG: _- SCC: SERIALNO: H62051- |
|||
| ? | 01643-71232 | Washer | 4 | SN: H62051- KIT-FLAG: _- SCC: SERIALNO: H62051- |
|||
| ? | 423-54-54870 | Bracket | 1 | SN: H62051- KIT-FLAG: _- SCC: SERIALNO: H62051- |
|||
| ? | 423-54-54880 | Bracket | 1 | SN: H62051- KIT-FLAG: _- SCC: SERIALNO: H62051- |
|||
| ? | 01010-D1230 | Bolt | 2 | SN: H62051- KIT-FLAG: _- SCC: SERIALNO: H62051- |
|||
| ? | 01010-D1230 | Bolt | 2 | SN: H62051- KIT-FLAG: _- SCC: SERIALNO: H62051- |
|||
| ? | 421-03-31590 | Washer | 4 | SN: H62051- KIT-FLAG: _- SCC: SERIALNO: H62051- |
|||
| ? | 01010-D1235 | Bolt | 6 | SN: H62051- KIT-FLAG: _- SCC: SERIALNO: H62051- |
|||
| ? | 01643-71232 | Washer | 6 | SN: H62051- KIT-FLAG: _- SCC: SERIALNO: H62051- |
|||
| ? | 418-54-22190 | Cushion | 3 | SN: H62051- KIT-FLAG: _- SCC: SERIALNO: H62051- |
|||
| ? | 08037-02512 | Grommet | 1 | SN: H62051- KIT-FLAG: _- SCC: SERIALNO: H62051- |
|||
| ? | 423-54-54720 | Cover | 1 | SN: H62051- KIT-FLAG: _- SCC: SERIALNO: H62051- |
|||
| ? | 01010-D1020 | Bolt | 2 | SN: H62051- KIT-FLAG: _- SCC: SERIALNO: H62051- |
|||
| ? | 01643-71032 | Washer | 2 | SN: H62051- KIT-FLAG: _- SCC: SERIALNO: H62051- |
|||
| ? | 09415-00506 | Cap | 1 | SN: H62051- KIT-FLAG: _- SCC: SERIALNO: H62051- |
|||
| ? | 423-54-54220 | Ladder | 1 | SN: H62051- KIT-FLAG: _- SCC: SERIALNO: H62051- |
|||
| ? | 423-54-54270 | Ladder | 1 | SN: H62051- KIT-FLAG: _- SCC: SERIALNO: H62051- |
|||
| ? | 423-54-54971 | Step | 3 | SN: H62051- KIT-FLAG: _- SCC: SERIALNO: H62051- |
|||
| ? | 01010-D1030 | Bolt | 12 | SN: H62051- KIT-FLAG: _- SCC: SERIALNO: H62051- |
|||
| ? | 01643-31032 | Washer | 12 | SN: H62051- KIT-FLAG: _- SCC: SERIALNO: H62051- |
|||
| ? | 01010-D1235 | Bolt | 4 | SN: H62051- KIT-FLAG: _- SCC: SERIALNO: H62051- |
|||
| ? | 01643-71232 | Washer | 4 | SN: H62051- KIT-FLAG: _- SCC: SERIALNO: H62051- |
|||
| ? | 416-54-34230 | Plug | 1 | SN: H62051- KIT-FLAG: _- SCC: SERIALNO: H62051- |
|||
| ? | 22L-46-12150 | Cap | 4 | SN: H62051- KIT-FLAG: _- SCC: SERIALNO: H62051- |
|||
| ? | 423-54-54960 | Sheet | 1 | SN: H62051- KIT-FLAG: _- SCC: SERIALNO: H62051- |
|||
| ? | 01010-D1025 | Bolt | 7 | SN: H62051- KIT-FLAG: _- SCC: SERIALNO: H62051- |
|||
| ? | 421-54-34550 | Washer | 7 | SN: H62051- KIT-FLAG: _- SCC: SERIALNO: H62051- |
|||
| ? | 423-54-54971 | Step | 1 | SN: H62051- KIT-FLAG: _- SCC: SERIALNO: H62051- |
|||
| ? | 423-54-54980 | Bracket | 1 | SN: H62051- KIT-FLAG: _- SCC: SERIALNO: H62051- |
|||
| ? | 423-54-54990 | Bracket | 1 | SN: H62051- KIT-FLAG: _- SCC: SERIALNO: H62051- |
|||
| ? | 01010-D1030 | Bolt | 4 | SN: H62051- KIT-FLAG: _- SCC: SERIALNO: H62051- |
|||
| ? | 01643-31032 | Washer | 4 | SN: H62051- KIT-FLAG: _- SCC: SERIALNO: H62051- |
|||
| ? | 423-54-54260 | Rubber | 2 | SN: H62051- KIT-FLAG: _- SCC: SERIALNO: H62051- |
|||
| ? | 428-T86-1650 | Plate | 4 | SN: H62051- KIT-FLAG: _- SCC: SERIALNO: H62051- |
|||
| ? | 01010-81045 | Bolt | 4 | SN: H62051- KIT-FLAG: _- SCC: SERIALNO: H62051- |
|||
| ? | 01643-31032 | Washer | 4 | SN: H62051- KIT-FLAG: _- SCC: SERIALNO: H62051- |
|||
| ? | 01643-71032 | Washer | 4 | SN: H62051- KIT-FLAG: _- SCC: SERIALNO: H62051- |
|||
| ? | 423-54-54110 | Nut | 4 | SN: H62051- KIT-FLAG: _- SCC: SERIALNO: H62051- |
|||
| ? | 423-54-54240 | Plate | 2 | SN: H62051- KIT-FLAG: _- SCC: SERIALNO: H62051- |
|||
| ? | 423-54-54280 | Spacer | 4 | SN: H62051- KIT-FLAG: _- SCC: SERIALNO: H62051- |
|||
| ? | 01010-D1050 | Bolt | 4 | SN: H62051- KIT-FLAG: _- SCC: SERIALNO: H62051- |
|||
| ? | 01643-31032 | Washer | 4 | SN: H62051- KIT-FLAG: _- SCC: SERIALNO: H62051- |