| Номер на схеме | Каталожный номер | Название | Количество | Детали | |||
|---|---|---|---|---|---|---|---|
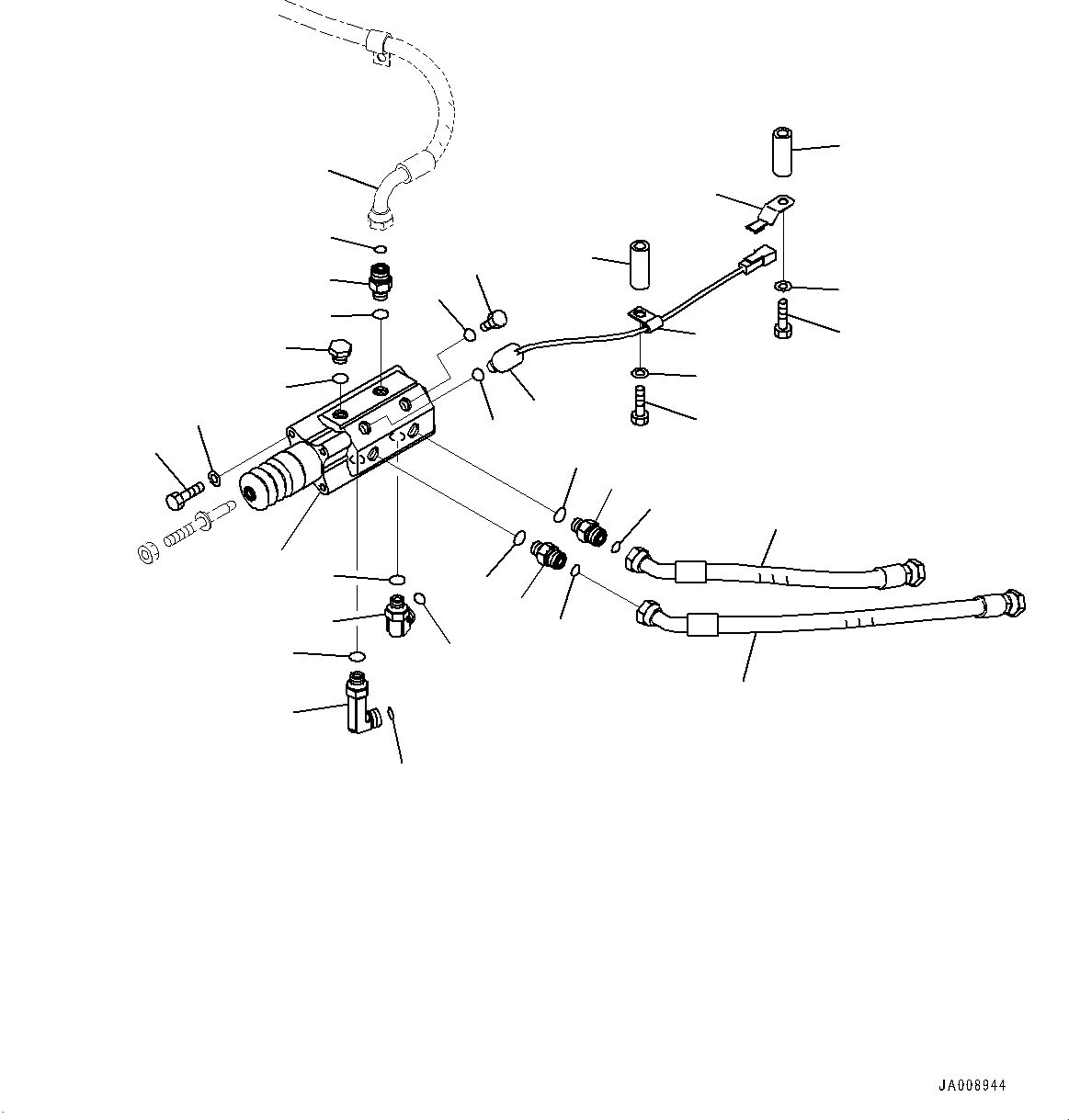
| ? | 423-43-47103 | Valve, Brake | 1 | SN: H62051- KIT-FLAG: _- SCC: SERIALNO: H62051- |
|||
| ? | 01016-50825 | Bolt | 4 | SN: H62051- KIT-FLAG: _- SCC: SERIALNO: H62051- |
|||
| ? | 01643-30823 | Washer | 4 | SN: H62051- KIT-FLAG: _- SCC: SERIALNO: H62051- |
|||
| ? | 423-43-37270 | Union | 1 | SN: H62051- KIT-FLAG: _- SCC: SERIALNO: H62051- |
|||
| ? | 423-43-37270 | Union | 2 | SN: H62051- KIT-FLAG: _- SCC: SERIALNO: H62051- |
|||
| ? | 423-43-37260 | Elbow | 1 | SN: H62051- KIT-FLAG: _- SCC: SERIALNO: H62051- |
|||
| ? | 423-43-47250 | Elbow | 1 | SN: H62051- KIT-FLAG: _- SCC: SERIALNO: H62051- |
|||
| ? | 07002-11623 | O-Ring | 5 | SN: H62051- KIT-FLAG: _- SCC: SERIALNO: H62051- |
|||
| ? | 02896-11012 | O-Ring | 5 | SN: H62051- KIT-FLAG: _- SCC: SERIALNO: H62051- |
|||
| ? | 418-43-37230 | Switch, Pressure | 1 | SN: H62051- KIT-FLAG: _- SCC: SERIALNO: H62051- |
|||
| ? | 07002-11423 | O-Ring | 1 | SN: H62051- KIT-FLAG: _- SCC: SERIALNO: H62051- |
|||
| ? | 07040-11612 | Plug | 1 | SN: H62051- KIT-FLAG: _- SCC: SERIALNO: H62051- |
|||
| ? | 07002-11623 | O-Ring | 1 | SN: H62051- KIT-FLAG: _- SCC: SERIALNO: H62051- |
|||
| ? | 04434-50610 | Clip | 1 | SN: H62051- KIT-FLAG: _- SCC: SERIALNO: H62051- |
|||
| ? | 01010-81070 | Bolt | 1 | SN: H62051- KIT-FLAG: _- SCC: SERIALNO: H62051- |
|||
| ? | 01643-31032 | Washer | 1 | SN: H62051- KIT-FLAG: _- SCC: SERIALNO: H62051- |
|||
| ? | 423-54-55380 | Spacer | 1 | SN: H62051- KIT-FLAG: _- SCC: SERIALNO: H62051- |
|||
| ? | 07040-11409 | Plug | 1 | SN: H62051- KIT-FLAG: _- SCC: SERIALNO: H62051- |
|||
| ? | 07002-11423 | O-Ring | 1 | SN: H62051- KIT-FLAG: _- SCC: SERIALNO: H62051- |
|||
| ? | 423-43-51150 | Hose | 1 | SN: H62051- KIT-FLAG: _- SCC: SERIALNO: H62051- |
|||
| ? | 423-43-51160 | Hose | 1 | SN: H62051- KIT-FLAG: _- SCC: SERIALNO: H62051- |
|||
| ? | 08193-20010 | Clip | 1 | SN: H62051- KIT-FLAG: _- SCC: SERIALNO: H62051- |
|||
| ? | 423-54-55380 | Spacer | 1 | SN: H62051- KIT-FLAG: _- SCC: SERIALNO: H62051- |
|||
| ? | 01010-81070 | Bolt | 1 | SN: H62051- KIT-FLAG: _- SCC: SERIALNO: H62051- |
|||
| ? | 01643-31032 | Washer | 1 | SN: H62051- KIT-FLAG: _- SCC: SERIALNO: H62051- |
|||
| ? | (423-43-51250) | Hose | KIT-FLAG: _- SCC: SERIALNO: - |
K4460-001010 |