| Номер на схеме | Каталожный номер | Название | Количество | Детали | |||
|---|---|---|---|---|---|---|---|
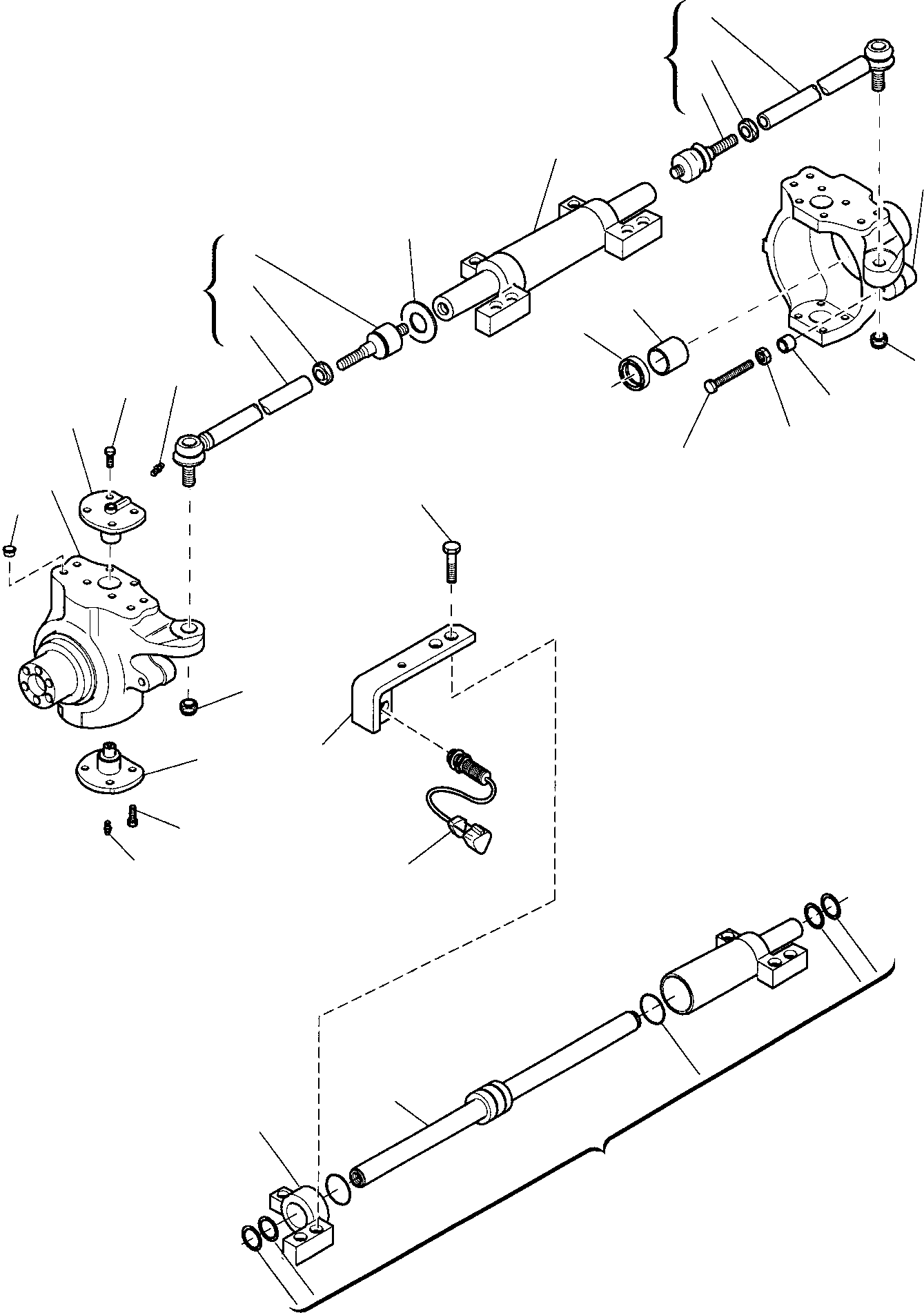
| ? | (200040629) | FRONT AXLE, ASSY | 1 | FASN: 101- |
|||
| ? | CA0024210 | • GREASER NIPPLE | 4 | FASN: 101- |
|||
| ? | CA0126923 | • BOLT | 16 | FASN: 101- |
|||
| ? | CA0130631 | • KING PIN | 2 | FASN: 101- |
|||
| ? | CA0138930 | • SWIVEL HOUSING | 1 | FASN: 101- |
|||
| ? | CA0030755 | • PLUG | 8 | FASN: 101- |
|||
| ? | CA0130632 | • KING PIN | 2 | FASN: 101- |
|||
| ? | CA0022446 | • NUT | 2 | FASN: 101- |
|||
| ? | CA0140921 | • STEERING ARM ASSY | 2 | FASN: 101- |
|||
| ? | CA0351504 | • • BALL JOINT | 1 | FASN: 101- |
|||
| ? | CA0070787 | • • NUT | 1 | FASN: 101- |
|||
| ? | CA0351968 | • • TIE ROD | 1 | FASN: 101- |
|||
| ? | CA0139103 | • WASHER | 1 | FASN: 101- |
|||
| ? | CA0137955 | • STEERING CYLINDER | 1 | FASN: 101- |
|||
| ? | CA0138931 | • SWIVEL HOUSING RH | 1 | FASN: 101- |
|||
| ? | CA0125235 | • SEAL RING | 2 | FASN: 101- |
|||
| ? | CA0125161 | • BUSH | 2 | FASN: 101- |
|||
| ? | CA0124748 | • BOLT | 4 | FASN: 101- |
|||
| ? | CA0022129 | • NUT | 4 | FASN: 101- |
|||
| ? | CA0128278 | • BUSH | 4 | FASN: 101- |
|||
| ? | CA0021231 | • BOLT | 6 | FASN: 101- |
|||
| ? | CA0139105 | • BRACKET | 1 | FASN: 101- |
|||
| ? | CA0139107 | • SENSOR | 1 | FASN: 101- |
|||
| ? | CA0049082 | • CYLINDER HEAD | 2 | FASN: 101- |
|||
| ? | CA0049081 | • ROD | 1 | FASN: 101- |
|||
| ? | CA0049080 | • SEAL KIT | 1 | FASN: 101- |