k-part
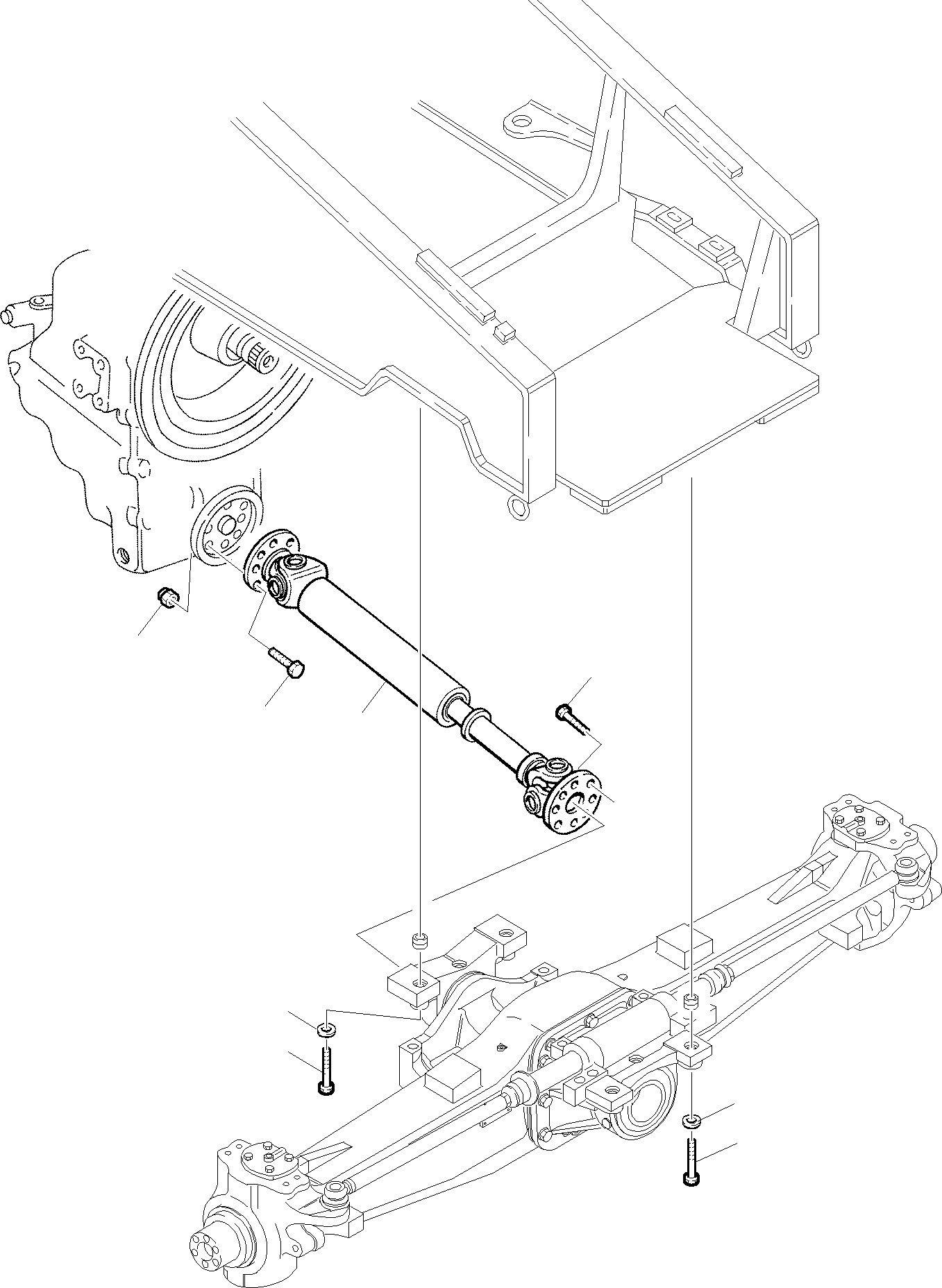
Номер на схеме Каталожный номер Название Количество Детали
? 801015657 BOLT 4
SN: 150EF80001-
? 802170007 WASHER 4
SN: 150EF80001-
? 312606055 SHAFT 1
SN: 150EF80001-
? 801025031 BOLT 8
SN: 150EF80001-
? 801015556 BOLT 8
SN: 150EF80001-
? 801880001 SELF-LOCKING NUT 8
SN: 150EF80001-

Backhoeloaders Komatsu / WB150WSC-2 S/N 150EF80001-Up(wb150wsc) / FRONT PROPELLER SHAFT AND FRONT AXLE FIXING(C-0030 : 3200)
?
?
?
?
?
?
?
?