| Номер на схеме | Каталожный номер | Название | Количество | Детали | |||
|---|---|---|---|---|---|---|---|
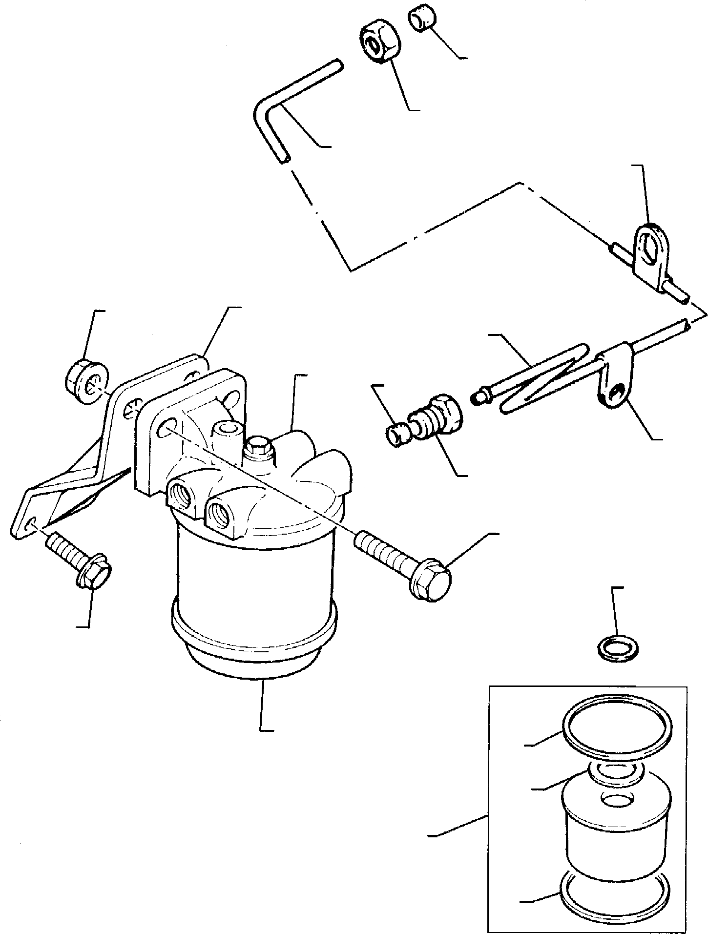
| ? | PK2656615 | FUEL FILTER, ASSY. | 1 | ENSN: U606731W- |
|||
| ? | P26560016 | • WASHER | 1 | ENSN: U606731W- |
|||
| ? | P26560601 | • BOWL | 1 | ENSN: U606731W- |
|||
| ? | P2318A604 | NUT | 2 | ENSN: U606731W- |
|||
| ? | P2314J002 | SCREW | 2 | ENSN: U606731W- |
|||
| ? | P3831E006 | BRACKET | 1 | ENSN: U606731W- |
|||
| ? | P26560017 | KIT, ELEMENT | A/R | ENSN: U606731W- |
A | ||
| ? | P26561117 | KIT, ELEMENT | A/R | ENSN: U606731W- |
B | ||
| ? | PK0490786 | • GASKET | 1 | ENSN: U606731W- |
|||
| ? | PK0490786 | • GASKET | 1 | ENSN: U606731W- |
|||
| ? | P26560014 | • SEAL, OIL | 1 | ENSN: U606731W- |
|||
| ? | P2314J004 | SCREW | 2 | ENSN: U606731W- |
|||
| ? | P4124E029 | PIPE, FUEL | 1 | ENSN: U606731W- |
|||
| ? | P33532148 | • NUT | 1 | ENSN: U606731W- |
|||
| ? | P3381A002 | • COTTER | 1 | ENSN: U606731W- |
|||
| ? | P36564121 | • HOSE-CLAMP | 1 | ENSN: U606731W- |
|||
| ? | P3656M001 | • HOSE-CLAMP | 1 | ENSN: U606731W- |
|||
| ? | P33225412 | NUT | 1 | ENSN: U606731W- |
|||
| ? | P33811112 | SLEEVE | 1 | ENSN: U606731W- |