| Номер на схеме | Каталожный номер | Название | Количество | Детали | |||
|---|---|---|---|---|---|---|---|
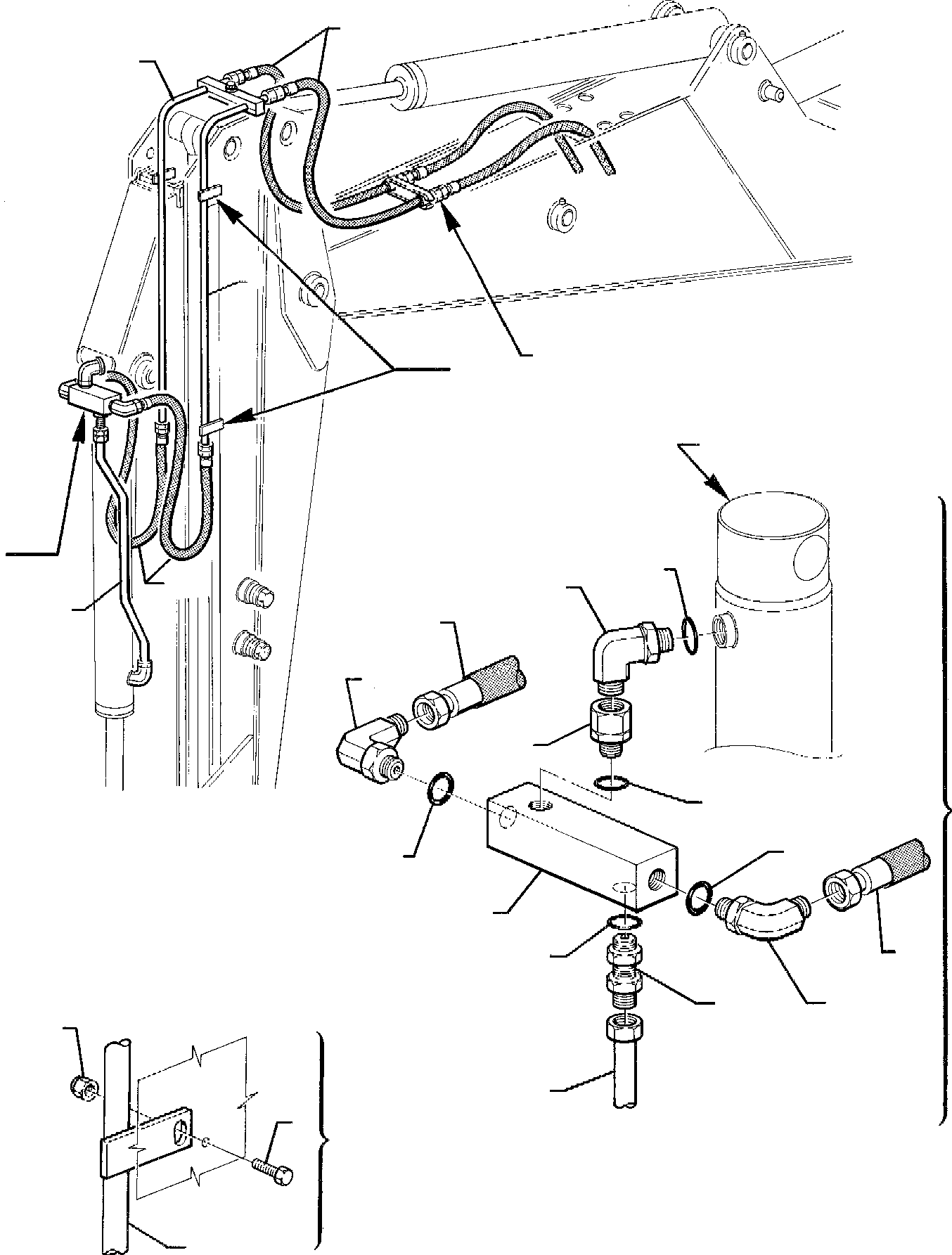
| ? | 392074005 | HOSE | 4 | SN: 8901442- |
|||
| ? | 312339050 | PIPE | 1 | SN: 8901442- |
|||
| ? | 312339051 | PIPE | 1 | SN: 8901442- |
|||
| ? | 312339063 | PIPE | 1 | SN: 8901442- |
|||
| ? | 801014095 | BOLT | 4 | SN: 8901442- |
|||
| ? | 801852210 | NUT | 4 | SN: 8901442- |
|||
| ? | 312339612 | BLOCK | 1 | SN: 8901442- |
|||
| ? | 500352101 | ELBOW | 2 | SN: 8901442- |
|||
| ? | 855051617 | • O-RING | 1 | SN: 8901442- |
|||
| ? | 500358120 | ELBOW | 1 | SN: 8901442- |
|||
| ? | 855051617 | • O-RING | 1 | SN: 8901442- |
|||
| ? | 500352105 | ELBOW | 1 | SN: 8901442- |
|||
| ? | 855051617 | • O-RING | 1 | SN: 8901442- |
|||
| ? | 312339611 | UNION | 1 | SN: 8901442- |
|||
| ? | 855051617 | • O-RING | 1 | SN: 8901442- |
|||
| ? | SEE FIG. 6740 | 6740 | |||||
| ? | SEE FIG. 7220 | 7220 |