| Номер на схеме | Каталожный номер | Название | Количество | Детали | |||
|---|---|---|---|---|---|---|---|
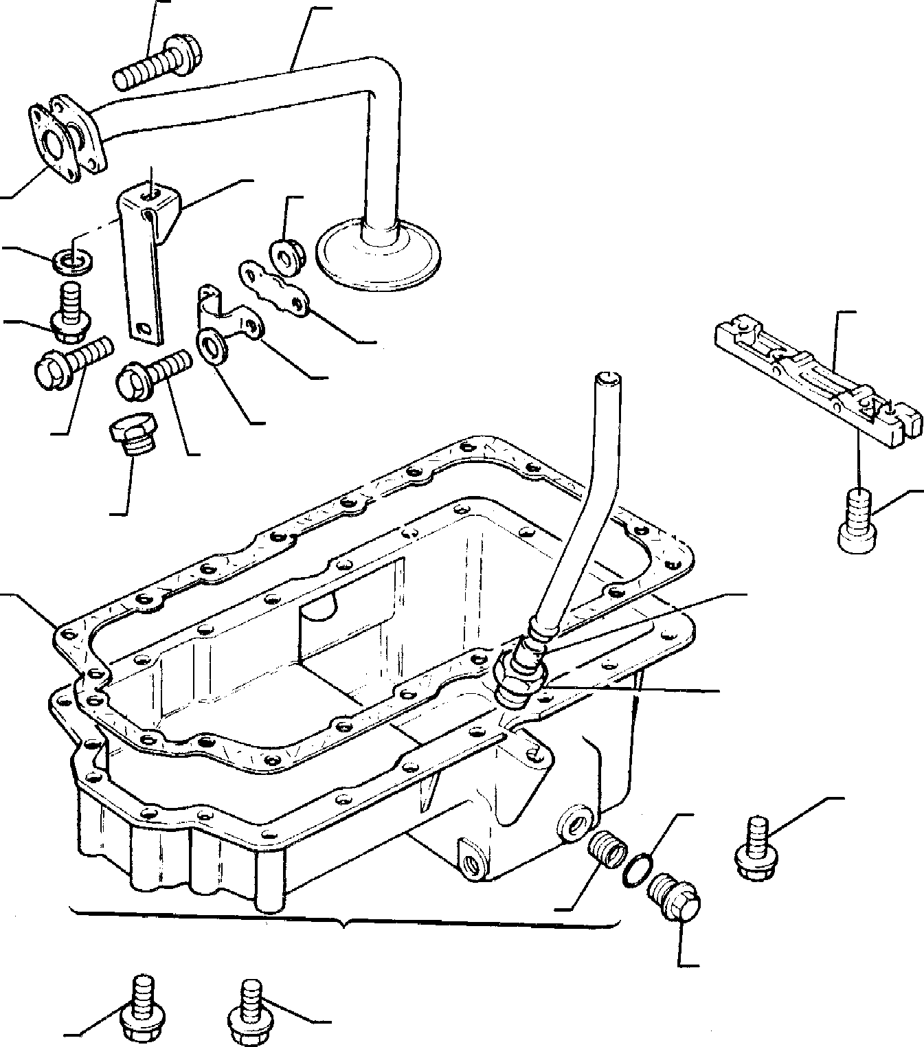
| ? | P4145H036 | OIL PAN | 1 | ENSN: U690785A-; U606731W- |
|||
| ? | PK2137435 | • INSERT | 2 | ENSN: U606731W- |
|||
| ? | P32186405 | PLUG | 2 | ENSN: U606731W- |
|||
| ? | PK2415715 | O-RING | 2 | ENSN: U606731W-U690784A; U606731W- |
|||
| ? | P36815705 | GASKET | 1 | ENSN: U690785A-; U606731W- |
|||
| ? | P3627P021 | BRIDGE PIECE | 1 | ENSN: U606731W- |
|||
| ? | P2311D039 | SCREW | 2 | ENSN: U606731W- |
|||
| ? | P2314K166 | SCREW | 6 | ENSN: U606731W- |
|||
| ? | P2314H003 | BOLT | 12 | ENSN: U606731W- |
|||
| ? | P3575A046 | PIPE, OIL | 1 | ENSN: U606731W- |
|||
| ? | P36832118 | GASKET | 1 | ENSN: U606731W- |
|||
| ? | P2314H007 | SCREW | 2 | ENSN: U606731W- |
|||
| ? | P3577A121 | PIPE | 1 | ENSN: U606731W-U690784A |
A | ||
| ? | P3577A128 | PIPE | 1 | ENSN: U690785A- |
B | ||
| ? | P3353D005 | • NUT | 1 | ENSN: U606731W-U690784A; U606731W- |
|||
| ? | P33812116 | COTTER | 1 | ENSN: U606731W- |
|||
| ? | P3821D012 | BRACKET | 1 | ENSN: U606731W- |
|||
| ? | P2314H002 | SCREW | 1 | ENSN: U606731W- |
|||
| ? | PK0920484 | WASHER | 1 | ENSN: U606731W- |
|||
| ? | P3661C002 | HOSE-CLAMP | 1 | ENSN: U606731W- |
|||
| ? | P3661V002 | PLATE | 1 | ENSN: U606731W- |
|||
| ? | P2314F004 | SCREW | 1 | ENSN: U606731W- |
|||
| ? | P2314F002 | SCREW | 1 | ENSN: U606731W- |
|||
| ? | P2318A602 | NUT | 2 | ENSN: U606731W- |
|||
| ? | P2131A006 | WASHER | 1 | ENSN: U606731W- |
|||
| ? | P3218K301 | PLUG | 1 | ENSN: U606731W- |
A | ||
| ? | P2431A016 | PLUG | 1 | ENSN: U606731W- |
B | ||
| ? | P2314H033 | SCREW | 2 | ENSN: U606731W- |
|||
| ? | P3178C632 | DIPSTICK | 1 | ENSN: U606731W-U690784A |
A | ||
| ? | P3178C078 | DIPSTICK | 1 | ENSN: U690785A-; U690785A- |
B |