k-part
Номер на схеме Каталожный номер Название Количество Детали
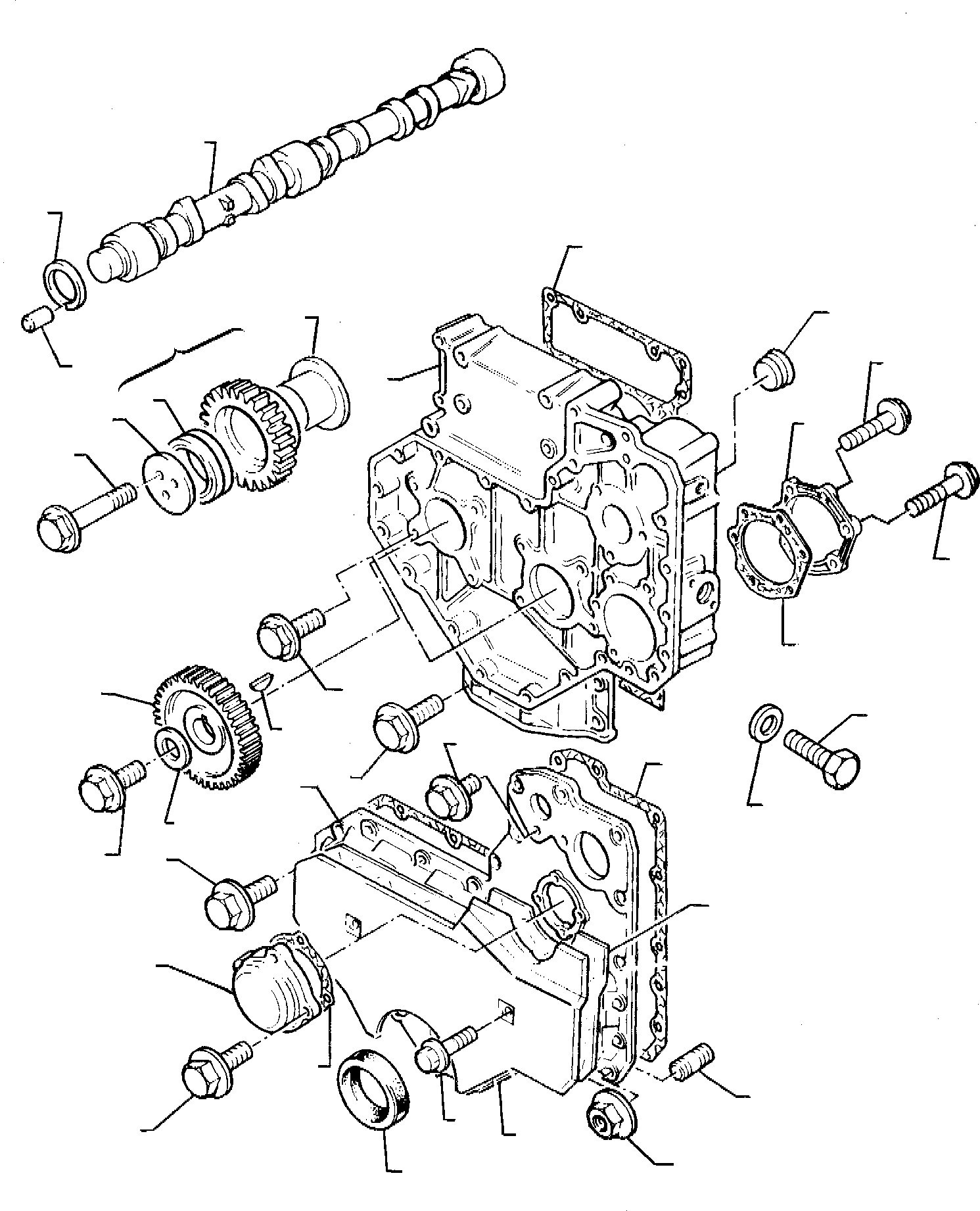
? P3716C046 HOUSING ASSY., GEAR 1
ENSN: U606731W-
? P3681P002 GASKET 1
ENSN: U606731W-
? P2314H003 BOLT 8
ENSN: U606731W-
? P2314H034 SCREW 4
ENSN: U606731W-
? P31415361 CAMSHAFT 1
ENSN: U606731W-
? P33153121 WASHER 1
ENSN: U606731W-
? PK2116053 PIN 1
ENSN: U606731W-
? P3117L011 GEAR 1
ENSN: U606731W-
? PK0500012 KEY 1
ENSN: U606731W-
? P2314J603 SCREW 1
ENSN: U606731W-
? P3321A003 WASHER 1
ENSN: U606731W-
? P33426161 HUB 1
ENSN: U606731W-
? P41115023 IDLE GEAR, ASSY. 1
ENSN: U606731W-
? PK0050345 • BUSHING 1
ENSN: U606731W-
? PK0941082 PLATE 1
ENSN: U606731W-
? P2314J010 SCREW 3
ENSN: U606731W-
? P4142A143 COVER 1
ENSN: U606731W-
? P2418F436 • SEAL, OIL 1
ENSN: U606731W-
? P3681P019 GASKET 1
ENSN: U606731W-
? P2314H013 SCREW 6
ENSN: U606731W-
? P3687H003 GASKET 1
ENSN: U606731W-
? P2314H004 BOLT 7
ENSN: U606731W-
? P2313M058 STUD 2
ENSN: U606731W-
? P2318A603 NUT 2
ENSN: U606731W-
? P3753R111 INSPECTION COVER 1
ENSN: U606731W-
? P3682H002 GASKET 1
ENSN: U606731W-
? P2314F036 SCREW 4
ENSN: U606731W-
? P3781N006 PROTECTION 1
ENSN: U606731W-
? P3781N005 DAMPER 1
ENSN: U606731W-
? P2314F003 SCREW 2
ENSN: U606731W-
? P3753R121 PLATE 1
ENSN: U606731W-
? P2314H034 SCREW 5
ENSN: U606731W-
? P2314J004 SCREW 1
ENSN: U606731W-
? PK0920155 WASHER 1
ENSN: U606731W-
? P2314C048 PLUG 1
ENSN: U606731W-
? PK2431154 PLUG 1
ENSN: U606731W-

Backhoeloaders Komatsu / WB95R-1 WB97R-1 S/N 8901442-Up(wb9597r1) / TIMING GEAR AND CAMSHAFT (ASPIRATED ENGINE)(A-0130 : 0205)
?
?
?
?
?
?
?
?
?
?
?
?
?
?
?
?
?
?
?
?
?
?
?
?
?
?
?
?
?
?
?
?
?
?
?
?