k-part
Номер на схеме Каталожный номер Название Количество Детали
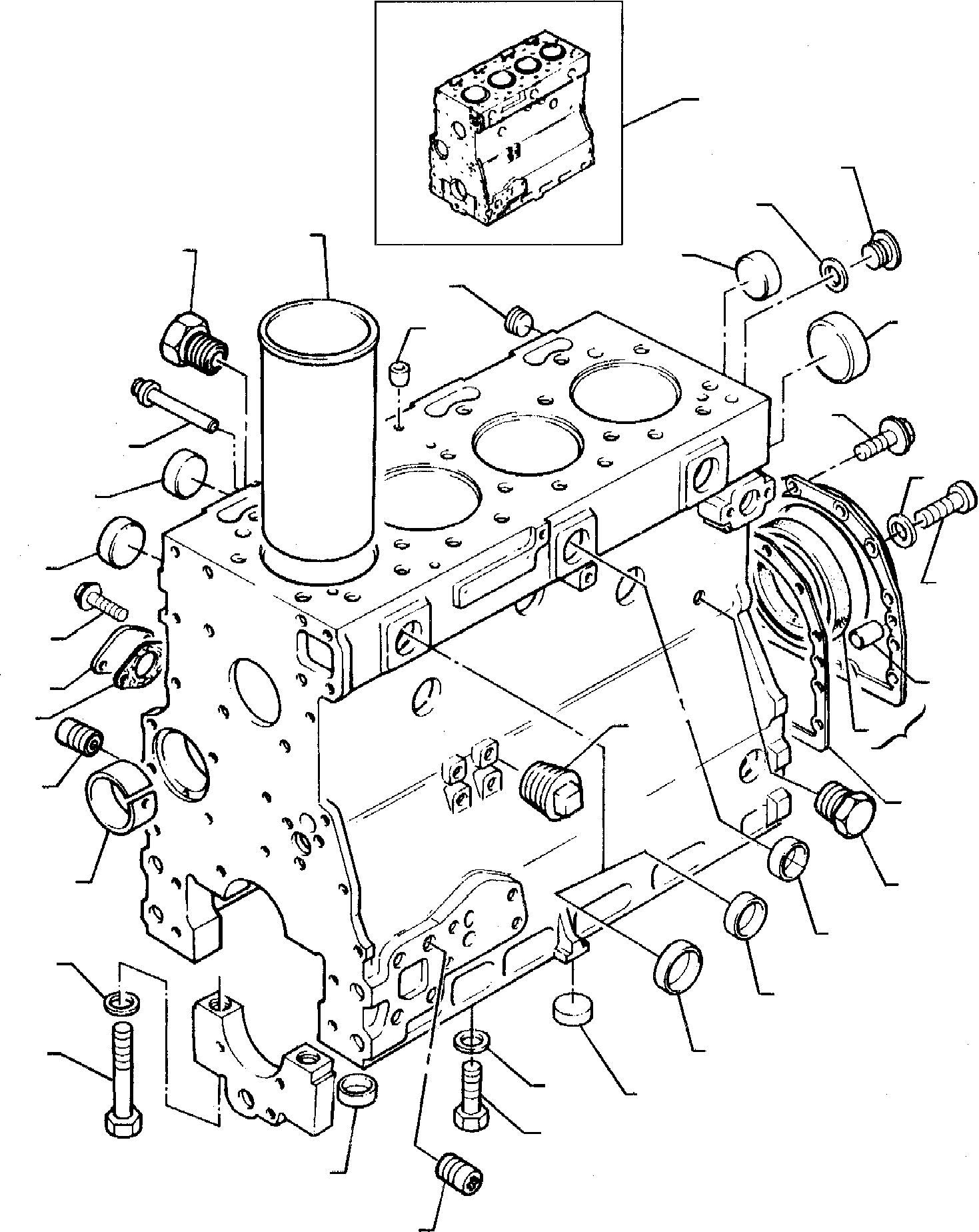
? 871120117 ASPIRATED ENGINE 1
ENSN: U606731W-
? PKZZ50064 KIT, CYLINDER BLOCK 1
ENSN: U606731W-
? PK0650582 • PLUG 1
ENSN: U606731W-
? P3311R003 • WASHER 1
ENSN: U606731W-
? P3135X042 • LINER 4
ENSN: U606731W-
? PK0650710 • PLUG 5
ENSN: U606731W-
? PK0650713 • PLUG 2
ENSN: U606731W-
? PK0650710 • PLUG 1
ENSN: U606731W-
? PK0650588 • PLUG 1
ENSN: U606731W-
? P33142111 • SLEEVE, GOVERNOR 10
ENSN: U606731W-
? P32166329 • BOLT 10
ENSN: U606731W-
? P33121421 • WASHER 10
ENSN: U606731W-
? P31134164 • BUSHING 1
ENSN: U606731W-
? P32418122 • PLUG 4
ENSN: U606731W-
? P32418122 • PLUG 2
ENSN: U606731W-
? PK2182110 • SCREW 4
ENSN: U606731W-
? PK0920469 • SPACER 4
ENSN: U606731W-
? P32417117 PLUG 1
ENSN: U606731W-
? P32418122 PLUG 4
ENSN: U606731W-
? P32416117 PLUG 1
ENSN: U606731W-
? P2485A204 PLUG 1
ENSN: U606731W-
? P32417134 PLUG 1
ENSN: U606731W-
? P4142V064 HOUSING 1
ENSN: U606731W-
? P2418F475 • SEAL, OIL 1
ENSN: U606731W-
? P36817157 GASKET 1
ENSN: U606731W-
? P2314H003 BOLT 10
ENSN: U606731W-
? P2311D060 SCREW 2
ENSN: U606731W-
? P33112111 WASHER 2
ENSN: U606731W-
? PK0350009 DOWEL 2
ENSN: U606731W-
? P36171131 PLATE 1
ENSN: U606731W-
? PK0490474 GASKET 1
ENSN: U606731W-
? P2314H032 SCREW 2
ENSN: U606731W-
? P32161114 PLUG 2
ENSN: U606731W-
? P3211P002 PLUG 4
ENSN: U606731W-
? PK0650594 PLUG 1
ENSN: U606731W-

Backhoeloaders Komatsu / WB95R-1 WB97R-1 S/N 8901442-Up(wb9597r1) / CYLINDER BLOCK (ASPIRATED ENGINE)(A-0110 : 0201)
?
?
?
?
?
?
?
?
?
?
?
?
?
?
?
?
?
?
?
?
?
?
?
?
?
?
?
?
?
?
?
?
?
?
?
?