| Номер на схеме | Каталожный номер | Название | Количество | Детали | |||
|---|---|---|---|---|---|---|---|
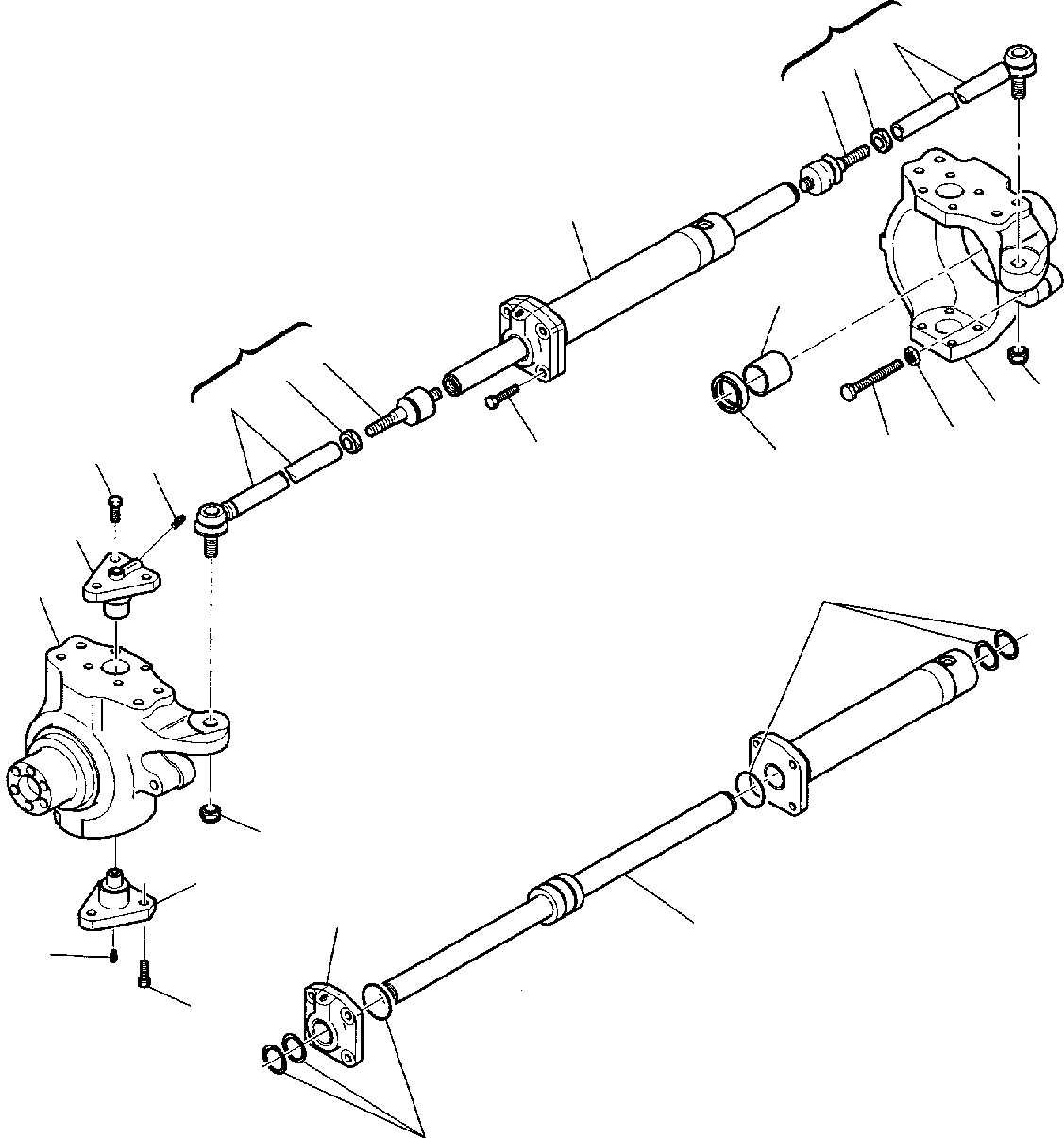
| ? | (200040634) | FRONT AXLE, ASSY | 1 | SN: 101- |
|||
| ? | CA0140265 | • STERING ARM ASSY | 2 | SN: 101- |
|||
| ? | CA0350878 | • • SPHERICAL JOINT | 1 | SN: 101- |
|||
| ? | CA0070787 | • • NUT | 1 | SN: 101- |
|||
| ? | CA0351887 | • • LINK | 1 | SN: 101- |
|||
| ? | CA0139495 | • JACK | 1 | SN: 101- |
|||
| ? | CA0128534 | • BOLT | 4 | SN: 101- |
|||
| ? | CA0024210 | • FITTING | 2 | SN: 101- |
|||
| ? | CA0126922 | • BOLT | 12 | SN: 101- |
|||
| ? | CA0128880 | • KING PIN | 2 | SN: 101- |
|||
| ? | CA0138721 | • SWIVEL HOUSING, L.H. | 1 | SN: 101- |
|||
| ? | CA0022431 | • NUT | 2 | SN: 101- |
|||
| ? | CA0128881 | • KING PIN | 2 | SN: 101- |
|||
| ? | CA0024211 | • FITTING | 2 | SN: 101- |
|||
| ? | CA0138720 | • SWIVEL HOUSING | 1 | SN: 101- |
|||
| ? | CA0022129 | • NUT | 2 | SN: 101- |
|||
| ? | CA0124748 | • BOLT | 2 | SN: 101- |
|||
| ? | CA0109972 | • BUSH | 2 | SN: 101- |
|||
| ? | CA0049084 | • CYLINDER HEAD | 1 | SN: 101- |
|||
| ? | CA0049210 | • GASKET KIT | 1 | SN: 101- |
|||
| ? | CA0116722 | • SEAL | 2 | SN: 101- |
|||
| ? | CA0049083 | • ROD | 1 | SN: 101- |