| Номер на схеме | Каталожный номер | Название | Количество | Детали | |||
|---|---|---|---|---|---|---|---|
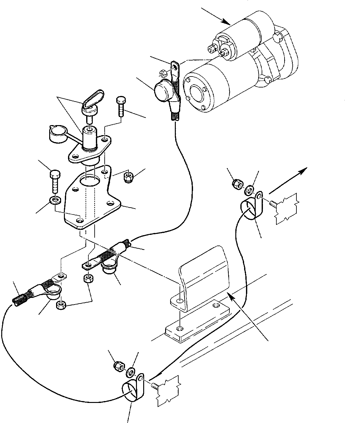
| ? | 885081152 | SWITCH | 1 | SN: 150F50020- |
|||
| ? | 801015066 | BOLT | 2 | SN: 150F50020- |
|||
| ? | 801880206 | WASHER | 2 | SN: 150F50020- |
|||
| ? | 312612610 | SWITCH SUPPORT | 1 | SN: 150F50020- |
|||
| ? | 801015087 | BOLT | 2 | SN: 150F50020- |
|||
| ? | 802170001 | WASHER | 2 | SN: 150F50020- |
|||
| ? | 312612088 | TERMINAL (+), ASSY | 1 | SN: 150F50020- |
|||
| ? | 885411438 | • COVER | 2 | SN: 150F50020- |
|||
| ? | 885220017 | PROTECTION | 1 | SN: 150F50020- |
|||
| ? | 802660508 | CLAMP | 1 | SN: 150F50020- |
|||
| ? | 801880208 | SELF-LOCKING NUT | 3 | SN: 150F50020- |
|||
| ? | 802170001 | WASHER | 3 | SN: 150F50020- |
|||
| ? | 885411438 | COVER | 1 | SN: 150F50020- |
|||
| ? | 802660506 | CLAMP | 2 | SN: 150F50020- |
|||
| ? | SEE FIG. 0611 | 0611 | |||||
| ? | SEE FIG. 1520 | 1520 | |||||
| ? | SEE FIG. 5000 | 5000 |