| Номер на схеме | Каталожный номер | Название | Количество | Детали | |||
|---|---|---|---|---|---|---|---|
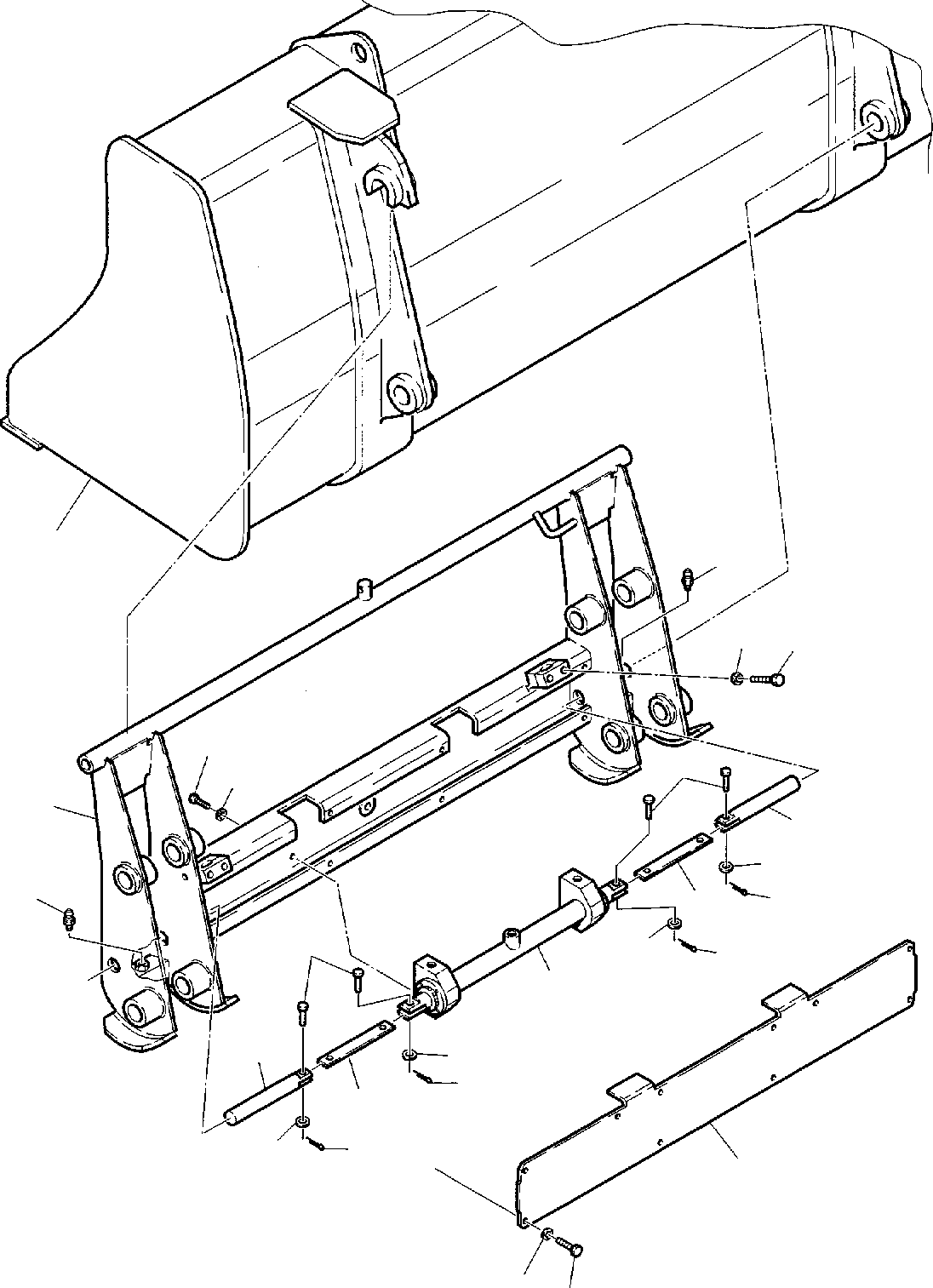
| ? | (312630060) | BUCKET | 1 | SN: 150F50020- |
|||
| ? | 312630059 | FRAME | 1 | SN: 150F50020- |
|||
| ? | 860010007 | FITTING | 2 | SN: 150F50020- |
|||
| ? | 312630648 | PIN | 2 | SN: 150F50020- |
|||
| ? | 500327217 | PIN | 4 | SN: 150F50020- |
|||
| ? | 802040029 | WASHER | 4 | SN: 150F50020- |
|||
| ? | 802610073 | COTTER | 4 | SN: 150F50020- |
|||
| ? | 500014695 | LEVER | 2 | SN: 150F50020- |
|||
| ? | 200060282 | JACK | 1 | SN: 150F50020- |
|||
| ? | 801015110 | BOLT | 4 | SN: 150F50020- |
|||
| ? | 802150510 | WASHER | 4 | SN: 150F50020- |
|||
| ? | 801015090 | BOLT | 4 | SN: 150F50020- |
|||
| ? | 802150508 | WASHER | 4 | SN: 150F50020- |
|||
| ? | 312630647 | CLOSURE | 1 | SN: 150F50020- |
|||
| ? | 801015086 | BOLT | 8 | SN: 150F50020- |
|||
| ? | 802120008 | SPRING WASHER | 8 | SN: 150F50020- |