| Номер на схеме | Каталожный номер | Название | Количество | Детали | |||
|---|---|---|---|---|---|---|---|
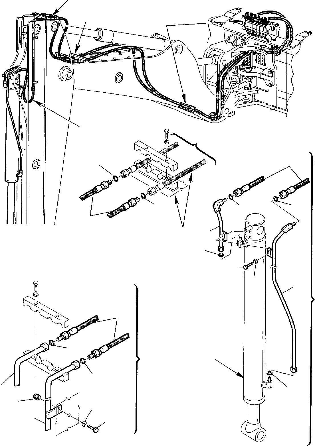
| ? | 312739067 | PIPE | 1 | SN: 150F50020- |
|||
| ? | 855051016 | O-RING | 6 | SN: 150F50020- |
|||
| ? | 312739066 | PIPE | 1 | SN: 150F50020- |
|||
| ? | 392860009 | HOSE | 2 | SN: 150F50020- |
|||
| ? | 312739055 | PIPE, R.H. | 1 | SN: 150F50020- |
|||
| ? | 312739056 | PIPE, L.H. | 1 | SN: 150F50020- |
|||
| ? | 801015111 | BOLT | 4 | SN: 150F50020- |
|||
| ? | 801880001 | SELF-LOCKING NUT | 4 | SN: 150F50020- |
|||
| ? | 802170002 | WASHER | 4 | SN: 150F50020- |
|||
| ? | 392862001 | HOSE | 2 | SN: 150F50020- |
|||
| ? | 855051016 | • O-RING | 2 | SN: 150F50020- |
|||
| ? | 801015108 | BOLT | 1 | SN: 150F50020- |
|||
| ? | 802170002 | WASHER | 1 | SN: 150F50020- |
|||
| ? | SEE FIG. 6740 | 6740 | |||||
| ? | SEE FIG. 6750 | 6750 | |||||
| ? | SEE FIG. 7230 | 7230 |