k-part
Номер на схеме Каталожный номер Название Количество Детали
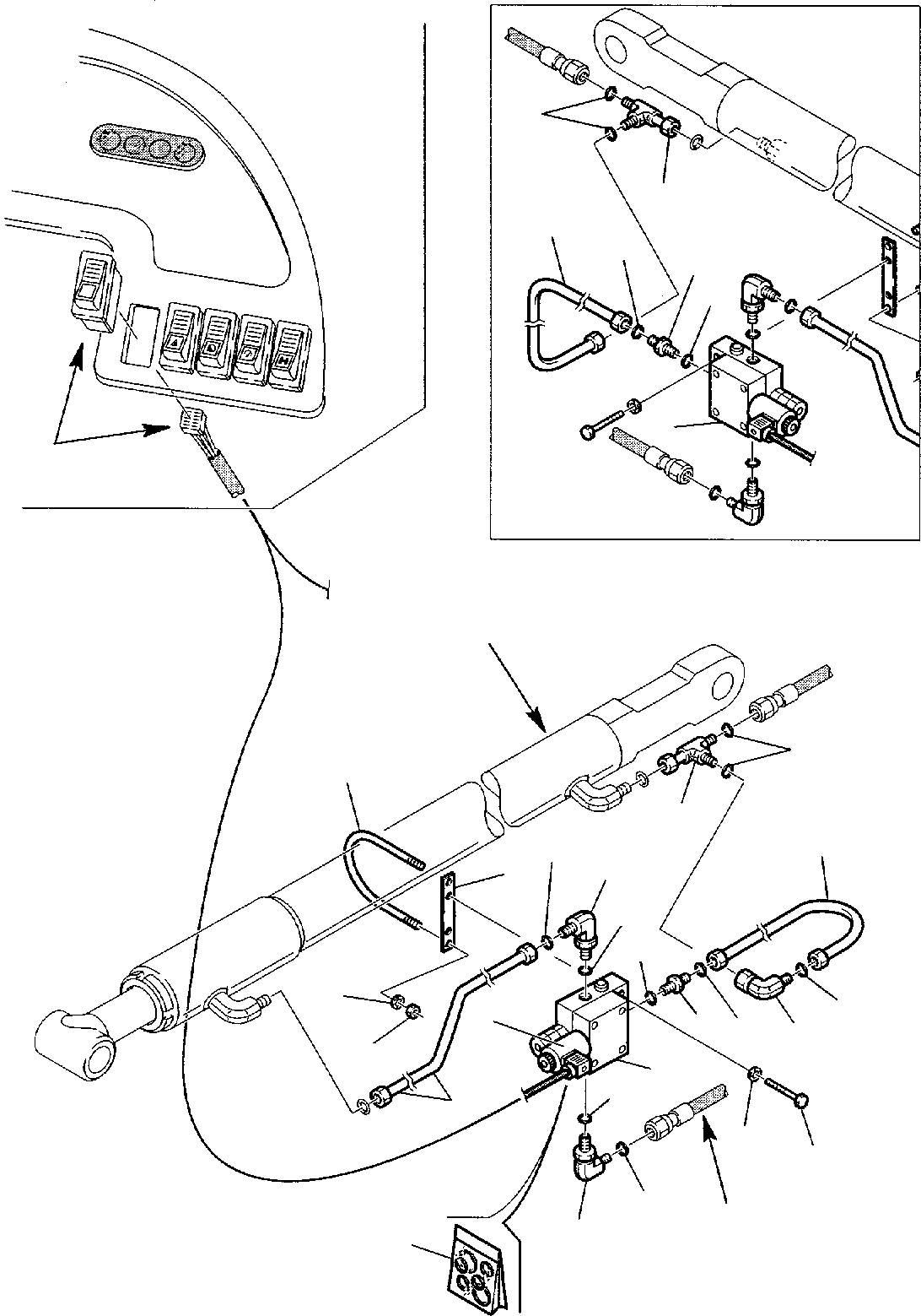
? 845250013 VALVE 2
SN: 150F50020-
? 845250505 • GASKET, KIT 1
SN: 150F50020-
? 845750001 SOLENOID 2
SN: 150F50020-
? 801015547 BOLT 4
SN: 150F50020-
? 802170001 SPRING WASHER 8
SN: 150F50020-
? 312237601 PLATE 2
SN: 150F50020-
? 312237600 FASTENER 2
SN: 150F50020-
? 801920104 NUT 4
SN: 150F50020-
? 500380508 UNION 4
SN: 150F50020-
? 855051617 • O-RING 1
SN: 150F50020-
? 855051014 • O-RING 1
SN: 150F50020-
? 312637075 PIPE 2
SN: 150F50020-
? 500380106 UNION 2
SN: 150F50020-
? 855051111 • O-RING 1
SN: 150F50020-
? 855051014 • O-RING 1
SN: 150F50020-
? 312637077 PIPE 1
SN: 150F50020-
? 312637076 PIPE 1
SN: 150F50020-
? 500380872 'T'' UNION 2
SN: 150F50020-
? 855051014 • O-RING 2
SN: 150F50020-
? 500380462 ELBOW 1
SN: 150F50020-
? 855051014 • O-RING 1
SN: 150F50020-
? SEE FIG. 6625 6625
? SEE FIG. 6630 6630
? SEE FIG. 6640 6640

Backhoeloaders Komatsu / WB150PS-2 S/N 150F50020-Up(wb150psa) / HYDRAULIC PIPING (SHOVEL TIPPING CYLINDER) (ELECTRIC SAFETY VALVE)(F-0420 : 6655)
?
?
?
?
?
?
?
?
?
?
?
?
?
?
?
?
?
?
?
?
?
?
?
?
?
?
?
?
?
?
?
?
?
?