k-part
Номер на схеме Каталожный номер Название Количество Детали
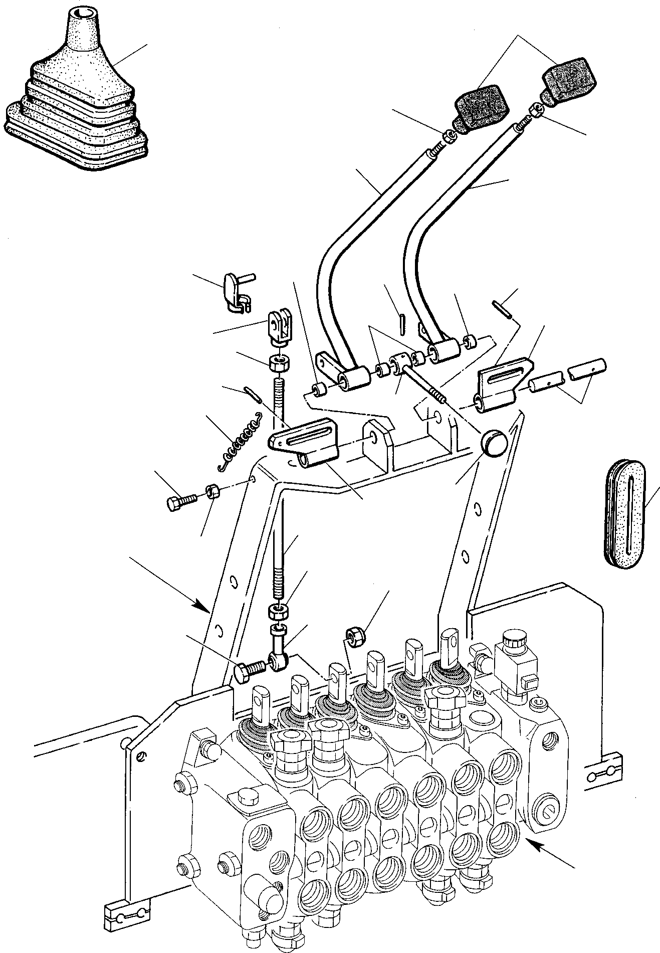
? 311305748 BOOT 2
SN: 15050001-
? 312713051 LEVER, R.H. 1
SN: 15050001-
? 312713052 LEVER, L.H. 1
SN: 15050001-
? 801920104 NUT 2
SN: 15050001-
? 816212265 KNOB 2
SN: 15050001-
? 312713053 LEVER 1
SN: 15050001-
? 805630015 BUSHING 4
SN: 15050001-
? 802510167 SPLIT PIN 3
SN: 15050001-
? 802720020 FORK 2
SN: 15050001-
? 802725020 PIN 2
SN: 15050001-
? 801920105 NUT 2
SN: 15050001-
? 804020008 SPRING 1
SN: 15050001-
? 312313057 CLAMPING PLATE, R.H. 1
SN: 15050001-
? 312313058 CLAMPING PLATE, L.H. 1
SN: 15050001-
? 312713604 PIN 1
SN: 15050001-
? 816213544 KNOB 1
SN: 15050001-
? 816210419 BOOT 1
SN: 15050001-
? 312713624 LINK 2
SN: 15050001-
? 805850211 JOINT (LEFT) 2
SN: 15050001-
? 801015557 BOLT 2
SN: 15050001-
? 801880001 SELF-LOCKING NUT 2
SN: 15050001-
? 801015068 BOLT 1
SN: 15050001-
? 801920103 NUT 1
SN: 15050001-
? 500611661 NUT (LEFT) 2
SN: 15050001-
? SEE FIG. 4400 4400
? SEE FIG. 6290 6290

Backhoeloaders Komatsu / WB150PS-2 S/N 150F50001-Up(wb150_ps) / OUTRIGGER CONTROL LEVER(D-0070 : 4410)
?
?
?
?
?
?
?
?
?
?
?
?
?
?
?
?
?
?
?
?
?
?
?
?
?
?
?
?
?
?
?