| Номер на схеме | Каталожный номер | Название | Количество | Детали | |||
|---|---|---|---|---|---|---|---|
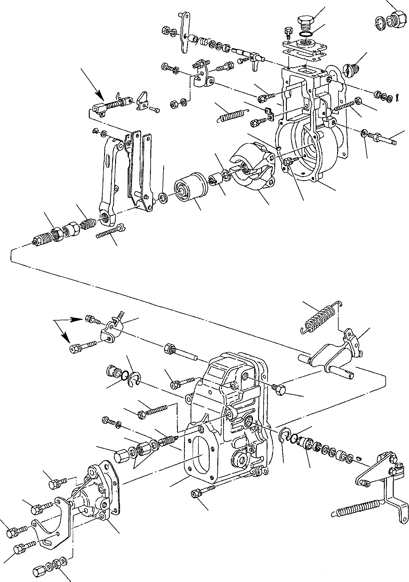
| ? | (871070041) | TURBO ENGINE | 1 | ENSN: 4286- |
|||
| ? | YMX1543763120 | • BRACKET | 1 | ENSN: 4286- |
|||
| ? | YMX1540045620 | • FLANGED HOUSING | 1 | ENSN: 4286- |
|||
| ? | YMX0296325070 | • O RING | 1 | ENSN: 4286- |
|||
| ? | YMX1540072900 | • PLUG | 1 | ENSN: 4286- |
|||
| ? | YMX1540070200 | • ADAPTOR | 1 | ENSN: 4286- |
|||
| ? | YMX0200181840 | • BOLT | 1 | ENSN: 4286- |
|||
| ? | YMX1543501800 | • PLATE | 1 | ENSN: 4286- |
|||
| ? | YMX0290106810 | • BOLT | 5 | ENSN: 4286- |
|||
| ? | YMX1540101100 | • SCREW | 1 | ENSN: 4286- |
|||
| ? | YMX1540110100 | • NUT | 2 | ENSN: 4286- |
|||
| ? | YMX1540132320 | • BOLT | 1 | ENSN: 4286- |
|||
| ? | YMX0141108440 | • SPRING WASHER | 1 | ENSN: 4286- |
|||
| ? | YMX1545011120 | • COVER | 1 | ENSN: 4286- |
|||
| ? | YMX1545011100 | • COVER | 1 | ENSN: 4286- |
|||
| ? | YMX1540314700 | • SCREW | 1 | ENSN: 4286- |
|||
| ? | YMX1392080400 | • NUT | 1 | ENSN: 4286- |
|||
| ? | YMX1540361200 | • PLUG | 1 | ENSN: 4286- |
|||
| ? | YMX1390067100 | • BOLT | 1 | ENSN: 4286- |
|||
| ? | YMX1540100100 | • SCREW | 1 | ENSN: 4286- |
|||
| ? | YMX0201063840 | • BOLT | 4 | ENSN: 4286- |
|||
| ? | YMX1530204420 | • LIMITER | 1 | ENSN: 4286- |
|||
| ? | YMX1540644200 | • COVER | 1 | ENSN: 4286- |
|||
| ? | YMX0290206260 | • BOLT | 1 | ENSN: 4286- |
|||
| ? | YMX0290206260 | • BOLT | 1 | ENSN: 4286- |
|||
| ? | YMX0200062040 | • BOLT | 1 | ENSN: 4286- |
|||
| ? | YMX0200061640 | • BOLT | 1 | ENSN: 4286- |
|||
| ? | YMX1541010020 | • FLYWAIGHT ASSY | 1 | ENSN: 4286- |
|||
| ? | YMX0258031610 | • KEY | 1 | ENSN: 4286- |
|||
| ? | YMX0293212020 | • SPRING | 1 | ENSN: 4286- |
|||
| ? | YMX0292312030 | • NUT | 1 | ENSN: 4286- |
|||
| ? | YMX1541232320 | • SLEEVE | 1 | ENSN: 4286- |
|||
| ? | YMX0293110010 | • SHIM | 1 | ENSN: 4286- |
A | ||
| ? | YMX0293110180 | • SHIM | 1 | ENSN: 4286- |
B | ||
| ? | YMX0293110190 | • SHIM | 1 | ENSN: 4286- |
C | ||
| ? | YMX0293110210 | • SHIM | 1 | ENSN: 4286- |
D | ||
| ? | YMX1394100000 | • SHIM | 1 | ENSN: 4286- |
E | ||
| ? | YMX1394100100 | • SHIM | 1 | ENSN: 4286- |
F | ||
| ? | YMX1394103000 | • SHIM | 1 | ENSN: 4286- |
G | ||
| ? | YMX1394103100 | • SHIM | 1 | ENSN: 4286- |
H | ||
| ? | YMX1394103200 | • SHIM | 1 | ENSN: 4286- |
I | ||
| ? | YMX1541502900 | • SPRING | 1 | ENSN: 4286- |
|||
| ? | YMX1541540701 | • SPRING | 1 | ENSN: 4286- |
|||
| ? | YMX1541580920 | • SPRING | 1 | ENSN: 4286- |
|||
| ? | YMX0292012140 | • NUT | 1 | ENSN: 4286- |
|||
| ? | YMX0265121540 | • GASKET | 2 | ENSN: 4286- |
|||
| ? | YMX1541591200 | • CAP | 1 | ENSN: 4286- |
|||
| ? | YMX1541771920 | • SPRING | 1 | ENSN: 4286- |
|||
| ? | YMX0292016080 | • NUT | 1 | ENSN: 4286- |
|||
| ? | YMX1542006920 | • LEVER | 1 | ENSN: 4286- |
|||
| ? | YMX1542043000 | • BUSH | 1 | ENSN: 4286- |
|||
| ? | YMX0296318020 | • O RING | 2 | ENSN: 4286- |
|||
| ? | YMX0160101640 | • RING | 2 | ENSN: 4286- |
|||
| ? | SEE FIG. 0241 | 0241 |