| Номер на схеме | Каталожный номер | Название | Количество | Детали | |||
|---|---|---|---|---|---|---|---|
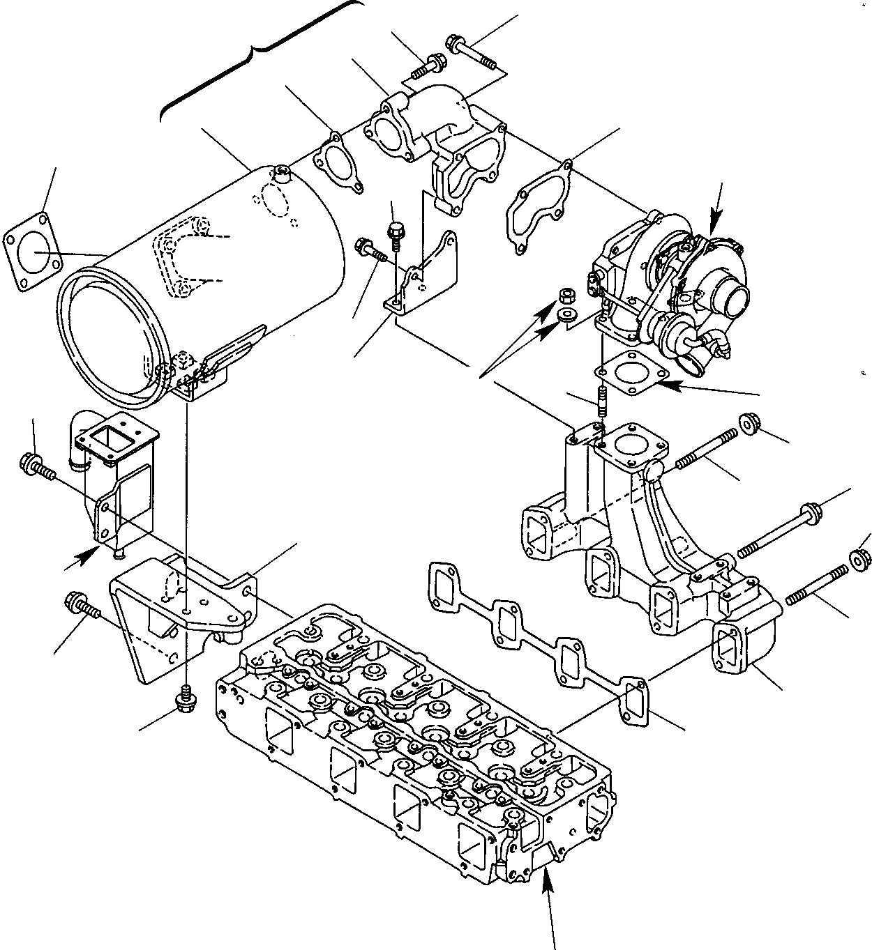
| ? | (871070041) | TURBO ENGINE | 1 | ENSN: 4286- |
|||
| ? | YM119593-11300 | • BOLT | 2 | ENSN: 4286- |
|||
| ? | YM123910-13100 | • MANIFOLD | 1 | ENSN: 4286- |
|||
| ? | YM123900-13110 | • GASKET | 1 | ENSN: 4286- |
|||
| ? | YM123910-13900 | • BRACKET | 1 | ENSN: 4286- |
|||
| ? | YM26106-080162 | • BOLT | 2 | ENSN: 4286- |
|||
| ? | YM26106-080952 | • BOLT | 6 | ENSN: 4286- |
|||
| ? | YM26213-080222 | • STUD | 4 | ENSN: 4286- |
|||
| ? | YM123910-13910 | • BRACKET | 1 | ENSN: 4286- |
|||
| ? | YM26106-100222 | • BOLT | 4 | ENSN: 4286- |
|||
| ? | YM129400-13201 | • GASKET | 1 | ENSN: 4286- |
|||
| ? | YM123910-13510 | • SILENCER | 1 | ENSN: 4286- |
|||
| ? | YM123910-13300 | • • BEND | 1 | ENSN: 4286- |
|||
| ? | ☆ | • • EXHAUST | 1 | ENSN: 4286- |
|||
| ? | YM129472-13520 | • • GASKET | 1 | ENSN: 4286- |
|||
| ? | YM26106-080452 | • • BOLT | 3 | ENSN: 4286- |
|||
| ? | YM123901-18080 | • GASKET | 1 | ENSN: 4286- |
|||
| ? | YM26106-080142 | • BOLT | 4 | ENSN: 4286- |
|||
| ? | YM26106-080402 | • BOLT | 2 | ENSN: 4286- |
|||
| ? | YM26106-080702 | • BOLT | 2 | ENSN: 4286- |
|||
| ? | YM26366-080002 | • NUT | 2 | ENSN: 4286- |
|||
| ? | YM26106-100252 | • BOLT | 2 | ENSN: 4286- |
|||
| ? | SEE FIG. 0101 | 0101 | |||||
| ? | SEE FIG. 0131 | 0131 |