| Номер на схеме | Каталожный номер | Название | Количество | Детали | |||
|---|---|---|---|---|---|---|---|
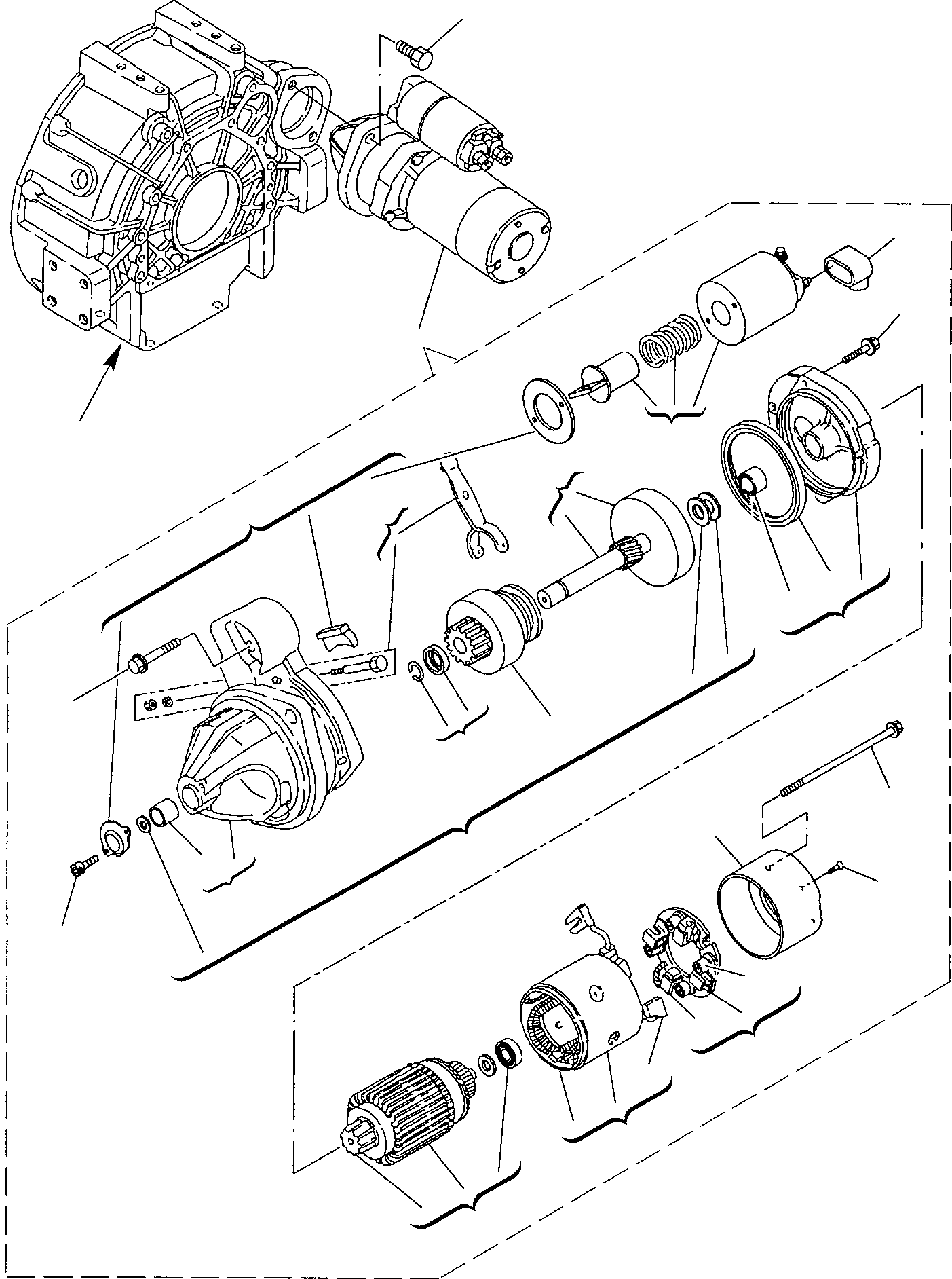
| ? | (871070041) | TURBO ENGINE | 1 | ENSN: 4286- |
|||
| ? | YM129953-77010 | • STARTING MOTOR | 1 | ENSN: 4286- |
|||
| ? | YM121254-77402 | • • ARMATURE ASSY | 1 | ENSN: 4286- |
|||
| ? | YM121254-77430 | • • WASHER | 1 | ENSN: 4286- |
|||
| ? | YM121254-77480 | • • STOPPER PINION | 1 | ENSN: 4286- |
|||
| ? | YM121254-77521 | • • • COIL ASSY, FIELD | 1 | ENSN: 4286- |
|||
| ? | YM121254-77541 | • • • • BRUSH | 2 | ENSN: 4286- |
|||
| ? | YM121254-77550 | • • COVER | 1 | ENSN: 4286- |
|||
| ? | YM121254-77571 | • • HOLDER | 1 | ENSN: 4286- |
|||
| ? | YM121254-77581 | • • • BRUSH | 2 | ENSN: 4286- |
|||
| ? | YM121254-77590 | • • • SPRING, BRUSH | 4 | ENSN: 4286- |
|||
| ? | YM121254-77600 | • • BEARING ASSY, CENTER | 1 | ENSN: 4286- |
|||
| ? | YM121254-77610 | • • • SEAL, OIL | 1 | ENSN: 4286- |
|||
| ? | YM121254-77620 | • • • BEARING, NEEDLE | 1 | ENSN: 4286- |
|||
| ? | YM121254-77640 | • • SHAFT | 1 | ENSN: 4286- |
|||
| ? | YM129953-77660 | • • PINION | 1 | ENSN: 4286- |
|||
| ? | YMX2130570040 | • • SWITCH | 1 | ENSN: 4286- |
|||
| ? | YM121254-77681 | • • CASE ASSY | 1 | ENSN: 4286- |
|||
| ? | YM121254-77690 | • • • GEAR CASE | 1 | ENSN: 4286- |
|||
| ? | YM121254-77700 | • • LEVER | 1 | ENSN: 4286- |
|||
| ? | YM121254-77730 | • • DUST COVER SET | 1 | ENSN: 4286- |
|||
| ? | YM121254-77770 | • • BOLT | 2 | ENSN: 4286- |
|||
| ? | YM121254-77790 | • • SCREW | 2 | ENSN: 4286- |
|||
| ? | YM121254-77810 | • • TERMINAL COVER | 1 | ENSN: 4286- |
|||
| ? | YM26106-060302 | • • BOLT | 3 | ENSN: 4286- |
|||
| ? | YM26106-060452 | • • BOLT | 2 | ENSN: 4286- |
|||
| ? | YM121254-77780 | • • SCREW | 2 | ENSN: 4286- |
|||
| ? | YM26116-120302 | • BOLT | 2 | ENSN: 4286- |
|||
| ? | SEE FIG. 0221 | 0221 |