k-part
Номер на схеме Каталожный номер Название Количество Детали
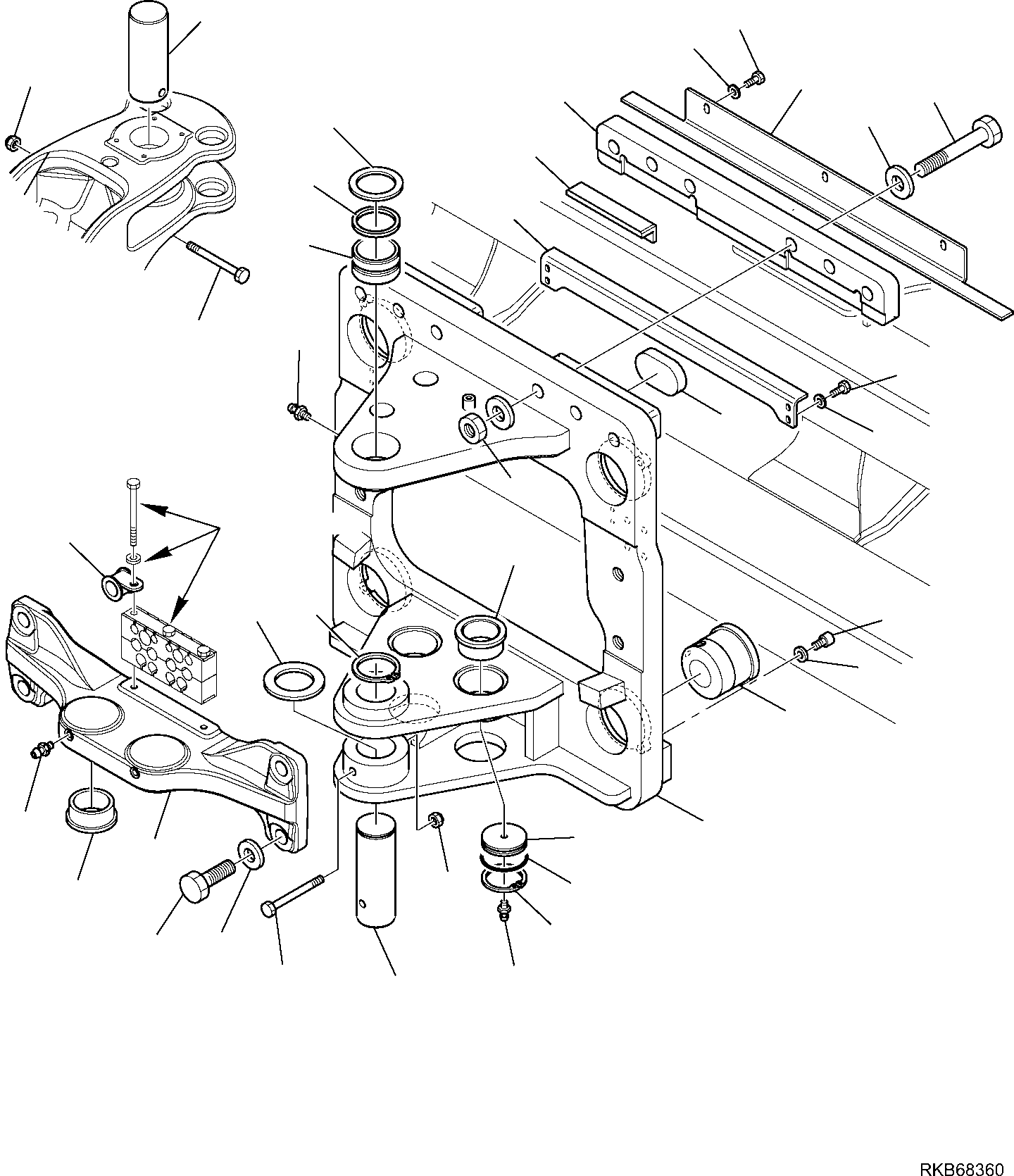
? 42N-856-3780 BENT 1
SN: F20003-
? 01010-81020 BOLT 3
SN: F20003-
? 01643-11032 WASHER 3
SN: F20003-
? 42N-856-3720 PLATE 1
SN: F20003-
? 01011-82450 BOLT 6
SN: F20003-
? 37A-09-3Z024 WASHER 12
SN: F20003-
? 01580-12419 NUT 6
SN: F20003-
? 42N-856-3730 GUIDE 2
SN: F20003-
? 42N-856-3760 BENT 1
SN: F20003-
? 01010-80820 BOLT 4
SN: F20003-
? 01643-10823 WASHER 4
SN: F20003-
? 42N-856-3740 SHOE 4
SN: F20003-
? 42N-856-3710 SLIDING PLATE 1
SN: F20003-
? 42N-856-2380 LINER 4
SN: F20003-
? 01252-71018 BOLT, HEXAGON SOCKET HEAD 4
SN: F20003-
? 01643-11032 WASHER 4
SN: F20003-
? 42N-856-2331 BUSHING 4
SN: F20003-
? 42N-856-2350 COVER 2
SN: F20003-
? 37B-09-11842 O-RING 2
SN: F20003-
? 04065-07525 SNAP, RING 2
SN: F20003-
? 21D-09-89140 FITTING, GREASE 2
SN: F20003-
? 42N-856-1740 PIN 1
SN: F20003-
? 01011-81220 BOLT 1
SN: F20003-
? 21D-09-24200 NUT 1
SN: F20003-
? 42N-70-12331 SNAP, RING 1
SN: F20003-
? 37B-09-4F064 SHIM 3
SN: F20003-
? 21D-09-89140 FITTING, GREASE 1
SN: F20003-
? 42N-856-2470 BUSHING 1
SN: F20003-
? 42N-6C-11990 DUST SEAL 1
SN: F20003-
? 42N-856-2251 RING 1
SN: F20003-
? 42N-856-1780 PIN 1
SN: F20003-
? 01011-81230 BOLT 1
SN: F20003-
? 21D-09-24200 NUT 1
SN: F20003-
? 42N-856-2360 SUPPORT 1
SN: F20003-
? 01010-82475 BOLT 4
SN: F20003-
? 37A-09-3Z024 WASHER 4
SN: F20003-
? 21D-09-89140 FITTING, GREASE 2
SN: F20003-
? 04434-51710 CLIP 2
SN: F20003-
? SEE FIG. 7305 7305

Backhoeloaders Komatsu / WB93S-5E0 S/N F20003-Up(wb93s5e0) / HYDRAULIC SLIDING PLATE (1/2)(G-7306 : 7306)
?
?
?
?
?
?
?
?
?
?
?
?
?
?
?
?
?
?
?
?
?
?
?
?
?
?
?
?
?
?
?
?
?
?
?
?
?
?
?
?