| Номер на схеме | Каталожный номер | Название | Количество | Детали | |||
|---|---|---|---|---|---|---|---|
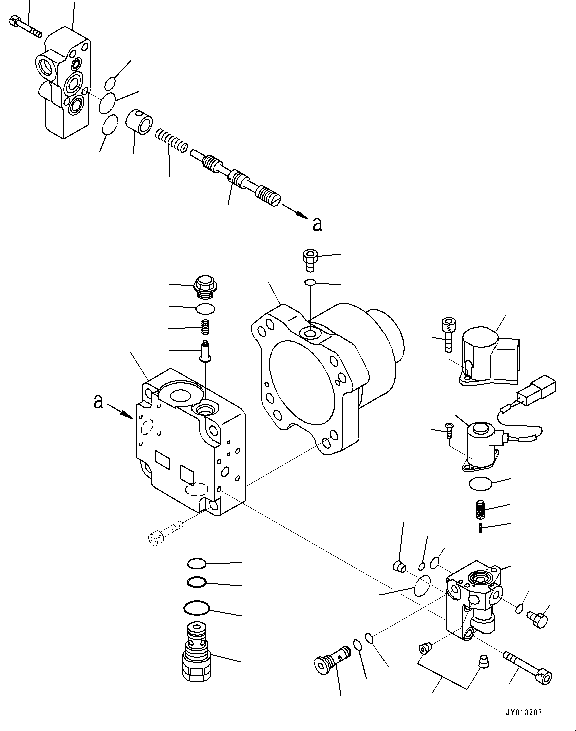
| ? | 708-7S-00352 | Motor Assembly | 1 | SN: 82117- KIT-FLAG: _- SCC: SERIALNO: 82117- |
|||
| ? | (708-7S-11740) | • Case | 1 | SN: 82117- KIT-FLAG: _- SCC: C2 SERIALNO: 82117- |
|||
| ? | 07040-11007 | • Plug | 1 | SN: 82117- KIT-FLAG: _- SCC: SERIALNO: 82117- |
|||
| ? | 07002-21023 | • O-ring | 1 | SN: 82117- KIT-FLAG: _- SCC: SERIALNO: 82117- |
|||
| ? | (708-7S-01241) | • Cover Subassembly | 1 | SN: 82117- KIT-FLAG: _- SCC: C2 SERIALNO: 82117- |
|||
| ? | • • Cover, End | 1 | SN: 82117- KIT-FLAG: _- SCC: C1 SERIALNO: 82117- |
||||
| ? | 708-7R-11210 | • • Valve | 1 | SN: 82117- KIT-FLAG: _- SCC: SERIALNO: 82117- |
|||
| ? | 722-10-91130 | • • Spring | 1 | SN: 82117- KIT-FLAG: _- SCC: SERIALNO: 82117- |
|||
| ? | 709-32-12861 | • • Plug | 1 | SN: 82117- KIT-FLAG: _- SCC: SERIALNO: 82117- |
|||
| ? | 07002-21823 | • • O-ring | 1 | SN: 82117- KIT-FLAG: _- SCC: SERIALNO: 82117- |
|||
| ? | • • Spool | 1 | SN: 82117- KIT-FLAG: _- SCC: C1 SERIALNO: 82117- |
||||
| ? | (708-7S-18120) | • • Spring | 1 | SN: 82117- KIT-FLAG: _- SCC: C2 SERIALNO: 82117- |
|||
| ? | (708-7S-18310) | • • Spacer | 1 | SN: 82117- KIT-FLAG: _- SCC: C2 SERIALNO: 82117- |
|||
| ? | 708-7S-18320 | • • Cover | 1 | SN: 82117- KIT-FLAG: _- SCC: SERIALNO: 82117- |
|||
| ? | 07000-E2020 | • • O-ring | 1 | SN: 82117- KIT-FLAG: _- SCC: SERIALNO: 82117- |
|||
| ? | 07000-E2025 | • • O-ring | 1 | SN: 82117- KIT-FLAG: _- SCC: SERIALNO: 82117- |
|||
| ? | 07000-E2012 | • • O-ring | 1 | SN: 82117- KIT-FLAG: _- SCC: SERIALNO: 82117- |
|||
| ? | 01252-60845 | • • Bolt, Hexagon Socket Head | 4 | SN: 82117- KIT-FLAG: _- SCC: SERIALNO: 82117- |
|||
| ? | 708-7S-01151 | • • Valve Assembly, Pilot | 1 | SN: 82117- KIT-FLAG: _- SCC: SERIALNO: 82117- |
|||
| ? | 702-21-56241 | • • • Solenoid | 1 | SN: 82117- KIT-FLAG: _- SCC: SERIALNO: 82117- |
|||
| ? | 700-80-61260 | • • • O-ring | 1 | SN: 82117- KIT-FLAG: _- SCC: SERIALNO: 82117- |
|||
| ? | • • • Case | 1 | SN: 82117- KIT-FLAG: _- SCC: C1 SERIALNO: 82117- |
||||
| ? | • • • Spool | 1 | SN: 82117- KIT-FLAG: _- SCC: C1 SERIALNO: 82117- |
||||
| ? | • • • Spring | 1 | SN: 82117- KIT-FLAG: _- SCC: C1 SERIALNO: 82117- |
||||
| ? | • • • Plug, Stocking | 2 | SN: 82117- KIT-FLAG: _- SCC: C1 SERIALNO: 82117- |
||||
| ? | 01252-60616 | • • • Bolt, Hexagon Socket Head | 2 | SN: 82117- KIT-FLAG: _- SCC: SERIALNO: 82117- |
|||
| ? | 708-2L-25490 | • • • O-ring | 1 | SN: 82117- KIT-FLAG: _- SCC: SERIALNO: 82117- |
|||
| ? | 702-21-54180 | • • • Screw | 2 | SN: 82117- KIT-FLAG: _- SCC: SERIALNO: 82117- |
|||
| ? | 07000-11008 | • • • O-ring | 1 | SN: 82117- KIT-FLAG: _- SCC: SERIALNO: 82117- |
|||
| ? | 723-11-18430 | • • • O-ring | 1 | SN: 82117- KIT-FLAG: _- SCC: SERIALNO: 82117- |
|||
| ? | 07040-11007 | • • • Plug | 1 | SN: 82117- KIT-FLAG: _- SCC: SERIALNO: 82117- |
|||
| ? | 07002-11023 | • • • O-ring | 1 | SN: 82117- KIT-FLAG: _- SCC: SERIALNO: 82117- |
|||
| ? | • • • Orifice | 1 | SN: 82117- KIT-FLAG: _- SCC: C1 SERIALNO: 82117- |
||||
| ? | 708-1S-18180 | • • • Cover | 1 | SN: 82117- KIT-FLAG: _- SCC: SERIALNO: 82117- |
|||
| ? | 708-7R-04160 | • • • Filter Assembly | 1 | SN: 82117- KIT-FLAG: _- SCC: SERIALNO: 82117- |
|||
| ? | 708-1W-48110 | • • • • Filter | 1 | SN: 82117- KIT-FLAG: _- SCC: SERIALNO: 82117- |
|||
| ? | 07002-21423 | • • • • O-ring | 1 | SN: 82117- KIT-FLAG: _- SCC: SERIALNO: 82117- |
|||
| ? | 708-1W-48120 | • • • • Seal | 1 | SN: 82117- KIT-FLAG: _- SCC: SERIALNO: 82117- |
|||
| ? | 01252-60835 | • • Bolt, Hexagon Socket Head | 4 | SN: 82117- KIT-FLAG: _- SCC: SERIALNO: 82117- |
|||
| ? | 708-7T-02271 | • • Valve Assembly | 1 | SN: 82117- KIT-FLAG: _- SCC: SERIALNO: 82117- |
|||
| ? | 07000-F2016 | • • • O-ring | 1 | SN: 82117- KIT-FLAG: _- SCC: SERIALNO: 82117- |
|||
| ? | 07001-02016 | • • • Ring, Back-up | 1 | SN: 82117- KIT-FLAG: _- SCC: SERIALNO: 82117- |
|||
| ? | 07002-12434 | • • • O-ring | 1 | SN: 82117- KIT-FLAG: _- SCC: SERIALNO: 82117- |