| Номер на схеме | Каталожный номер | Название | Количество | Детали | |||
|---|---|---|---|---|---|---|---|
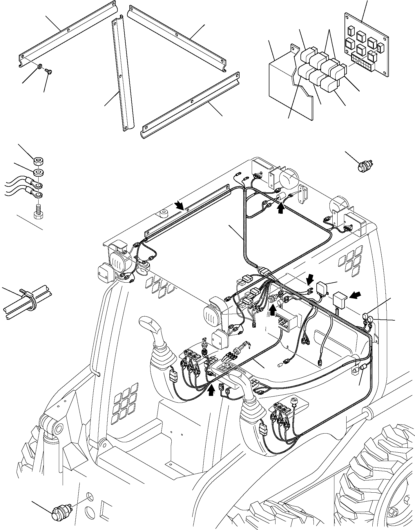
| ? | 37A-06-11721 | WIRING HARNESS (STANDARD) | 1 | SN: 37AF01876- |
A | ||
| ? | 37A-06-11741 | WIRING HARNESS (OPTIONAL) | 1 | SN: 37AF01876- |
B | ||
| ? | 37A-06-11250 | WIRING HARNESS | 1 | SN: 37AF01876- |
|||
| ? | 332205705 | COLLAR | 6 | SN: 37AF01876- |
|||
| ? | 801880208 | NUT | 1 | SN: 37AF01876- |
|||
| ? | 802170001 | SPRING WASHER | 1 | SN: 37AF01876- |
|||
| ? | 37A-06-11480 | WIRING HARNESS | 1 | SN: 37AF01876- |
|||
| ? | 37A-06-11520 | PROTECTION, R.H. | 1 | SN: 37AF01876- |
|||
| ? | 37A-06-11510 | PROTECTION, L.H. | 1 | SN: 37AF01876- |
|||
| ? | 37A-06-11530 | PROTECTION, VERTICAL | 1 | SN: 37AF01876- |
|||
| ? | 37A-06-11550 | SUPPORT | 1 | SN: 37AF01876- |
|||
| ? | 801350065 | SCREW | 12 | SN: 37AF01876- |
|||
| ? | 816212687 | WASHER | 12 | SN: 37AF01876- |
|||
| ? | 885071043 | RELAY (FLOAT) | 1 | SN: 37AF01876- |
|||
| ? | 885071043 | RELAY (PARKING BRAKE) | 1 | SN: 37AF01876- |
|||
| ? | 885070046 | CONTROL UNIT | 1 | SN: 37AF01876- |
|||
| ? | 885070040 | RELAY BOX | 1 | SN: 37AF01876- |
|||
| ? | 885071043 | RELAY (STOP LIGHT) | 1 | SN: 37AF01876- |
|||
| ? | 885071044 | RELAY | 3 | SN: 37AF01876- |
|||
| ? | 885071043 | RELAY (HIGH FLOW MOMENTARY) | 1 | SN: 37AF01876- |
|||
| ? | 885151012 | BLINKER | 1 | SN: 37AF01876- |
|||
| ? | 37A-06-11430 | RELђ (HIGH FLOW DETENT) | 1 | SN: 37AF01876- |
|||
| ? | 37A-06-11560 | ELECTRICAL SOCKET | 1 | SN: 37AF01876- |
|||
| ? | 885411196 | ELECTRICAL SOCKET | 1 | SN: 37AF01876- |
|||
| ? | 37A-06-12360 | PROTECTION | 1 | SN: 37AF01876- |