| Номер на схеме | Каталожный номер | Название | Количество | Детали | |||
|---|---|---|---|---|---|---|---|
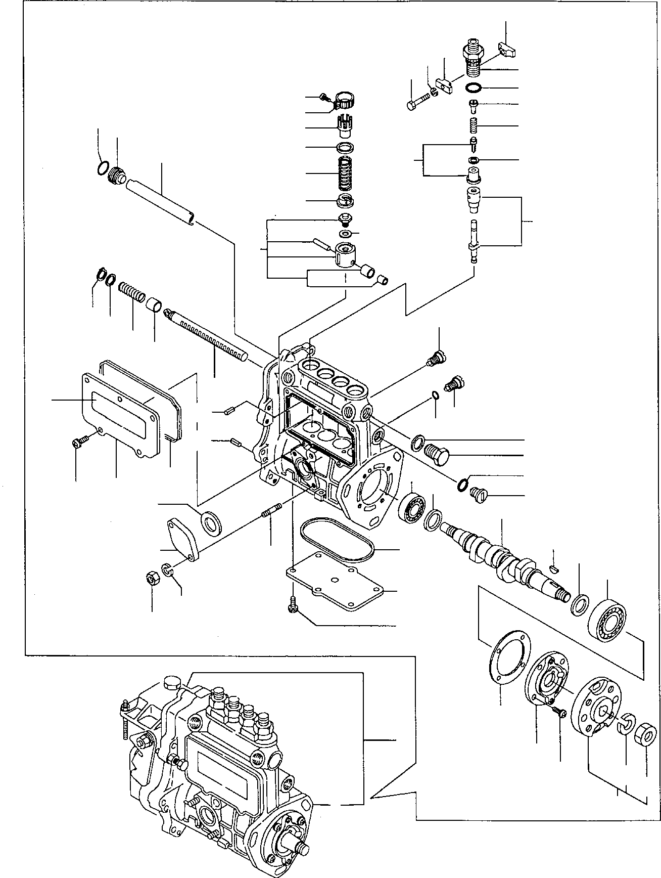
| ? | (37B-01-11101) | ENGINE, ASSY. | 1 | ENSN: 17583- |
|||
| ? | YM729612-51480 | • INJECTION PUMP, ASSY. | 1 | ENSN: 17583- |
|||
| ? | ☆ | • • PUMP, ASSY. | 1 | ENSN: 17583- |
|||
| ? | YM129155-51020 | • • • STUD | 2 | ENSN: 17583- |
|||
| ? | YM129430-51040 | • • • CAMSHAFT | 1 | ENSN: 17583- |
|||
| ? | YM129155-51050 | • • • BEARING | 1 | ENSN: 17583- |
|||
| ? | YM129208-51060 | • • • SUPPORT | 1 | ENSN: 17583- |
|||
| ? | YM122710-51090 | • • • KEY | 1 | ENSN: 17583- |
|||
| ? | YM129470-51101 | • • • PLUNGER W/BARREL | 4 | ENSN: 17583- |
|||
| ? | YM129155-51140 | • • • PIN | 4 | ENSN: 17583- |
|||
| ? | YM174307-51170 | • • • RETAINER, SPRING | 4 | ENSN: 17583- |
|||
| ? | YM129155-51180 | • • • SEAT, NOZZLE SPRING | 4 | ENSN: 17583- |
|||
| ? | YM124950-51190 | • • • SPRING | 4 | ENSN: 17583- |
|||
| ? | YM129155-51200 | • • • TAPPET, ASSY | 4 | ENSN: 17583- |
|||
| ? | YM129155-51270 | • • • LOCKING, TAPPET | 4 | ENSN: 17583- |
|||
| ? | YM129155-51280 | • • • O-RING | 4 | ENSN: 17583- |
|||
| ? | YM129209-51300 | • • • VALVE, SUCTION | 4 | ENSN: 17583- |
|||
| ? | YM129573-51330 | • • • SPRING | 4 | ENSN: 17583- |
|||
| ? | YM129573-51340 | • • • GUARD, DELIVERY VALVE | 4 | ENSN: 17583- |
|||
| ? | YM124550-51350 | • • • GASKET | 4 | ENSN: 17583- |
|||
| ? | YM124550-51370 | • • • O-RING | 4 | ENSN: 17583- |
|||
| ? | YM129573-51370 | • • • RETAINER, SPRING | 4 | ENSN: 17583- |
|||
| ? | YM129155-51380 | • • • LOCKING (A) | 2 | ENSN: 17583- |
|||
| ? | YM129155-51390 | • • • LOCKING (B) | 2 | ENSN: 17583- |
|||
| ? | YM129555-51400 | • • • DEFLECTOR | 1 | ENSN: 17583- |
|||
| ? | YM129155-51410 | • • • CHECK BOLT | 1 | ENSN: 17583- |
|||
| ? | YM129155-51420 | • • • PLUG | 1 | ENSN: 17583- |
|||
| ? | YM129155-51450 | • • • KIT, SHIM | 1 | ENSN: 17583- |
|||
| ? | YM129555-51500 | • • • RACK | 1 | ENSN: 17583- |
|||
| ? | YM129155-51521 | • • • BUSHING | 1 | ENSN: 17583- |
|||
| ? | YM129155-51530 | • • • SPACER | 1 | ENSN: 17583- |
|||
| ? | YM129155-51540 | • • • RING, SNAP | 1 | ENSN: 17583- |
|||
| ? | YM129155-51550 | • • • PINION | 4 | ENSN: 17583- |
|||
| ? | YM129100-51560 | • • • PINION | 4 | ENSN: 17583- |
|||
| ? | YM129100-51570 | • • • SCREW | 4 | ENSN: 17583- |
|||
| ? | YM129155-51570 | • • • PLUG | 1 | ENSN: 17583- |
|||
| ? | YM129155-51580 | • • • O-RING | 1 | ENSN: 17583- |
|||
| ? | YM129155-51591 | • • • SPRING | 1 | ENSN: 17583- |
|||
| ? | YM129155-51600 | • • • KIT, SHIM | 4 | ENSN: 17583- |
|||
| ? | YM129555-51701 | • • • COVER | 1 | ENSN: 17583- |
|||
| ? | YM129555-51711 | • • • GASKET | 1 | ENSN: 17583- |
|||
| ? | YM129555-51751 | • • • COVER | 1 | ENSN: 17583- |
|||
| ? | YM129555-51760 | • • • GASKET | 1 | ENSN: 17583- |
|||
| ? | YM129155-51790 | • • • LOCKING, RACK | 1 | ENSN: 17583- |
|||
| ? | YM129156-51910 | • • • PLATE, CAUTION | 1 | ENSN: 17583- |
|||
| ? | YM129155-51930 | • • • SPACER, T=3.25 | 1 | ENSN: 17583- |
|||
| ? | YM129155-51940 | • • • SPACER, T=1.5 | 1 | ENSN: 17583- |
|||
| ? | YM22190-160002 | • • • GASKET | 1 | ENSN: 17583- |
|||
| ? | YM22217-050000 | • • • SPRING WASHER | 2 | ENSN: 17583- |
|||
| ? | YM22217-060000 | • • • SPRING WASHER | 2 | ENSN: 17583- |
|||
| ? | YM22351-050010 | • • • PEG | 2 | ENSN: 17583- |
|||
| ? | YM24101-063034 | • • • BEARING | 1 | ENSN: 17583- |
|||
| ? | YM24341-000160 | • • • O-RING | 1 | ENSN: 17583- |
|||
| ? | YM26022-050122 | • • • SCREW | 11 | ENSN: 17583- |
|||
| ? | YM26022-060162 | • • • SCREW | 4 | ENSN: 17583- |
|||
| ? | YM26116-050302 | • • • SCREW | 2 | ENSN: 17583- |
|||
| ? | YM26716-060002 | • • • NUT | 2 | ENSN: 17583- |
|||
| ? | YM129208-54500 | • • • FLANGE, ASSY. | 1 | ENSN: 17583- |
|||
| ? | YM22217-120000 | • • • • SPRING WASHER | 1 | ENSN: 17583- |
|||
| ? | YM26716-120002 | • • • • NUT | 1 | ENSN: 17583- |
|||
| ? | YM129155-52050 | • • • GASKET | 1 | ENSN: 17583- |
|||
| ? | YM129100-52200 | • • • COVER | 1 | ENSN: 17583- |