k-part
Номер на схеме Каталожный номер Название Количество Детали
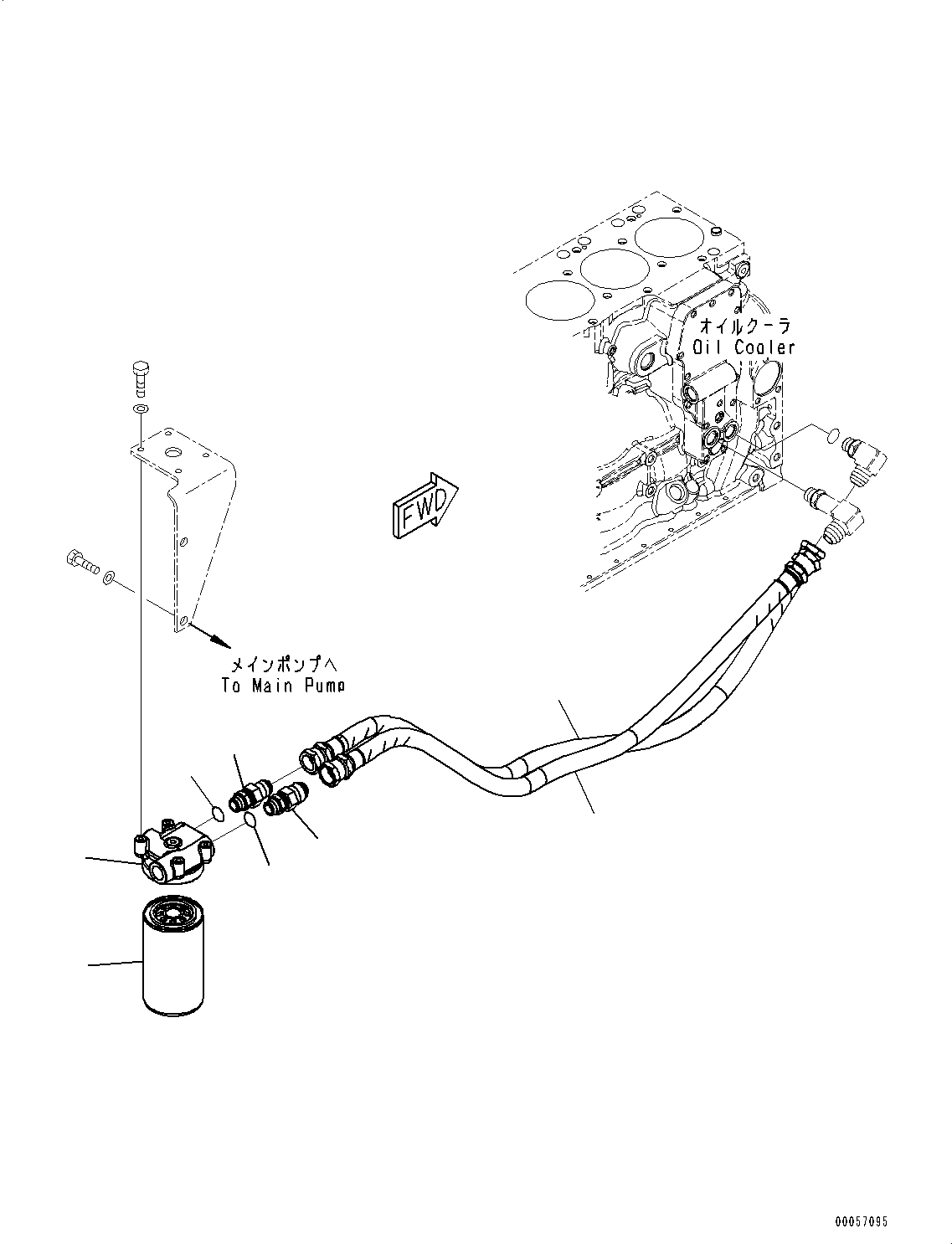
? 6754-52-5310 Head 1
SN: 26527701-26585150
KIT-FLAG: _-
SCC:
SERIALNO: 26527701-26585150
? 6731-51-5260 Nipple 1
SN: 26527701-26585150
KIT-FLAG: _-
SCC:
SERIALNO: 26527701-26585150
? 6731-51-5290 • O-ring 1
SN: 26527701-26585150
KIT-FLAG: S-
SCC:
SERIALNO: 26527701-26585150
? 6738-51-5260 Nipple 1
SN: 26527701-26585150
KIT-FLAG: _-
SCC:
SERIALNO: 26527701-26585150
? 6731-51-5290 • O-ring 1
SN: 26527701-26585150
KIT-FLAG: S-
SCC:
SERIALNO: 26527701-26585150
? 6736-51-5142 Cartridge 1
SN: 26527701-26585150
KIT-FLAG: _-
SCC:
SERIALNO: 26527701-26585150
? 6737-51-9810 Hose 1
SN: 26527701-26585150
KIT-FLAG: _-
SCC:
SERIALNO: 26527701-26585150
? 6737-51-9910 Hose 1
SN: 26527701-26585150
KIT-FLAG: _-
SCC:
SERIALNO: 26527701-26585150

Engines Komatsu / SAA4D107E-1D S/N 26527701-UP (For PC160LC-8)(0000205c) / Engine Oil Filter (#26527701-26585150)(C006001 : ALF00-001001)
?
?
?
?
?
?
?
?