k-part
Номер на схеме Каталожный номер Название Количество Детали
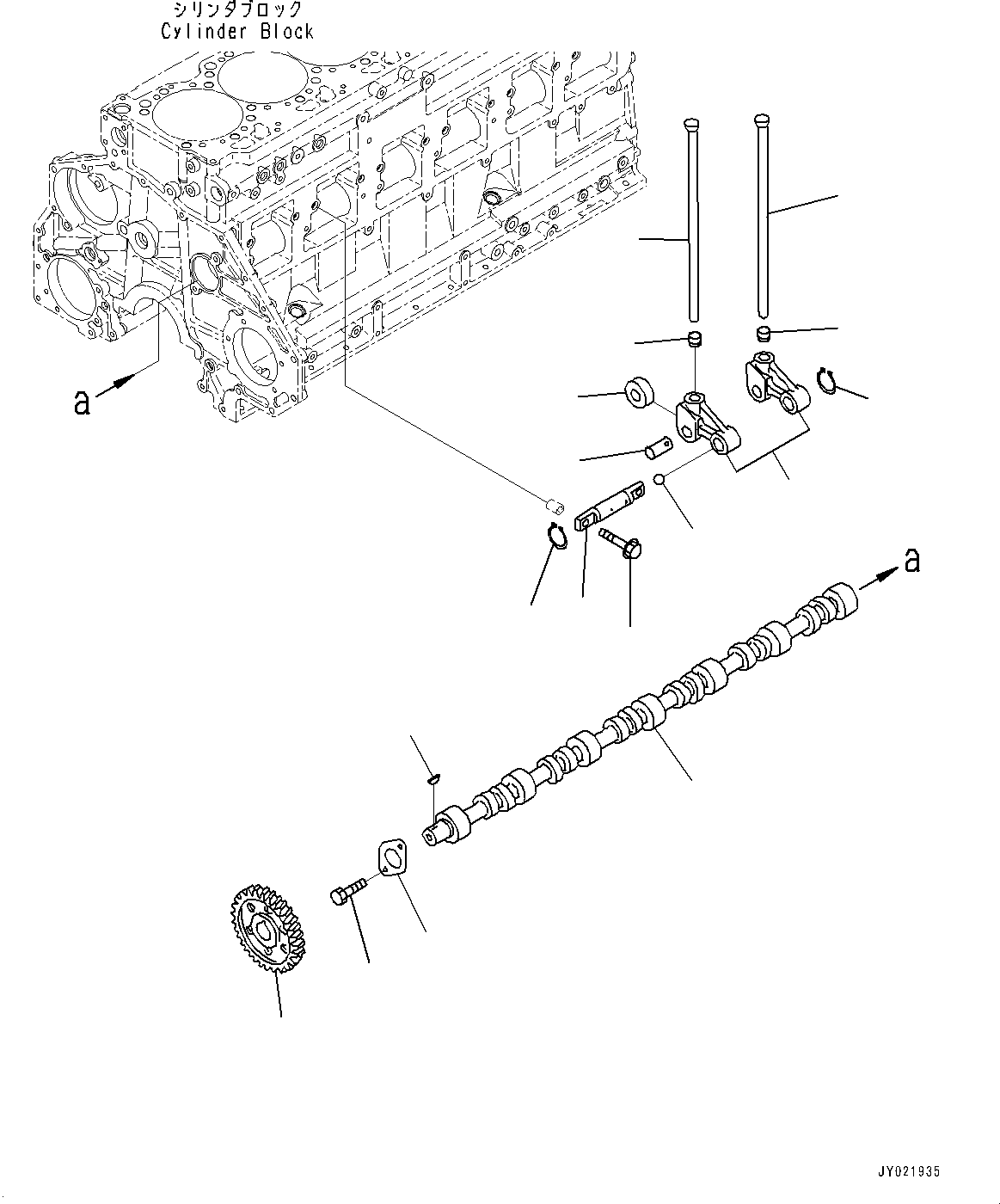
? 6150-41-1012 Camshaft Assembly 1
SN: 566329-
KIT-FLAG: _-
SCC:
SERIALNO: 566329-
? • Camshaft 1
SN: 566329-
KIT-FLAG: _-
SCC: C1
SERIALNO: 566329-
? 6150-41-1130 • Plate, Thrust 1
SN: 566329-
KIT-FLAG: _-
SCC:
SERIALNO: 566329-
? 6150-41-1120 • Gear, Camshaft 1
SN: 566329-
KIT-FLAG: _-
SCC:
SERIALNO: 566329-
? 04010-00725 • Key, Woodruff 1
SN: 566329-
KIT-FLAG: _-
SCC:
SERIALNO: 566329-
? 01010-81022 Bolt 2
SN: 566329-
KIT-FLAG: _-
SCC:
SERIALNO: 566329-
? 6150-41-2302 Lever Assembly 12
SN: 566329-
KIT-FLAG: _-
SCC:
SERIALNO: 566329-
? • Lever 1
SN: 566329-
KIT-FLAG: _-
SCC: C1
SERIALNO: 566329-
? • Socket 1
SN: 566329-
KIT-FLAG: _-
SCC: C1
SERIALNO: 566329-
? • Roller 1
SN: 566329-
KIT-FLAG: _-
SCC: C1
SERIALNO: 566329-
? • Pin 1
SN: 566329-
KIT-FLAG: _-
SCC: C1
SERIALNO: 566329-
? 6150-41-2401 Shaft Assembly 6
SN: 566329-
KIT-FLAG: _-
SCC:
SERIALNO: 566329-
? • Shaft 1
SN: 566329-
KIT-FLAG: _-
SCC: C1
SERIALNO: 566329-
? 6150-81-8420 • Ball 1
SN: 566329-
KIT-FLAG: _-
SCC:
SERIALNO: 566329-
? 04064-02012 Ring, Snap 12
SN: 566329-
KIT-FLAG: _-
SCC:
SERIALNO: 566329-
? 6150-41-2450 Bolt 12
SN: 566329-
KIT-FLAG: _-
SCC:
SERIALNO: 566329-
? 6150-41-3111 Rod, Push 12
SN: 566329-
KIT-FLAG: _-
SCC:
SERIALNO: 566329-

Engines Komatsu / SAA6D125E-5J S/N 566329-UP (For HM250-2)(0000209c) / Camshaft, Inner Parts (#566329-)(B001001 : A2410-001001)
?
?
?
?
?
?
?
?
?
?
?
?
?
?
?
?
?