| Номер на схеме | Каталожный номер | Название | Количество | Детали | |||
|---|---|---|---|---|---|---|---|
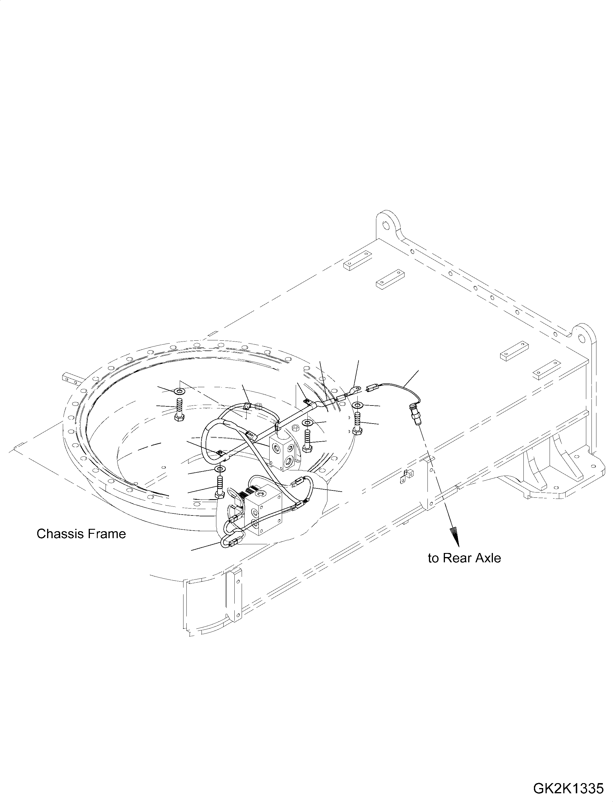
| ? | 20J-06-51181 | Wiring Harness | 1 | SN: H60051- KIT-FLAG: _- SCC: SERIALNO: H60051- |
|||
| ? | 08193-21012 | Clip | 1 | SN: H60051- KIT-FLAG: _- SCC: SERIALNO: H60051- |
|||
| ? | 7861-93-2310 | Sensor, Transmission Speed | 1 | SN: H60051- KIT-FLAG: _- SCC: SERIALNO: H60051- |
|||
| ? | 04434-51510 | Clip | 2 | SN: H60051- KIT-FLAG: _- SCC: SERIALNO: H60051- |
|||
| ? | 04434-51010 | Clip | 1 | SN: H60051- KIT-FLAG: _- SCC: SERIALNO: H60051- |
|||
| ? | 01010-81020 | Bolt | 3 | SN: H60051- KIT-FLAG: _- SCC: SERIALNO: H60051- |
|||
| ? | 01643-31032 | Washer | 3 | SN: H60051- KIT-FLAG: _- SCC: SERIALNO: H60051- |
|||
| ? | 01016-51030 | Bolt | 1 | SN: H60051- KIT-FLAG: _- SCC: SERIALNO: H60051- |
|||
| ? | 01643-31032 | Washer | 1 | SN: H60051- KIT-FLAG: _- SCC: SERIALNO: H60051- |