k-part
Номер на схеме Каталожный номер Название Количество Детали
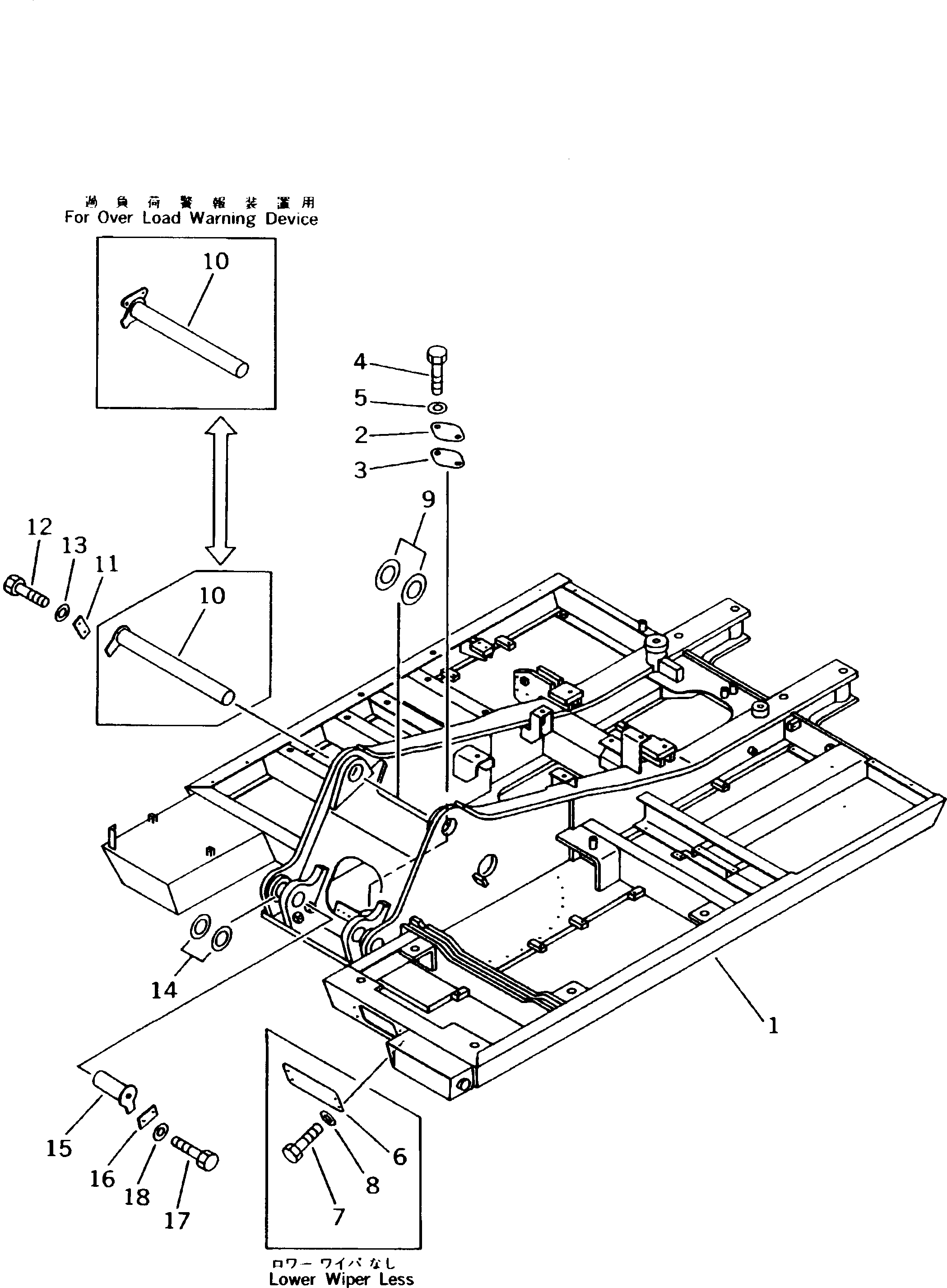
? 20G-46-K1503 FRAME,REVOLVING 1
SN: .-
? 20G-46-K1502 FRAME,REVOLVING 1
SN: K20001-.
? 203-46-56160 COVER 1
SN: K20001-
? 203-46-31181 GASKET 1
SN: K20001-
? 01010-51230 BOLT 2
SN: K20001-
? 01643-31232 WASHER 2
SN: K20001-
? 203-06-59530 PLATE,(FOR WIPER LESS) 1
SN: K20001-
? 01010-51020 BOLT,(FOR WIPER LESS) 4
SN: K20001-
? 01643-31032 WASHER,(FOR WIPER LESS) 4
SN: K20001-
? 21K-70-31370 SPACER ? 0.5MM 1
SN: K20001-
? 205-70-51450 SPACER ? 1.0MM 4
SN: K20001-
? 21K-70-31310 PIN 1
SN: K20001-
? 21P-70-12610 PIN,(FOR OVER LOAD WARNING DEVICE) 1
SN: K20001-
? 21K-70-31320 PLATE 1
SN: K20001-
? 01010-51235 BOLT 2
SN: K20001-
? 01643-31232 WASHER 2
SN: K20001-
? 203-70-41460 SPACER ? 1.0MM 2
SN: K20001-
? 203-70-41470 SPACER ? 2.0MM 2
SN: K20001-
? 203-46-56260 PIN 2
SN: K20001-
? 203-46-56270 PLATE 2
SN: K20001-
? 01010-51230 BOLT 4
SN: K20001-
? 01643-31232 WASHER 4
SN: K20001-

Excavators Komatsu / PW170-5K S/N K20001-UP(pw170-5u) / REVOLVING FRAME(120200 : 4600)