| Номер на схеме | Каталожный номер | Название | Количество | Детали | |||
|---|---|---|---|---|---|---|---|
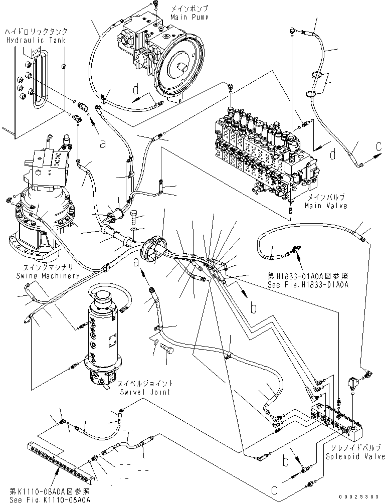
| ? | 02781-00315 | UNION | 1 | SN: K40062- |
|||
| ? | 02783-10210 | ELBOW | 1 | SN: K40062- |
|||
| ? | 02764-00311 | HOSE | 1 | SN: K40062- |
|||
| ? | 20G-62-K9180 | MARK ? PS | 2 | SN: K40001- |
|||
| ? | 02761-00418 | HOSE | 1 | SN: K40062- |
|||
| ? | 203-62-62480 | MARK ? T0 | 2 | SN: K40001- |
|||
| ? | 20K-62-37530 | HOSE ASS'Y | 1 | SN: .- |
|||
| ? | 02761-00221 | • HOSE | 1 | SN: K40062- |
|||
| ? | 203-62-58170 | • MARK ? P2 | 2 | SN: K40001- |
|||
| ? | 02761-00223 | • HOSE | 1 | SN: K40062- |
|||
| ? | 203-62-58520 | • MARK ? A1 | 2 | SN: K40001- |
|||
| ? | 02760-00218 | • HOSE | 1 | SN: K40062- |
|||
| ? | 203-62-58530 | • MARK ? A2 | 2 | SN: K40001- |
|||
| ? | 02761-00218 | • HOSE | 1 | SN: K40062- |
|||
| ? | 203-62-58140 | • MARK ? A3 | 2 | SN: K40001- |
|||
| ? | 20K-62-33830 | • HOSE | 1 | SN: K40062- |
|||
| ? | 203-62-62360 | • MARK ? A5 | 2 | SN: K40001- |
|||
| ? | 20K-62-34390 | • HOSE | 1 | SN: K40062- |
|||
| ? | 20K-62-31750 | • MARK ? A8 | 2 | SN: K40001- |
|||
| ? | 02764-00314 | • HOSE | 1 | SN: K40062- |
|||
| ? | 203-62-58210 | • MARK ? T1 | 2 | SN: K40001- |
|||
| ? | 02760-003A5 | HOSE | 1 | SN: K40062- |
|||
| ? | 203-62-62440 | MARK ? P0 | 2 | SN: K40001- |
|||
| ? | 02764-00206 | HOSE | 1 | SN: K40062- |
|||
| ? | 20E-62-K3560 | MARK ? A6 | 2 | SN: K40001- |
|||
| ? | 02761-00212 | HOSE ? 1200MM | 1 | SN: K40062- |
|||
| ? | 20G-62-K8740 | MARK ? A | 2 | SN: K40001- |
|||
| ? | 02766-00214 | HOSE | 1 | SN: K40001- |
|||
| ? | 04434-52210 | CLIP | 5 | SN: K40062- |
|||
| ? | 01010-81016 | BOLT | 5 | SN: K40062- |
|||
| ? | 01643-31032 | WASHER | 5 | SN: K40062- |
|||
| ? | 207-62-K3110 | CLIP | 2 | SN: K40049- |
|||
| ? | 01010-81225 | BOLT | 2 | SN: K40049- |
|||
| ? | 01643-31232 | WASHER | 4 | SN: K40062- |
|||
| ? | 04435-51912 | CLIP | 1 | SN: K40001- |
|||
| ? | 208-62-65120 | GROMMET | 1 | SN: K40001- |
|||
| ? | 08034-00536 | BAND | 3 | SN: K40062- |
|||
| ? | 08034-00536 | BAND | 3 | SN: K40062- |
|||
| ? | 205-62-53780 | COVER | 1 | SN: K40037- |
|||
| ? | 07002-11423 | O-RING | 1 | SN: K40062- |
|||
| ? | 07002-12034 | O-RING | 1 | SN: K40062- |
|||
| ? | 02896-11008 | O-RING | 18 | SN: K40062- |
|||
| ? | 02896-11009 | O-RING | 6 | SN: K40062- |