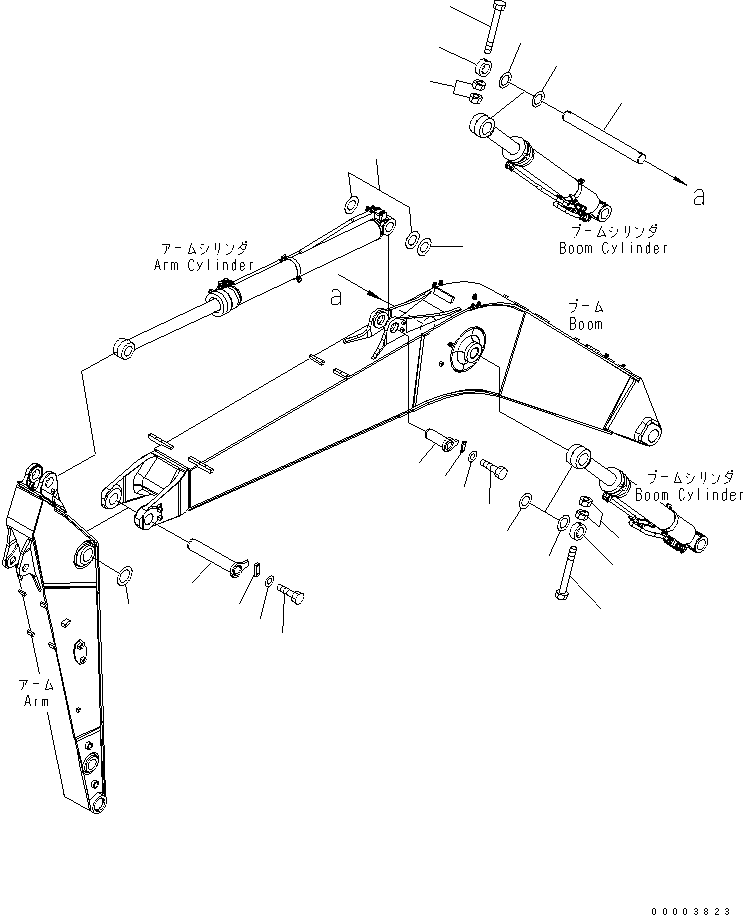
| Номер на схеме | Каталожный номер | Название | Количество | Детали | |||
|---|---|---|---|---|---|---|---|
| ? | 20Y-70-K4180 | PIN | 1 | SN: K40001- |
|||
| ? | 20Y-70-11360 | SPACER ? 0.8MM | 1 | SN: K40001- |
|||
| ? | 205-70-71310 | PLATE | 1 | SN: K40001- |
|||
| ? | 01010-81235 | BOLT | 2 | SN: K40001- |
|||
| ? | 01643-31232 | WASHER | 2 | SN: K40001- |
|||
| ? | 20Y-70-11180 | PIN | 1 | SN: K40001- |
|||
| ? | 20Y-70-11340 | SPACER ? 0.8MM | 2 | SN: K40001- |
|||
| ? | 205-70-51530 | SPACER ? 1.5MM | 1 | SN: K40001- |
|||
| ? | 205-70-66580 | PLATE | 1 | SN: K40001- |
|||
| ? | 01010-81235 | BOLT | 2 | SN: K40001- |
|||
| ? | 01643-31232 | WASHER | 2 | SN: K40001- |
|||
| ? | 20K-70-31710 | PIN | 1 | SN: K40001- |
|||
| ? | 20Y-70-11390 | SPACER ? 0.8MM | 3 | SN: K40001- |
|||
| ? | 20Y-70-11370 | SPACER ? 1.5MM | 3 | SN: K40001- |
|||
| ? | 20Y-70-11170 | PLATE | 2 | SN: K40001- |
|||
| ? | 20Y-70-11380 | BOLT | 2 | SN: K40001- |
|||
| ? | 01580-12016 | NUT | 4 | SN: K40001- |