k-part
Номер на схеме Каталожный номер Название Количество Детали
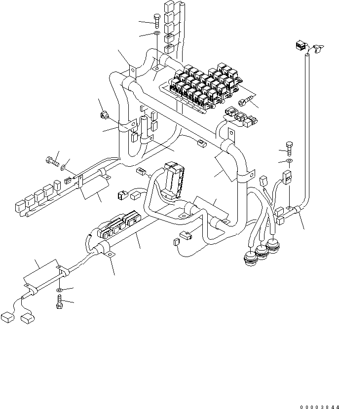
? 20K-06-31252 WIRING HARNESS 1
SN: H50051-
? 20K-06-32230 • BOX 1
SN: H50051-
? 283-06-16160 • • PIN -26
SN: H50051-
? 20K-06-32130 • RELAY 27
SN: H50051-
? 08041-00500 • FUSE, 5A 1
SN: H50051-
? 08041-01000 • FUSE, 10A 13
SN: H50051-
? 08041-01500 • FUSE, 15A 1
SN: H50051-
? 08041-02000 • FUSE, 20A 3
SN: H50051-
? 08041-02500 • FUSE, 25A 1
SN: H50051-
? 08041-03000 • FUSE 1
SN: H50051-
? 08020-10000 • DIODE 2
SN: H50051-
? 08020-30000 • DIODE 2
SN: H50051-
? 01252-60512 BOLT 10
SN: H50051-
? 01643-31032 WASHER 3
SN: H50051-
? 01010-81016 BOLT 3
SN: H50051-
? 04434-53411 CLIP 4
SN: H50051-
? 04434-52310 CLIP 1
SN: H50051-
? 04434-52711 CLIP 1
SN: H50051-
? 01643-31032 WASHER 6
SN: H50051-
? 01010-81020 BOLT 6
SN: H50051-
? 04434-52511 CLIP 2
SN: H50051-
? 04434-51810 CLIP 3
SN: H50051-
? 04434-53211 CLIP 3
SN: H50051-
? 01643-31032 WASHER 2
SN: H50051-
? 01010-81016 BOLT 2
SN: H50051-
? 20K-06-32110 CLIP 5
SN: H50051-

Excavators Komatsu / PW220-7H S/N H50051-UP(pw220_7h) / OPERATORґS CAB HARNESS(K0-74 : K1710-01A0)
?
?
?
?
?
?
?
?
?
?
?
?
?
?
?
?
?
?
?
?
?