| Номер на схеме | Каталожный номер | Название | Количество | Детали | |||
|---|---|---|---|---|---|---|---|
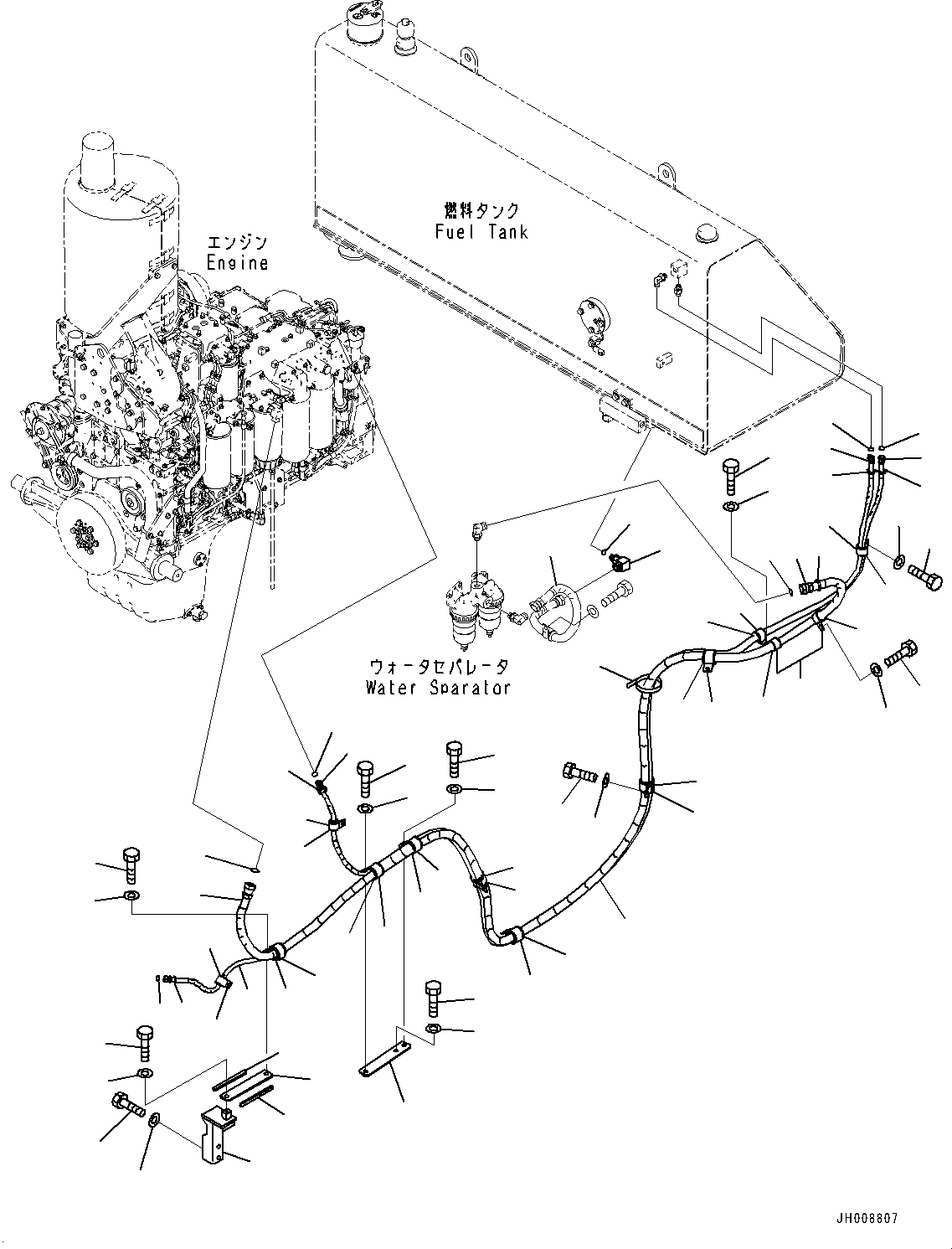
| ? | 17M-04-44173 | Hose Assembly | 1 | SN: 35045- KIT-FLAG: _- SCC: SERIALNO: 35045- |
|||
| ? | 02762-00347 | • Hose, Face Seal Type | 1 | SN: 35045- KIT-FLAG: _- SCC: SERIALNO: 35045- |
|||
| ? | 02762-00352 | • Hose, Face Seal Type | 1 | SN: 35045- KIT-FLAG: _- SCC: SERIALNO: 35045- |
|||
| ? | 02762-00650 | • Hose, Face Seal Type | 1 | SN: 35045- KIT-FLAG: _- SCC: SERIALNO: 35045- |
|||
| ? | 20Y-62-22790 | • Band, Red | 2 | SN: 35045- KIT-FLAG: _- SCC: SERIALNO: 35045- |
|||
| ? | 20Y-62-22810 | • Band, Yellow | 1 | SN: 35045- KIT-FLAG: _- SCC: SERIALNO: 35045- |
|||
| ? | 20Y-62-22820 | • Band, Blue | 2 | SN: 35045- KIT-FLAG: _- SCC: SERIALNO: 35045- |
|||
| ? | 02896-11018 | O-ring | 2 | SN: 35045- KIT-FLAG: _- SCC: SERIALNO: 35045- |
|||
| ? | 02896-11009 | O-ring | 4 | SN: 35045- KIT-FLAG: _- SCC: SERIALNO: 35045- |
|||
| ? | 08034-20834 | Band | 1 | SN: 35061- KIT-FLAG: _- SCC: SERIALNO: 35061- |
|||
| ? | 17M-04-42161 | Bracket | 1 | SN: 35045- KIT-FLAG: _- SCC: SERIALNO: 35045- |
|||
| ? | 01010-81225 | Bolt | 2 | SN: 35045- KIT-FLAG: _- SCC: SERIALNO: 35045- |
|||
| ? | 01643-31232 | Washer | 2 | SN: 35045- KIT-FLAG: _- SCC: SERIALNO: 35045- |
|||
| ? | 17M-04-42130 | Plate | 1 | SN: 35045- KIT-FLAG: _- SCC: SERIALNO: 35045- |
|||
| ? | • Plate | 1 | SN: 35045- KIT-FLAG: _- SCC: C1 SERIALNO: 35045- |
||||
| ? | 20Y-43-11281 | • Grommet | 2 | SN: 35045- KIT-FLAG: _- SCC: SERIALNO: 35045- |
|||
| ? | 01010-81225 | Bolt | 1 | SN: 35045- KIT-FLAG: _- SCC: SERIALNO: 35045- |
|||
| ? | 01643-31232 | Washer | 1 | SN: 35045- KIT-FLAG: _- SCC: SERIALNO: 35045- |
|||
| ? | 17M-04-42140 | Plate | 1 | SN: 35045- KIT-FLAG: _- SCC: SERIALNO: 35045- |
|||
| ? | 01010-81225 | Bolt | 1 | SN: 35045- KIT-FLAG: _- SCC: SERIALNO: 35045- |
|||
| ? | 01643-31232 | Washer | 1 | SN: 35045- KIT-FLAG: _- SCC: SERIALNO: 35045- |
|||
| ? | 23T-62-12160 | Clip | 5 | SN: 35045- KIT-FLAG: _- SCC: SERIALNO: 35045- |
|||
| ? | 20T-62-71831 | Cushion | 5 | SN: 35045- KIT-FLAG: _- SCC: SERIALNO: 35045- |
|||
| ? | 01010-81225 | Bolt | 4 | SN: 35045- KIT-FLAG: _- SCC: SERIALNO: 35045- |
|||
| ? | 01643-31232 | Washer | 4 | SN: 35045- KIT-FLAG: _- SCC: SERIALNO: 35045- |
|||
| ? | 21T-62-76830 | Clip | 1 | SN: 35049- KIT-FLAG: _- SCC: SERIALNO: 35049- |
|||
| ? | 198-04-41210 | Cushion | 1 | SN: 35049- KIT-FLAG: _- SCC: SERIALNO: 35049- |
|||
| ? | 01010-81225 | Bolt | 1 | SN: 35056- KIT-FLAG: _- SCC: SERIALNO: 35056- |
|||
| ? | 01643-31232 | Washer | 1 | SN: 35056- KIT-FLAG: _- SCC: SERIALNO: 35056- |
|||
| ? | 04434-52712 | Clip | 1 | SN: 35045- KIT-FLAG: _- SCC: SERIALNO: 35045- |
|||
| ? | 07095-20418 | Cushion | 1 | SN: 35045- KIT-FLAG: _- SCC: SERIALNO: 35045- |
|||
| ? | 01010-81225 | Bolt | 1 | SN: 35045- KIT-FLAG: _- SCC: SERIALNO: 35045- |
|||
| ? | 01643-31232 | Washer | 1 | SN: 35045- KIT-FLAG: _- SCC: SERIALNO: 35045- |
|||
| ? | 23T-62-12160 | Clip | 1 | SN: 35045- KIT-FLAG: _- SCC: SERIALNO: 35045- |
|||
| ? | 20T-62-71831 | Cushion | 1 | SN: 35045- KIT-FLAG: _- SCC: SERIALNO: 35045- |
|||
| ? | 01010-81225 | Bolt | 1 | SN: 35045- KIT-FLAG: _- SCC: SERIALNO: 35045- |
|||
| ? | 01643-31232 | Washer | 1 | SN: 35045- KIT-FLAG: _- SCC: SERIALNO: 35045- |
|||
| ? | 04434-53412 | Clip | 3 | SN: 35045- KIT-FLAG: _- SCC: SERIALNO: 35045- |
|||
| ? | 07095-20625 | Cushion | 3 | SN: 35045- KIT-FLAG: _- SCC: SERIALNO: 35045- |
|||
| ? | 01010-81225 | Bolt | 2 | SN: 35045- KIT-FLAG: _- SCC: SERIALNO: 35045- |
|||
| ? | 01643-31232 | Washer | 2 | SN: 35045- KIT-FLAG: _- SCC: SERIALNO: 35045- |
|||
| ? | 07095-20627 | Cushion | 1 | SN: 35056- KIT-FLAG: _- SCC: SERIALNO: 35056- |
|||
| ? | 04434-53412 | Clip | 1 | SN: 35056- KIT-FLAG: _- SCC: SERIALNO: 35056- |
|||
| ? | 04434-52712 | Clip | 1 | SN: 35045- KIT-FLAG: _- SCC: SERIALNO: 35045- |
|||
| ? | 07095-20418 | Cushion | 1 | SN: 35045- KIT-FLAG: _- SCC: SERIALNO: 35045- |
|||
| ? | 206-62-73440 | Elbow | 1 | SN: 35045- KIT-FLAG: _- SCC: SERIALNO: 35045- |
|||
| ? | 07002-12034 | O-ring | 1 | SN: 35045- KIT-FLAG: _- SCC: SERIALNO: 35045- |
|||
| ? | (02762-00608) | Hose, Face Seal Type | SN: - KIT-FLAG: _- SCC: SERIALNO: |
M2210-052030 | |||
| ? | (02762-00608) | Hose, Face Seal Type | SN: - KIT-FLAG: _- SCC: SERIALNO: |
M2210-041032 |