| Номер на схеме | Каталожный номер | Название | Количество | Детали | |||
|---|---|---|---|---|---|---|---|
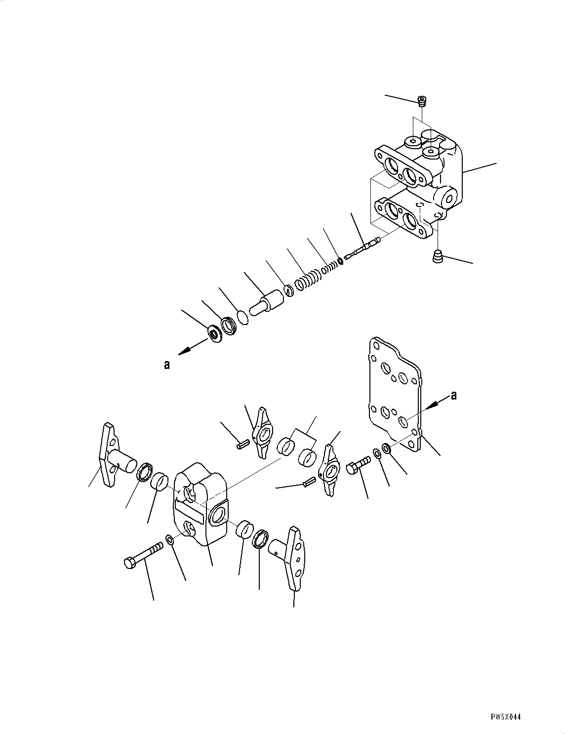
| ? | 702-16-01950 | Valve Assembly, Pilot | 1 | SN: 20001-20987 KIT-FLAG: _- SCC: A2 SERIALNO: 20001-20987 |
|||
| ? | • Body, Valve | 1 | SN: 20001-20987 KIT-FLAG: _- SCC: C1 SERIALNO: 20001-20987 |
||||
| ? | • Valve | 4 | SN: 20001-@ KIT-FLAG: _- SCC: C1 SERIALNO: 20001-@ |
||||
| ? | 702-16-51140 | • Shim, T=0.30mm | 4 | SN: 20001-@ KIT-FLAG: _- SCC: SERIALNO: 20001-@ |
|||
| ? | 702-16-57960 | • Spring | 4 | SN: 20001-@ KIT-FLAG: _- SCC: SERIALNO: 20001-@ |
|||
| ? | 702-16-57970 | • Retainer | 4 | SN: 20001-@ KIT-FLAG: _- SCC: SERIALNO: 20001-@ |
|||
| ? | 702-16-55630 | • Spring | 4 | SN: 20001-@ KIT-FLAG: _- SCC: SERIALNO: 20001-@ |
|||
| ? | 702-16-53170 | • Piston | 4 | SN: 20001-@ KIT-FLAG: _- SCC: SERIALNO: 20001-@ |
|||
| ? | 702-16-51270 | • Seal | 4 | SN: 20001-20987 KIT-FLAG: _- SCC: SERIALNO: 20001-20987 |
|||
| ? | 07000-12020 | • O-ring | 4 | SN: 20001-20987 KIT-FLAG: _- SCC: SERIALNO: 20001-20987 |
|||
| ? | 702-16-54170 | • Collar | 4 | SN: 20001-20987 KIT-FLAG: _- SCC: SERIALNO: 20001-20987 |
|||
| ? | • Case | 1 | SN: 20001-@ KIT-FLAG: _- SCC: C1 SERIALNO: 20001-@ |
||||
| ? | • Lever | 2 | SN: 20001-@ KIT-FLAG: _- SCC: C1 SERIALNO: 20001-@ |
||||
| ? | • Shaft | 2 | SN: 20001-@ KIT-FLAG: _- SCC: C1 SERIALNO: 20001-@ |
||||
| ? | • Plate | 1 | SN: 20001-@ KIT-FLAG: _- SCC: C1 SERIALNO: 20001-@ |
||||
| ? | 01010-80855 | • Bolt | 2 | SN: 20001-@ KIT-FLAG: _- SCC: SERIALNO: 20001-@ |
|||
| ? | 01643-30823 | • Washer | 2 | SN: 20001-@ KIT-FLAG: _- SCC: SERIALNO: 20001-@ |
|||
| ? | 01010-80816 | • Bolt | 4 | SN: 20001-@ KIT-FLAG: _- SCC: SERIALNO: 20001-@ |
|||
| ? | 04025-00432 | • Pin, Spring | 2 | SN: 20001-@ KIT-FLAG: _- SCC: SERIALNO: 20001-@ |
|||
| ? | 702-16-54430 | • Bushing | 4 | SN: 20001-@ KIT-FLAG: _- SCC: SERIALNO: 20001-@ |
|||
| ? | 702-16-54331 | • Washer, T=1.60mm | 4 | SN: 20001-@ KIT-FLAG: _- SCC: SERIALNO: 20001-@ |
|||
| ? | 702-16-54341 | • Washer, T=1.30mm | 4 | SN: 20001-@ KIT-FLAG: _- SCC: SERIALNO: 20001-@ |
|||
| ? | 702-16-54351 | • Washer, T=1.00mm | 4 | SN: 20001-@ KIT-FLAG: _- SCC: SERIALNO: 20001-@ |
|||
| ? | • Seal, Dust | 2 | SN: 20001-@ KIT-FLAG: _- SCC: C1 SERIALNO: 20001-@ |
||||
| ? | • Plug | 2 | SN: 20001-@ KIT-FLAG: _- SCC: C1 SERIALNO: 20001-@ |
||||
| ? | • Plug | 2 | SN: 20001-@ KIT-FLAG: _- SCC: C1 SERIALNO: 20001-@ |
||||
| ? | 702-16-57950 | • Washer, T=1.90mm | 4 | SN: 20001-@ KIT-FLAG: _- SCC: SERIALNO: 20001-@ |