| Номер на схеме | Каталожный номер | Название | Количество | Детали | |||
|---|---|---|---|---|---|---|---|
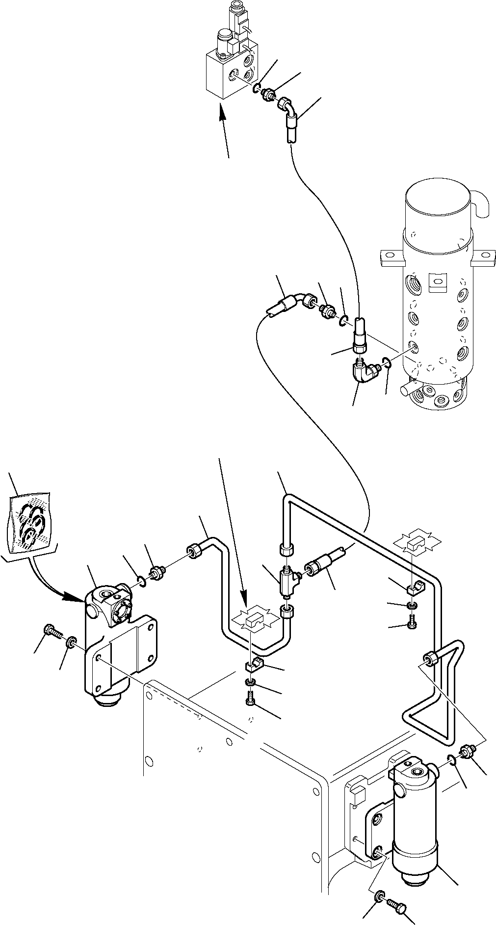
| ? | 21D-09-51190 | UNION | 1 | SN: 21D0220079- |
|||
| ? | 21D-09-69910 | • O-RING | 1 | SN: 21D0220079- |
|||
| ? | 22E-09-12160 | HOSE | 1 | SN: 21D0220079- |
|||
| ? | 21D-09-51620 | ELBOW | 1 | SN: 21D0220079- |
|||
| ? | 21D-09-69960 | • O-RING | 1 | SN: 21D0220079- |
|||
| ? | 21D-09-51180 | UNION | 1 | SN: 21D0220079- |
|||
| ? | 21D-09-69960 | • O-RING | 1 | SN: 21D0220079- |
|||
| ? | 22E-09-12140 | HOSE | 1 | SN: 21D0220079- |
|||
| ? | 21D-09-57440 | TEE | 1 | SN: 21D0220079- |
|||
| ? | 21D-62-13460 | PIPE | 1 | SN: 21D0220079- |
|||
| ? | 21D-09-68150 | CLAMP | 3 | SN: 21D0220079- |
|||
| ? | 01435-00830 | BOLT | 6 | SN: 21D0220079- |
|||
| ? | 01643-30823 | SPRING WASHER | 6 | SN: 21D0220079- |
|||
| ? | 21D-62-13470 | PIPE | 1 | SN: 21D0220079- |
|||
| ? | 21D-09-54510 | UNION | 2 | SN: 21D0220079- |
|||
| ? | 21D-09-69890 | • O-RING | 1 | SN: 21D0220079- |
|||
| ? | 226-61-11900 | LOCK AXLE CYLINDER | 2 | SN: 21D0220079- |
|||
| ? | 226-61-11910 | KIT, GASKET | 1 | SN: 21D0220079- |
|||
| ? | 01010-51645 | BOLT | 8 | SN: 21D0220079- |
|||
| ? | 21D-09-72430 | WASHER | 8 | SN: 21D0220079- |
|||
| ? | SEE FIG. 6555 | 6555 |